LEMON Manuals: Even more car manuals for everyone: 1960-2025
Home >> Honda >> 2021 >> CR-V LX, AWD >> Repair and Diagnosis (Single Page) >> Accessories & Equipment >> Anti-Theft Systems >> Security System / Keyless Entry System - Testing & Troubleshooting (Except Hybrid) >> Circuit Diagram >> Keyless Access System Circuit Diagram
April 5, 2026: LEMON Manuals is launched! Read the announcement.

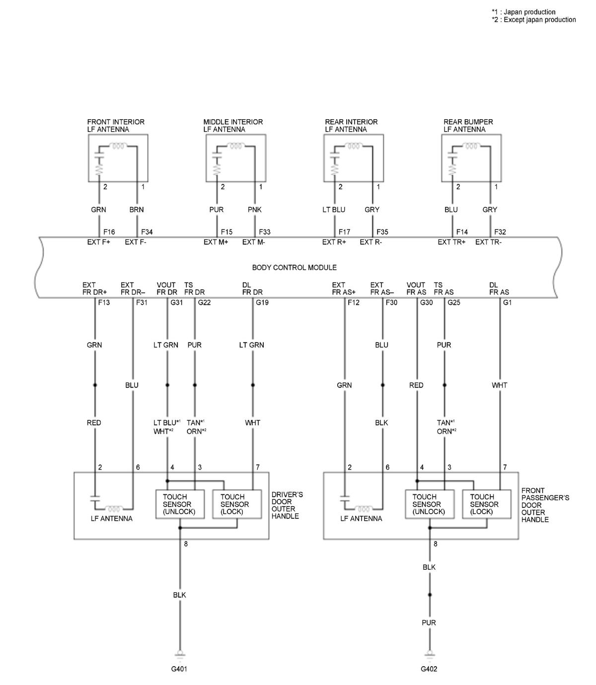
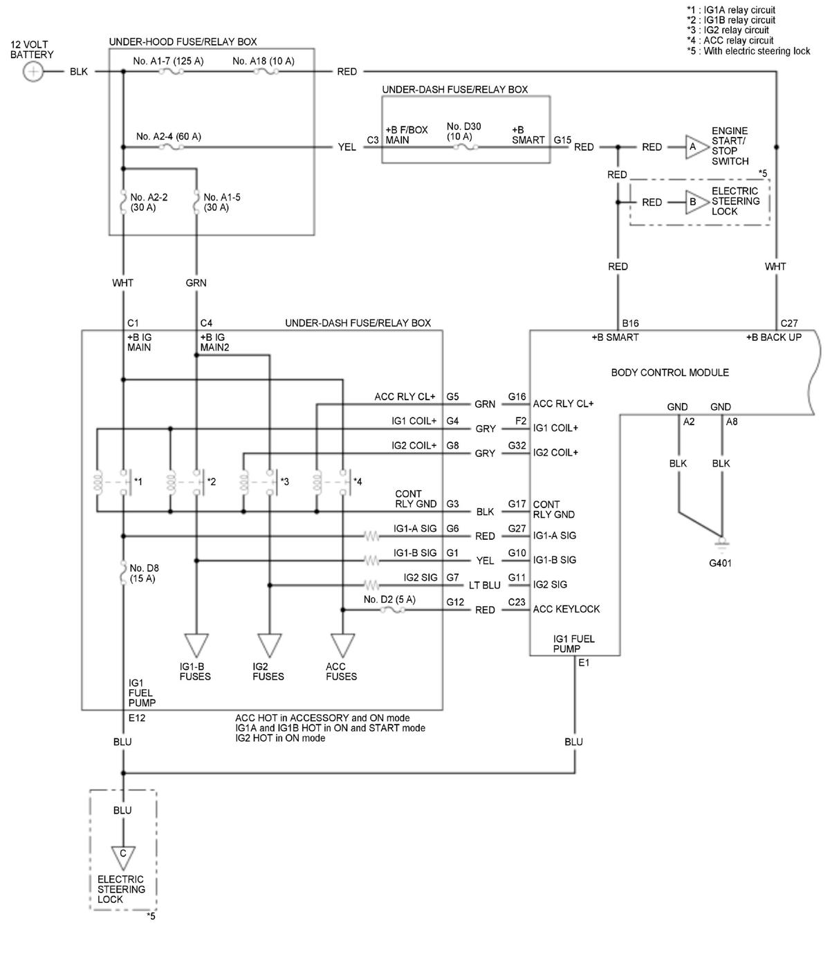
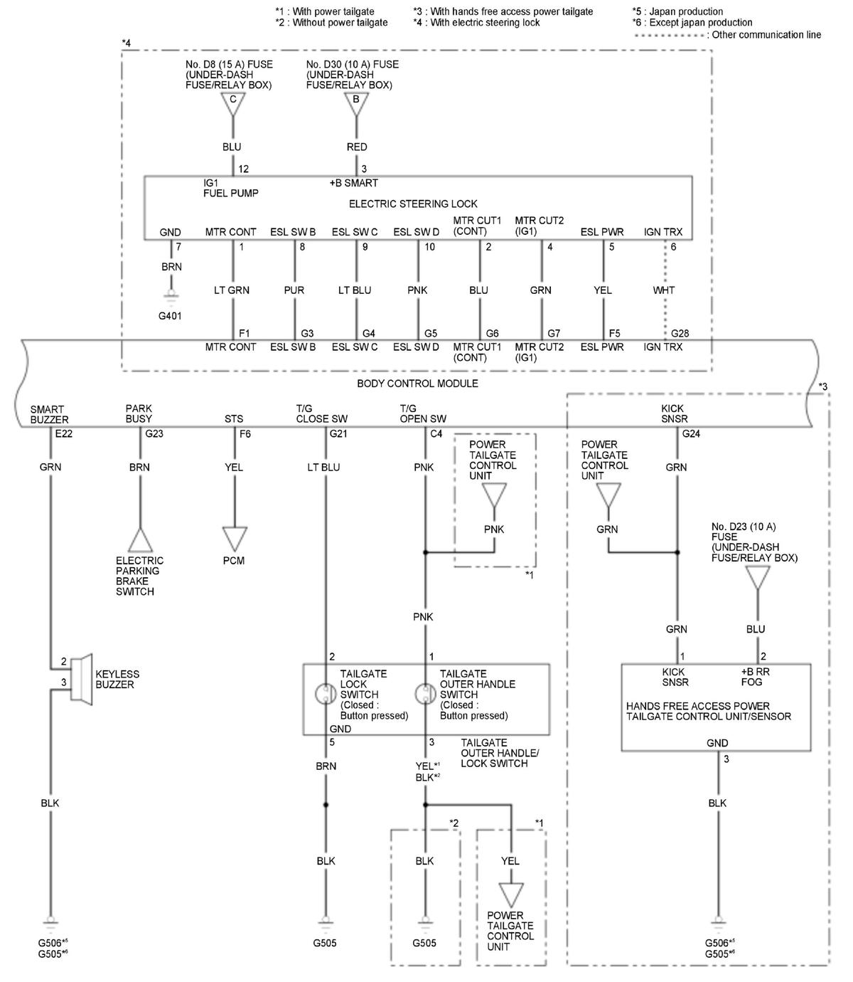
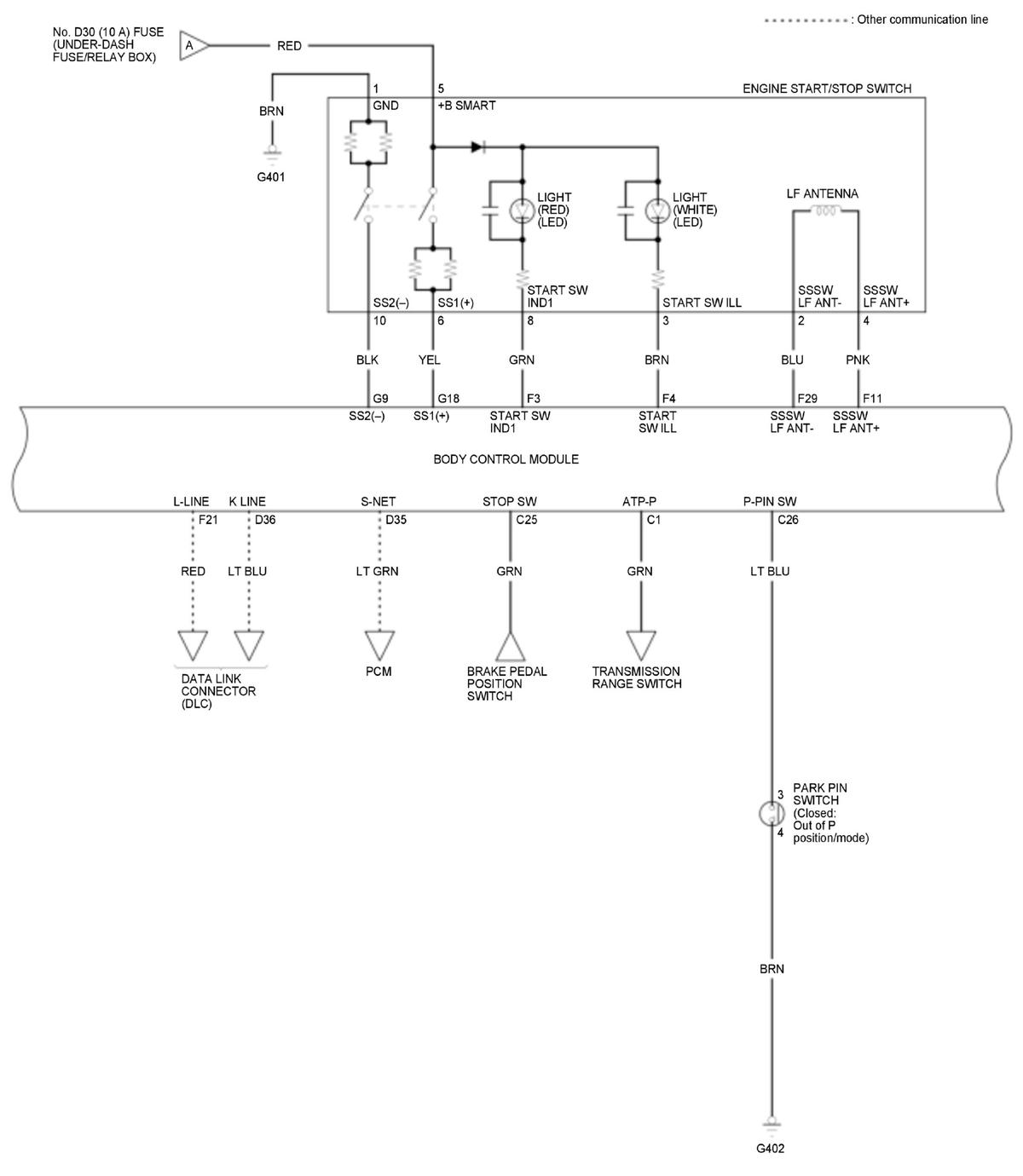
Keyless Access System Circuit Diagram

GHH430684Courtesy of HONDA, U.S.A., INC.
GHH430685Courtesy of HONDA, U.S.A., INC.
GHH430686Courtesy of HONDA, U.S.A., INC.
GHH430687Courtesy of HONDA, U.S.A., INC.
GHH430688Courtesy of HONDA, U.S.A., INC.