LEMON Manuals: Even more car manuals for everyone: 1960-2025
Home >> Honda >> 2021 >> CR-V LX, AWD >> Repair and Diagnosis (Single Page) >> Body & Frame >> Door Locks >> Security System / Keyless Entry System - Service Information (Except Hybrid) >> Removal Installation And Test >> Engine Start/Stop Switch Removal, Installation, and Test >> Test
April 5, 2026: LEMON Manuals is launched! Read the announcement.

Engine Start/Stop Switch Removal, Installation, and Test: Test

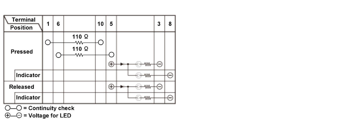
  1. Engine Start/Stop Switch - Test

    1. Check the engine start/stop switch (A) according to the table.

    NOTE: 

    • When an LED is located between terminals, check if the LED illuminates by connecting power and ground to the LED.
    • Note this important operating characteristic; diode bias causes a diode to fully conduct electricity in one direction (forward), while not at all in the opposite direction (reverse).
    GHH430909Courtesy of HONDA, U.S.A., INC.
    GHH430910Courtesy of HONDA, U.S.A., INC.

    2. If the result is not as specified, replace the engine start/stop switch.

    LF Antenna Test 

    3. Check for continuity between the terminals according to the table. There should be continuity.

    GHH430911Courtesy of HONDA, U.S.A., INC.

    4. If the continuity is not as specified, replace the engine start/stop switch.