LEMON Manuals: Even more car manuals for everyone: 1960-2025
Home >> Honda >> 2021 >> CR-V LX, AWD >> Repair and Diagnosis (Single Page) >> Body & Frame >> Door Locks >> Security System / Keyless Entry System - Testing & Troubleshooting (Except Hybrid) >> Circuit Diagram >> Keyless/Power Door Locks/Security System Circuit Diagram
April 5, 2026: LEMON Manuals is launched! Read the announcement.

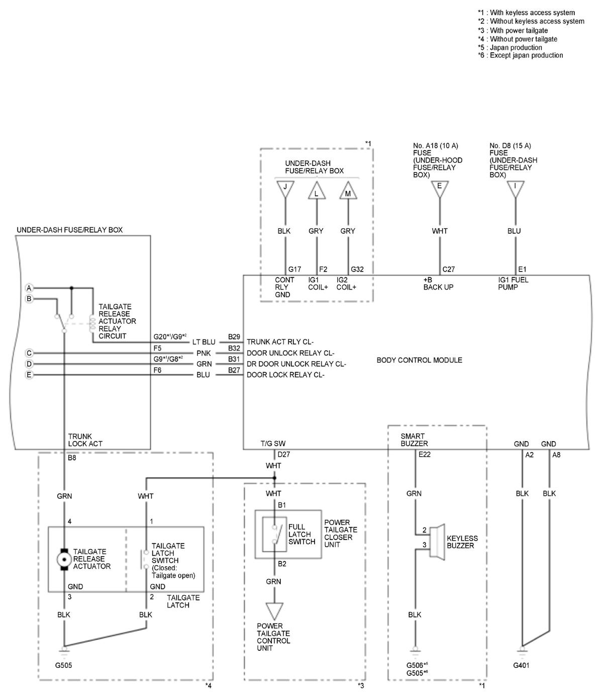
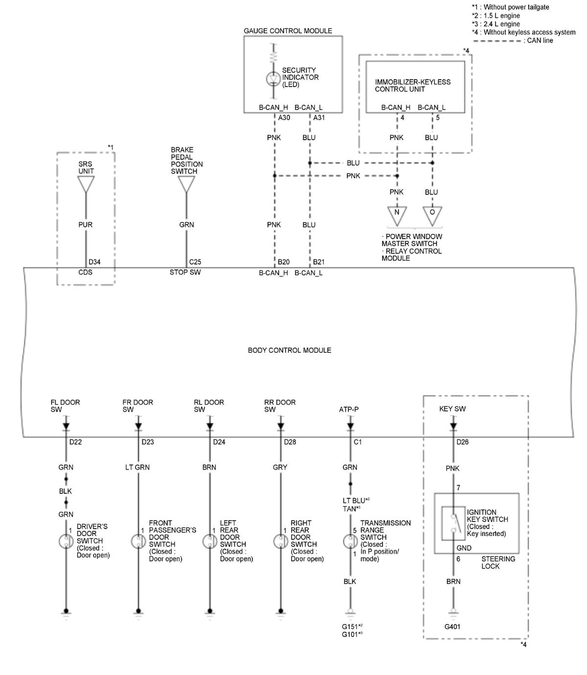
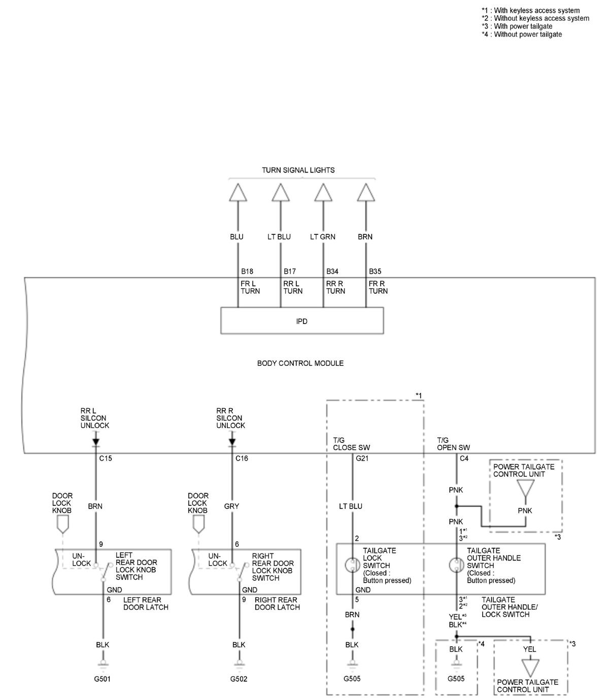
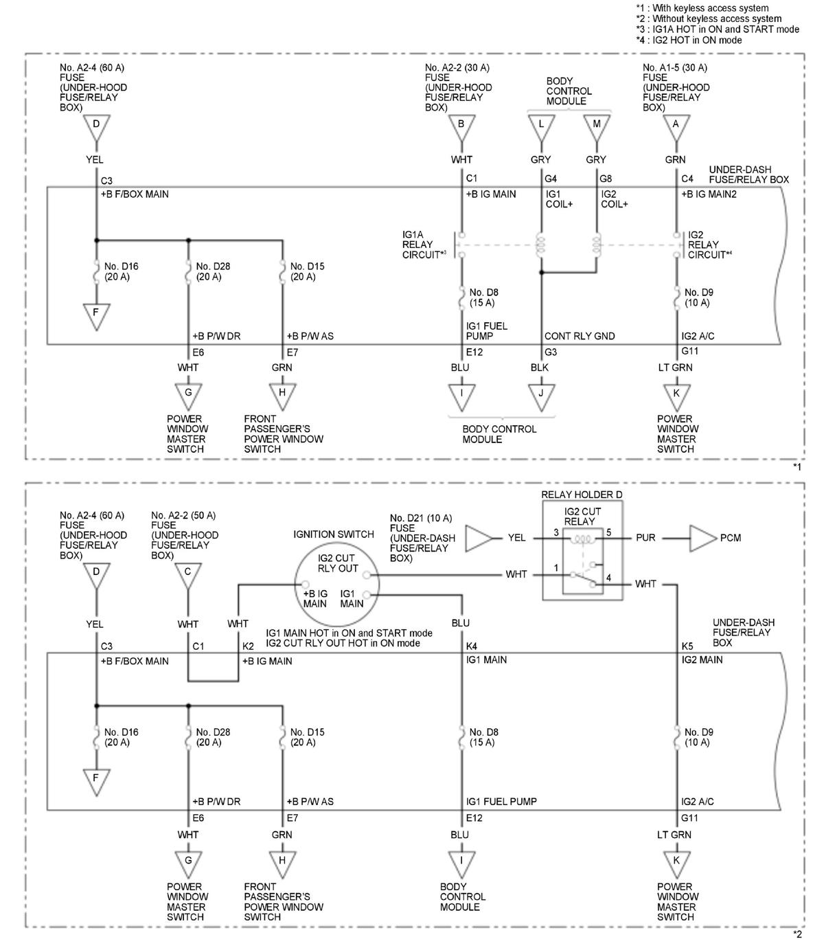
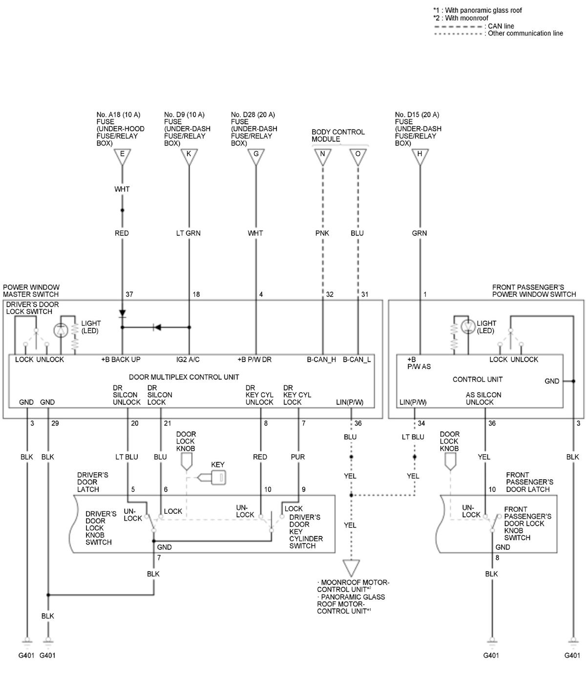
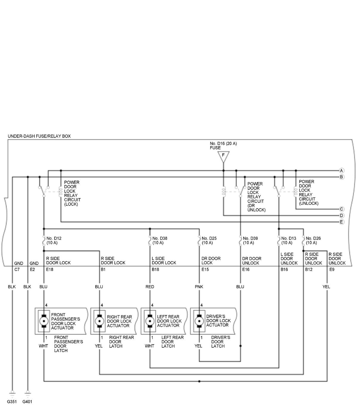
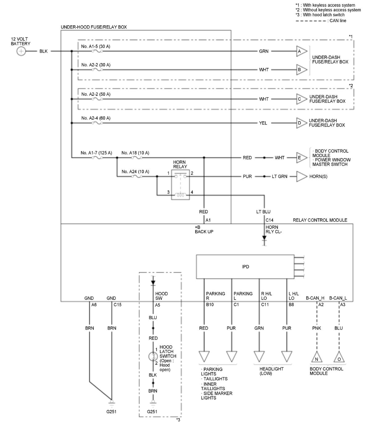
Keyless/Power Door Locks/Security System Circuit Diagram

GHH430689Courtesy of HONDA, U.S.A., INC.
GHH430690Courtesy of HONDA, U.S.A., INC.
GHH430691Courtesy of HONDA, U.S.A., INC.
GHH430692Courtesy of HONDA, U.S.A., INC.
GHH430693Courtesy of HONDA, U.S.A., INC.
GHH430694Courtesy of HONDA, U.S.A., INC.
GHH430695Courtesy of HONDA, U.S.A., INC.