LEMON Manuals: Even more car manuals for everyone: 1960-2025
Home >> Honda >> 2021 >> Civic EX-L >> Repair and Diagnosis >> Engine Performance >> System >> Engine Control System - Advanced Diagnostics (P0507 - P1684) >> DTC Advanced Diagnostics >> DTC P0615 (K20C2: With Keyless Access System)
April 5, 2026: LEMON Manuals is launched! Read the announcement.

DTC P0615 (K20C2: With Keyless Access System)

DTC P0615:  Starter Cut Relay Diagnosis Circuit Malfunction

General Description 

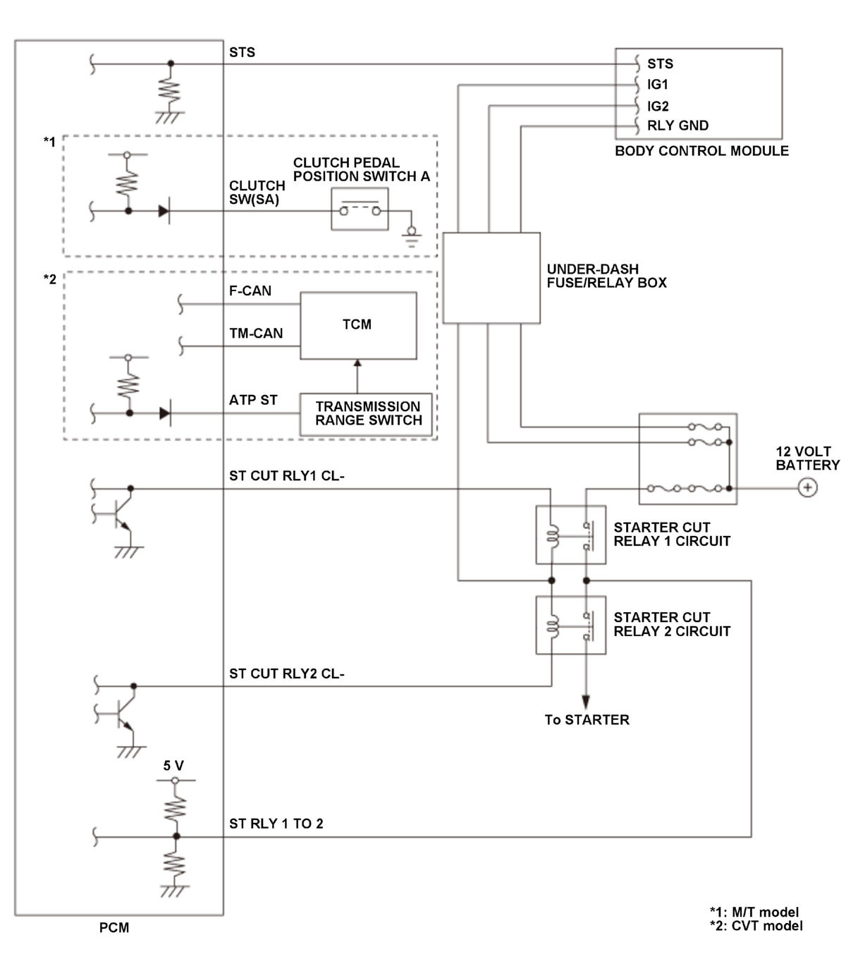
GHH403219Courtesy of HONDA, U.S.A., INC.

The starter control system prevents the starter from accidentally activating when the shift position is not in P or N position/mode (CVT) or the clutch pedal is released (M/T), or when the engine is running. If the vehicle is turned mistakenly while shift position is not in P or N position/mode (CVT) or the clutch pedal is released (M/T) or while the engine is running, the powertrain control module (PCM) will stop power to the starter cut relay circuits. However, cranking to return from auto idle stop does not correspond to this (if equipped). In this system, two starter cut relay circuits are connected in series (starter cut relay 1 circuit, starter cut relay 2 circuit) to prevent the starter from running continuously due to a starter cut relay circuit malfunction. Also a diagnosis line (ST RLY 1 TO 2) is connected to monitor the voltage between the starter cut relay 1 circuit and starter cut relay 2 circuit. Based on the diagnosis line signals, the PCM detects an OPEN malfunction of diagnosis line, an ON malfunction of starter cut relay 1 circuit, and an ON malfunction of starter cut relay 2 circuit. The PCM also equips with return signal circuits of starter cut relay 1 circuit and starter cut relay 2 circuit to detect an OFF malfunction. If the voltage of the diagnosis line (ST RLY 1 TO 2) input does not exceed the upper and lower limits for a specified duration when the starter is ON (STS ON), the PCM detects an OPEN malfunction of the diagnosis line and stores a DTC.

Monitor Execution, Sequence, Duration, DTC Type 

Execution Continuous
Sequence None
Duration 0.3 second or more
DTC Type Two drive cycles, MIL off

Enable Conditions 

Condition  
Starter ON

Malfunction Threshold 

The diagnosis line (ST RLY 1 TO 2) input voltage [STARTER CUT RELAY] is between 2.4 V to 2.6 V for at least 0.3 second.

[ ]: HDS Parameter

Possible Cause 

NOTE:  The causes shown may not be a complete list of all potential problems, and it is possible that there may be other causes.

Diagnosis Details 

Conditions for setting the DTC 

When a malfunction is detected during the first drive cycle, a Pending DTC is stored in the PCM memory. If the malfunction returns in the next (second) drive cycle, a Confirmed DTC and the freeze data are stored. The MIL does not come on.

Conditions for clearing the DTC 

The Pending DTC, the Confirmed DTC, and the freeze data can be cleared with the scan tool Clear command or by disconnecting the 12 volt battery.