LEMON Manuals: Even more car manuals for everyone: 1960-2025
Home >> Honda >> 2021 >> Civic EX-L >> Repair and Diagnosis >> Engine Performance >> System >> Engine Control System - Advanced Diagnostics (P0507 - P1684) >> DTC Advanced Diagnostics >> DTC P0616 (K20C2: With Keyless Access System)
April 5, 2026: LEMON Manuals is launched! Read the announcement.

DTC P0616 (K20C2: With Keyless Access System)

DTC P0616:  Starter Cut Relay Diagnosis Circuit Low Voltage

General Description 

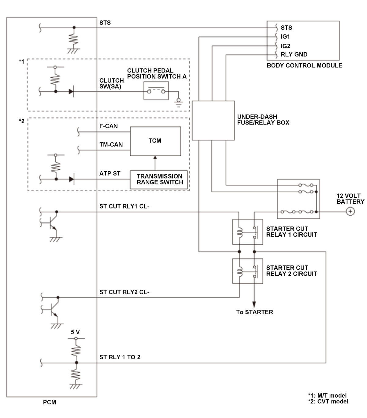
GHH403223Courtesy of HONDA, U.S.A., INC.

The starter control system prevents the starter from accidentally activating when the shift position is not in P or N position/mode (CVT) or the clutch pedal is released (M/T), or when the engine is running. If the vehicle is turned mistakenly while shift position is not in P or N position/mode (CVT) or the clutch pedal is released (M/T) or while the engine is running, the powertrain control module (PCM) will stop power to the starter cut relay circuits. However, cranking to return from auto idle stop does not correspond to this (if equipped). In this system, two starter cut relay circuits are connected in series (starter cut relay 1 circuit, starter cut relay 2 circuit) to prevent the starter from running continuously due to a starter cut relay circuit malfunction. Also a diagnosis line (ST RLY 1 TO 2) is connected to monitor the voltage between the starter cut relay 1 circuit and starter cut relay 2 circuit. Based on the diagnosis line signals, the PCM detects an OPEN malfunction of diagnosis line, an ON malfunction of starter cut relay 1 circuit, and an ON malfunction of starter cut relay 2 circuit. The PCM also equips with return signal circuits of starter cut relay 1 circuit and starter cut relay 2 circuit to detect an OFF malfunction. If the voltage of the diagnosis line (ST RLY 1 TO 2) is a specified voltage for a set time when the starter is OFF (STS OFF), the PCM detects an ON malfunction of starter cut relay 2 circuit and stores a DTC.

Monitor Execution, Sequence, Duration, DTC Type 

Execution Continuous
Sequence None
Duration 5 seconds or more
DTC Type One drive cycle, MIL off

Enable Conditions 

Condition  
Vehicle ON mode

Malfunction Threshold 

The diagnosis line (ST RLY 1 TO 2) input voltage [STARTER CUT RELAY] is less than 2.2 V for at least 5 seconds.

[ ]: HDS Parameter

Possible Cause 

NOTE:  The causes shown may not be a complete list of all potential problems, and it is possible that there may be other causes.

Diagnosis Details 

Conditions for setting the DTC 

When a malfunction is detected, a Pending DTC, a Confirmed DTC, and the freeze data are stored in the PCM memory. The MIL does not come on.

Conditions for clearing the DTC 

The Pending DTC, the Confirmed DTC, and the freeze data can be cleared with the scan tool Clear command or by disconnecting the 12 volt battery.