LEMON Manuals: Even more car manuals for everyone: 1960-2025
Home >> Honda >> 2021 >> Clarity Plug-In Hybrid Touring >> Repair and Diagnosis >> Accessories & Equipment >> Anti-Theft Systems >> Security System / Keyless Entry System - Testing & Troubleshooting - (Plug-In) >> Circuit Diagram >> Keyless/Power Door Locks/Security System
April 5, 2026: LEMON Manuals is launched! Read the announcement.

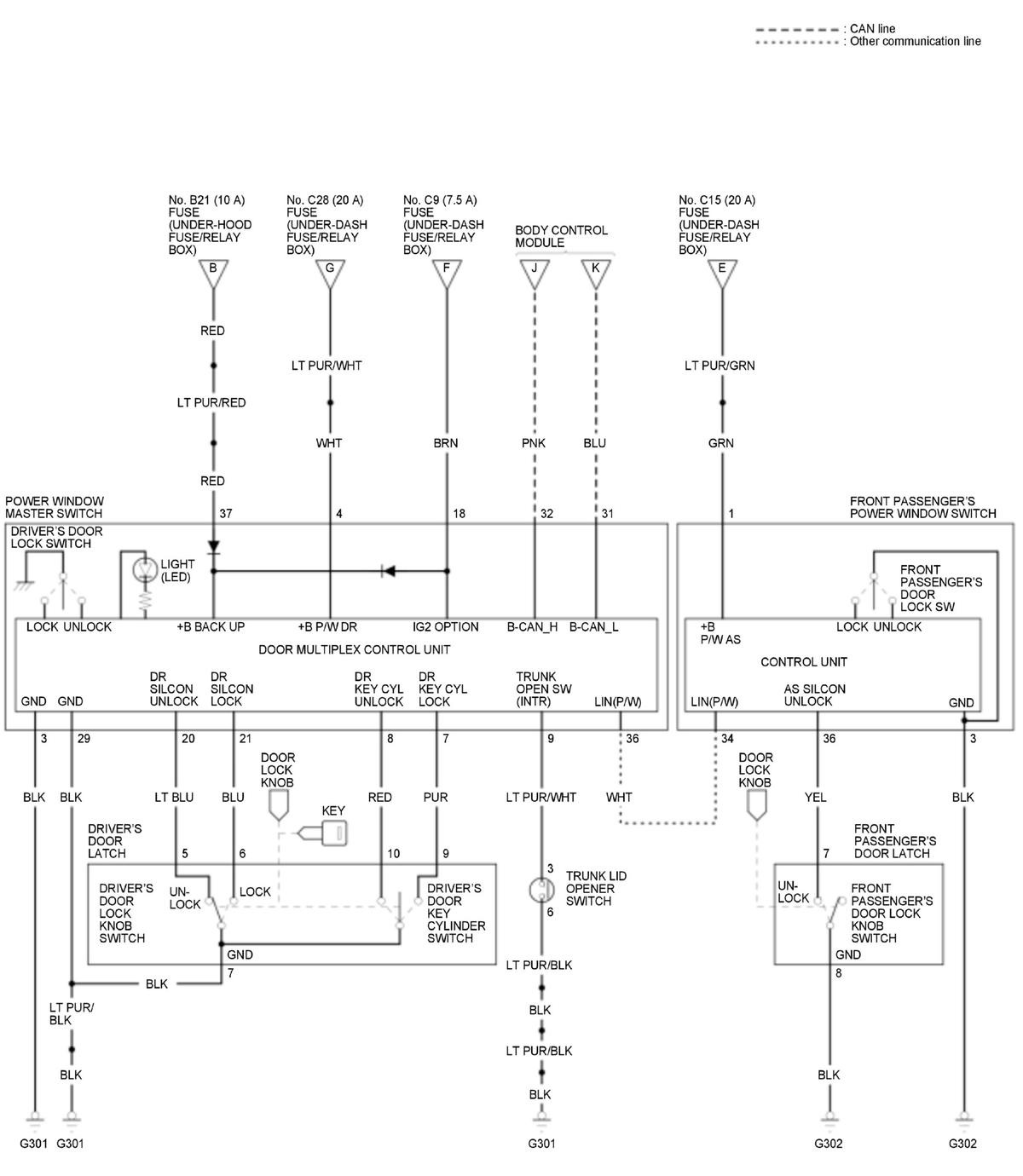
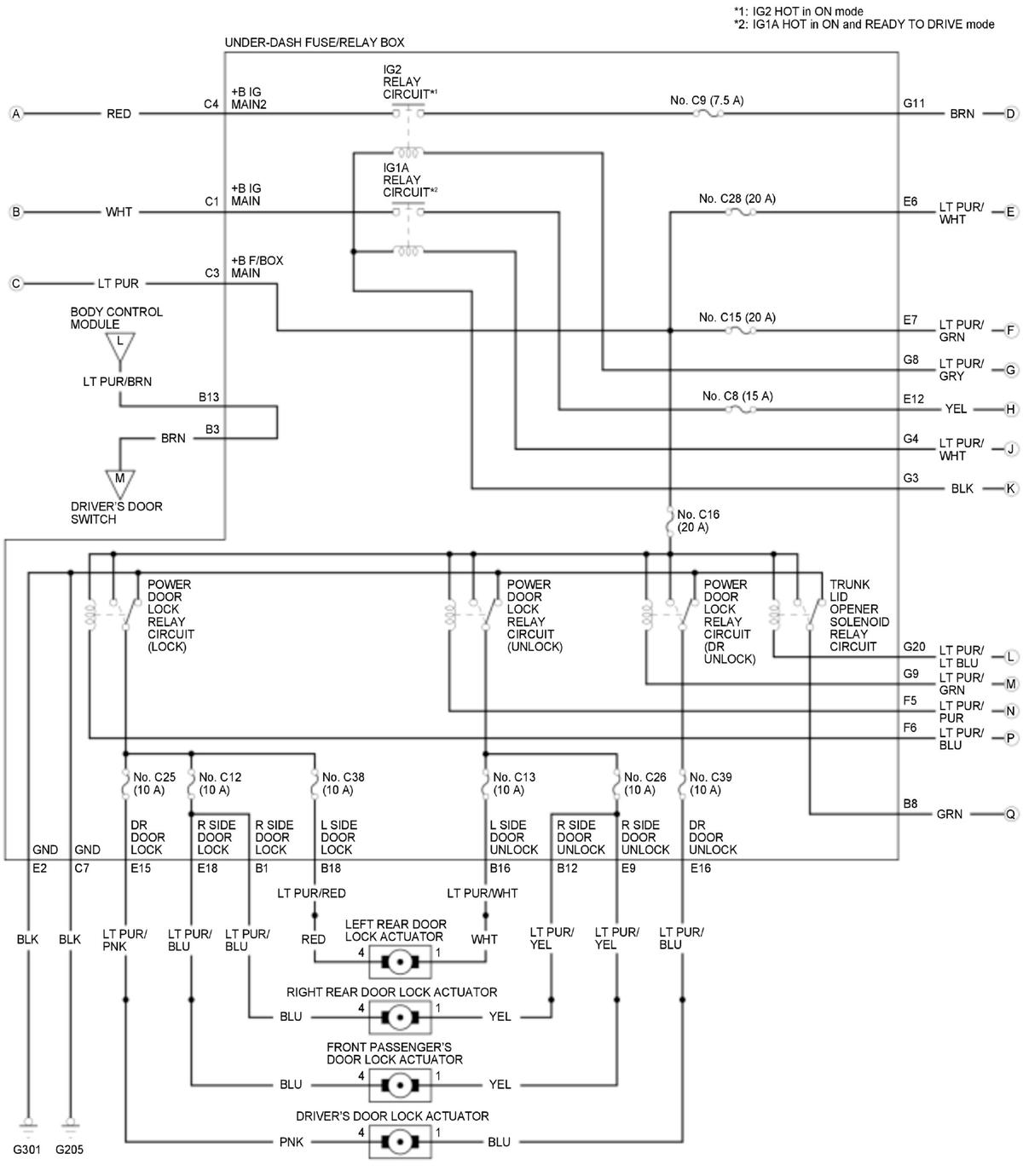
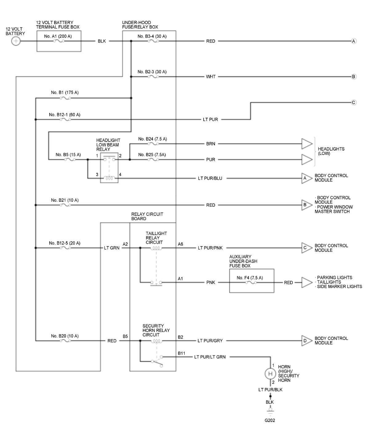
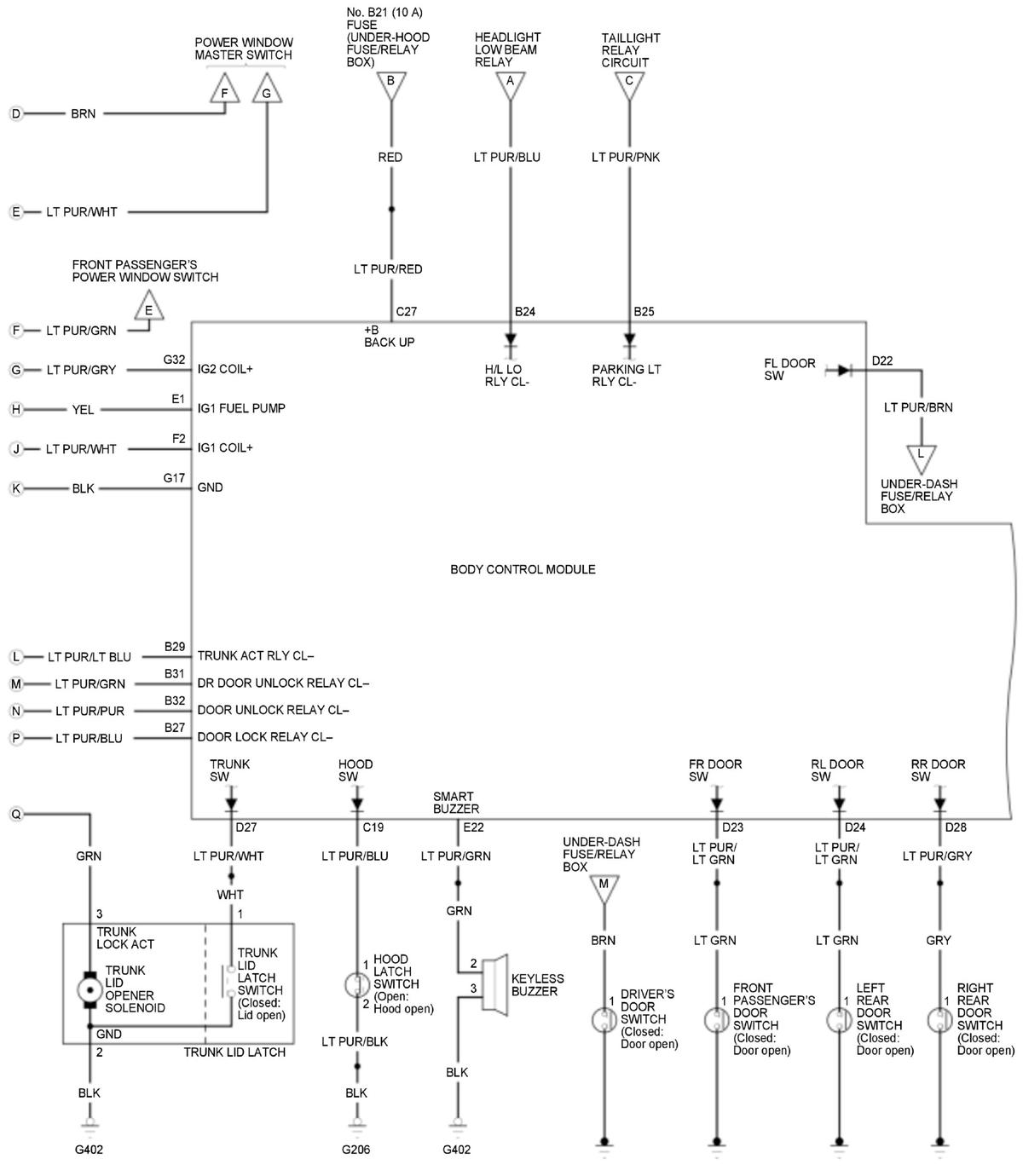
Keyless/Power Door Locks/Security System

GHH420607Courtesy of HONDA, U.S.A., INC.
GHH420608Courtesy of HONDA, U.S.A., INC.
GHH420609Courtesy of HONDA, U.S.A., INC.
GHH420610Courtesy of HONDA, U.S.A., INC.
GHH420611Courtesy of HONDA, U.S.A., INC.