LEMON Manuals: Even more car manuals for everyone: 1960-2025
Home >> Honda >> 2021 >> Clarity Plug-In Hybrid >> Repair and Diagnosis >> Engine Performance >> System >> Engine Control System - Advanced Diagnostics (P0010 - P0811) (Plug-In) >> Advanced Diagnostics >> DTC P0201, P0202, P0203, P0204
April 5, 2026: LEMON Manuals is launched! Read the announcement.

DTC P0201, P0202, P0203, P0204

DTC P0201:  No. 1 Cylinder Injector Circuit Malfunction

DTC P0202:  No. 2 Cylinder Injector Circuit Malfunction

DTC P0203:  No. 3 Cylinder Injector Circuit Malfunction

DTC P0204:  No. 4 Cylinder Injector Circuit Malfunction

General Description 

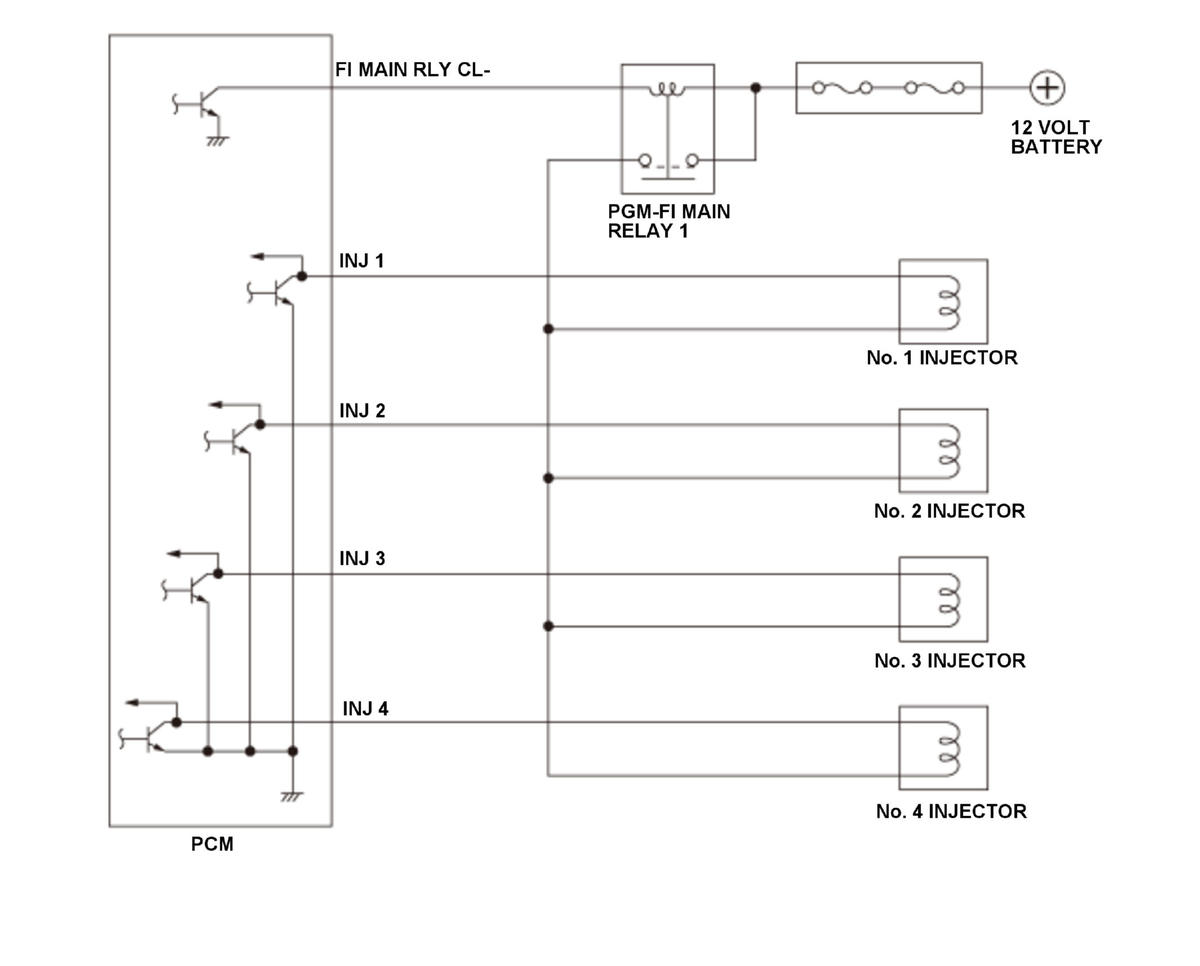
GHH416647Courtesy of HONDA, U.S.A., INC.

The injector supplies fuel to the engine and is controlled by the powertrain control module (PCM) ON/OFF command. In the PCM, the injector driver receives a drive commands from the CPU and drives the injector. The CPU monitors injector currents and return signal from the injector driver to monitor a terminal voltage of PCM. If the monitored conditions are abnormal for a specified time, the PCM detects a malfunction and stores a DTC.

Monitor Execution, Sequence, Duration, DTC Type 

Execution Continuous
Sequence None
Duration -
DTC Type One drive cycle, MIL on

Enable Conditions 

Condition Minimum Maximum
12 volt battery voltage 10 V -
State of the engine Running

Malfunction Threshold 

The return signal from the injector does not change at least 30 times (counts once per engine cycle).

Possible Cause 

NOTE: The causes shown may not be a complete list of all potential problems, and it is possible that there may be other causes.

DTC: P0201 

DTC: P0202 

DTC: P0203 

DTC: P0204 

Common 

Diagnosis Details 

Conditions for setting the DTC 

When a malfunction is detected, the MIL comes on and a Pending DTC, a Confirmed DTC, and the freeze data are stored in the PCM memory.

Conditions for clearing the DTC 

The MIL is cleared if the malfunction does not return in three consecutive trips in which the diagnostic runs. The MIL, the Pending DTC, the Confirmed DTC, and the freeze data can be cleared with the scan tool Clear command.