LEMON Manuals: Even more car manuals for everyone: 1960-2025
Home >> Honda >> 2021 >> Clarity Plug-In Hybrid >> Repair and Diagnosis >> Engine Performance >> System >> Engine Control System - Advanced Diagnostics (P0010 - P0811) (Plug-In) >> Advanced Diagnostics >> DTC P0351, P0352, P0353, P0354
April 5, 2026: LEMON Manuals is launched! Read the announcement.

DTC P0351, P0352, P0353, P0354

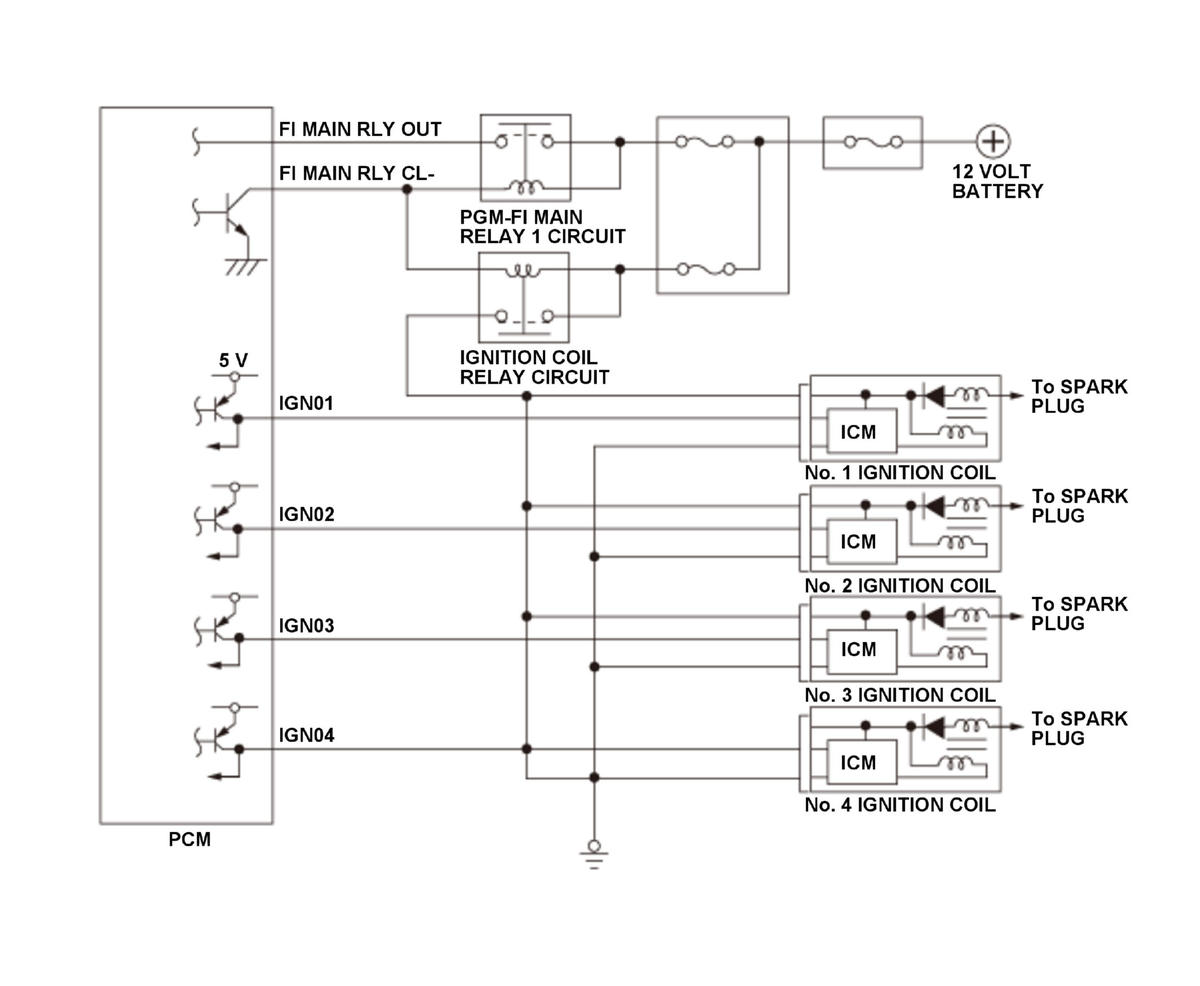
DTC P0351:  No. 1 Cylinder Ignition Coil Circuit Malfunction

DTC P0352:  No. 2 Cylinder Ignition Coil Circuit Malfunction

DTC P0353:  No. 3 Cylinder Ignition Coil Circuit Malfunction

DTC P0354:  No. 4 Cylinder Ignition Coil Circuit Malfunction

General Description 

GHH416671Courtesy of HONDA, U.S.A., INC.

The ignition coil is triggered at the optimum time by the powertrain control module (PCM) ON/OFF command. The PCM detects a malfunction when the engine is running and the return signal does not change for a specified time, the PCM detects a malfunction and stores a DTC.

Monitor Execution, Sequence, Duration, DTC Type 

Execution Continuous
Sequence None
Duration 5 seconds or more (when the engine speed is 700 RPM)
DTC Type One drive cycle, MIL on

Enable Conditions 

Condition  
State of the engine Running

Malfunction Threshold 

The return signal does not change for at least 5 seconds when the ignition coil is triggered.

Possible Cause 

NOTE: The causes shown may not be a complete list of all potential problems, and it is possible that there may be other causes.

DTC: P0351 

DTC: P0352 

DTC: P0353 

DTC: P0354 

Common 

Diagnosis Details 

Conditions for setting the DTC 

When a malfunction is detected, the MIL comes on and a Pending DTC, a Confirmed DTC, and the freeze data are stored in the PCM memory.

Conditions for clearing the DTC 

The MIL is cleared if the malfunction does not return in three consecutive trips in which the diagnostic runs. The MIL, the Pending DTC, the Confirmed DTC, and the freeze data can be cleared with the scan tool Clear command or by disconnecting the 12 volt battery.