LEMON Manuals: Even more car manuals for everyone: 1960-2025
Home >> Honda >> 2021 >> Clarity Plug-In Hybrid >> Repair and Diagnosis >> Steering >> Power Steering >> Steering System - Testing & Troubleshooting (Plug-In) >> Circuit Diagram >> EPS Circuit Diagram
April 5, 2026: LEMON Manuals is launched! Read the announcement.

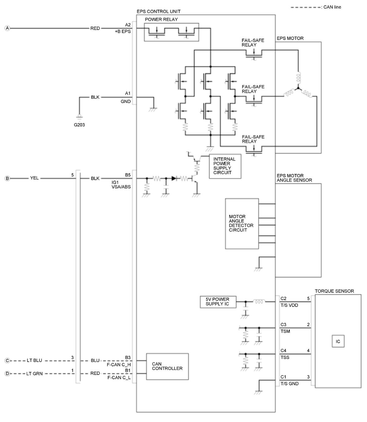
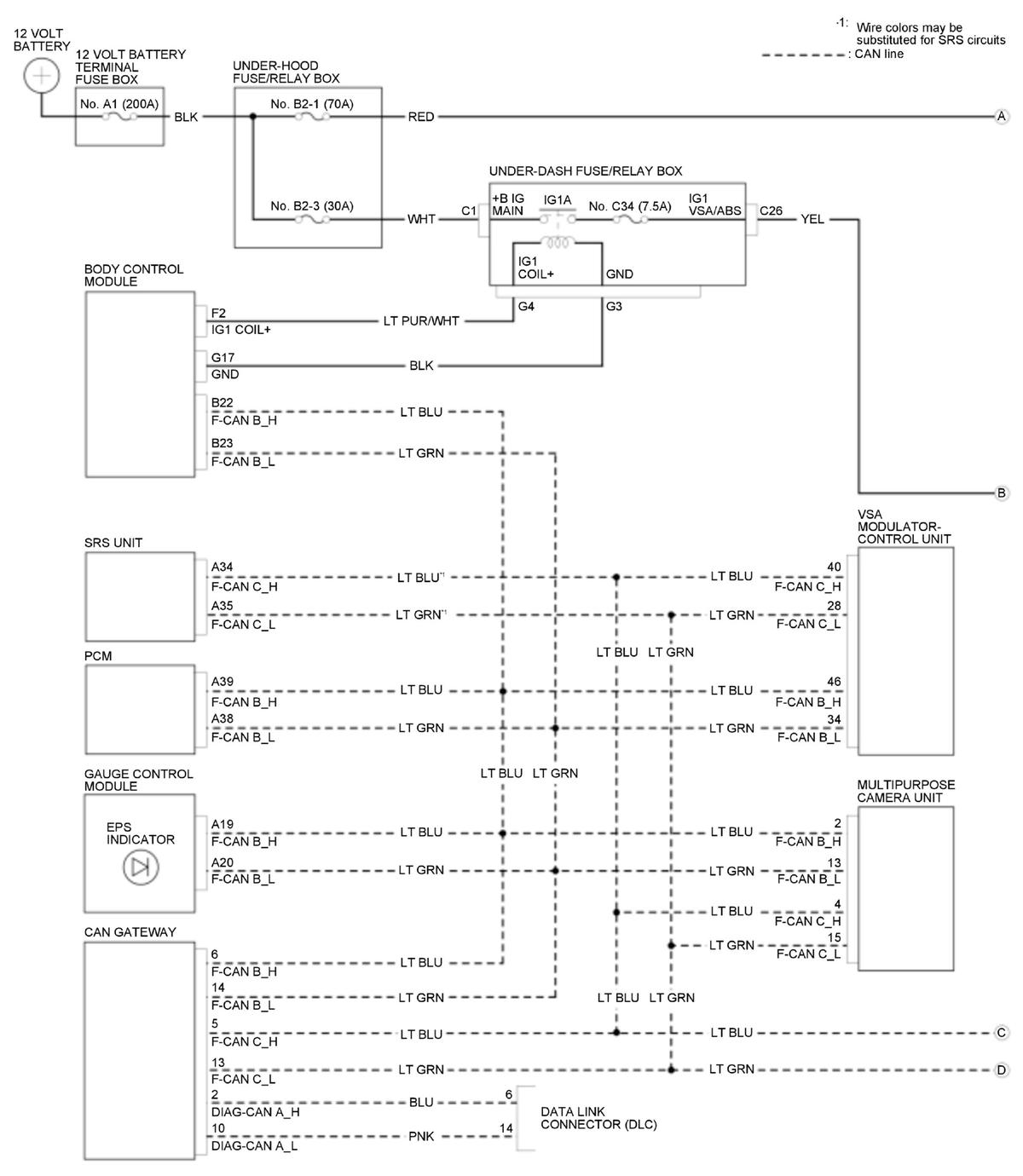
EPS Circuit Diagram

GHH420729Courtesy of HONDA, U.S.A., INC.
GHH420730Courtesy of HONDA, U.S.A., INC.