LEMON Manuals: Even more car manuals for everyone: 1960-2025
Home >> Honda >> 2021 >> HR-V EX, AWD >> Repair and Diagnosis (Single Page) >> Accessories & Equipment >> Anti-Theft Systems >> Security System Keyless Entry System - Testing & Troubleshooting >> Circuit Diagram >> Keyless Access System Circuit Diagram (2019 2020 2021)
April 5, 2026: LEMON Manuals is launched! Read the announcement.

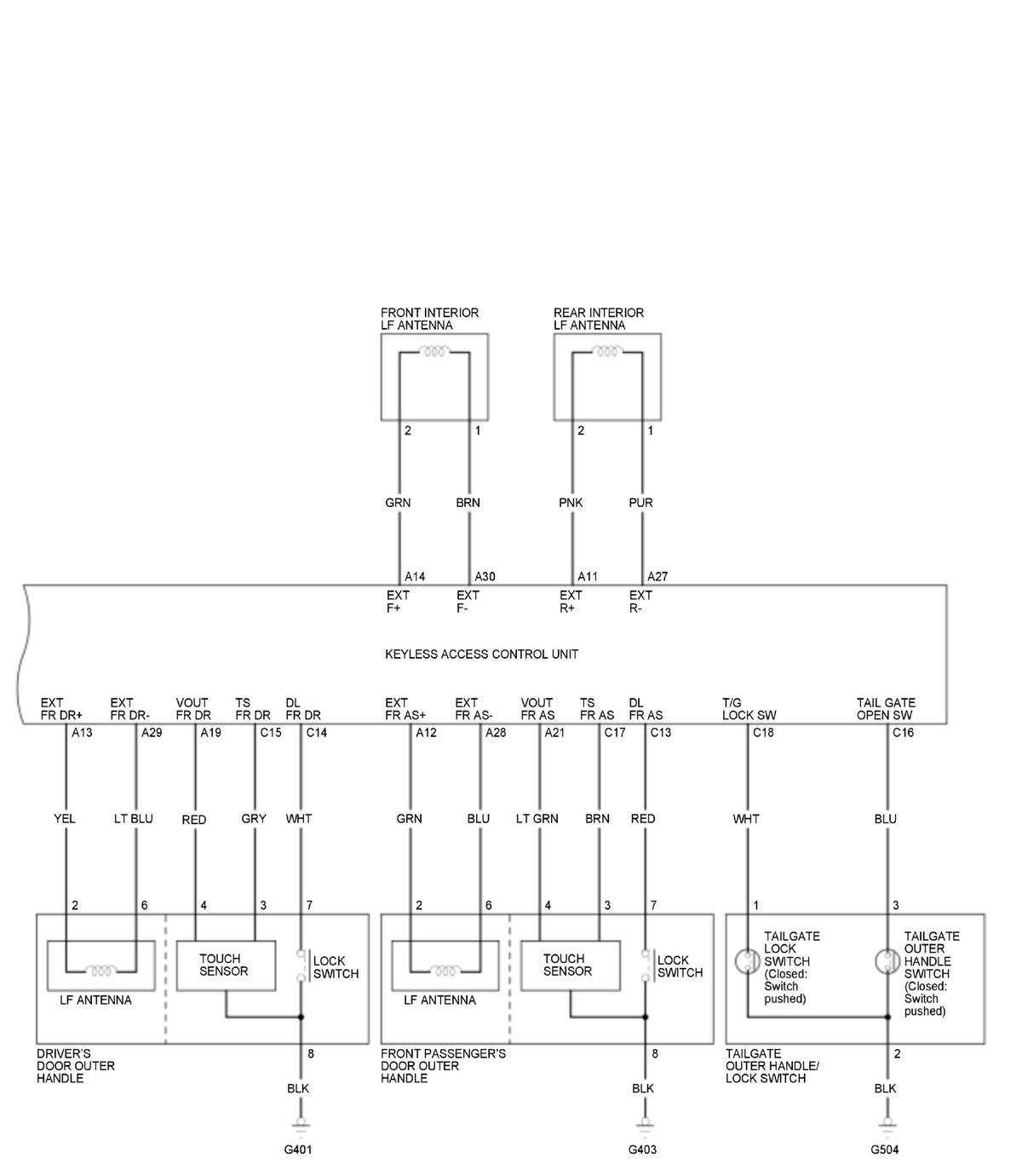
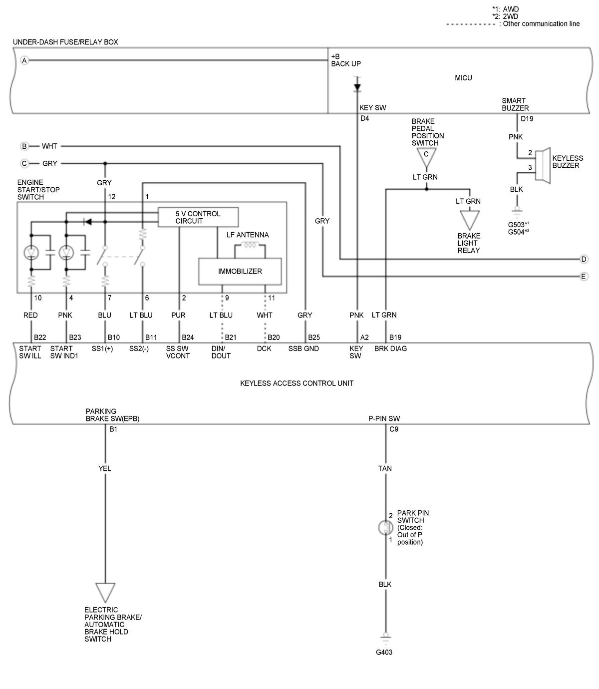
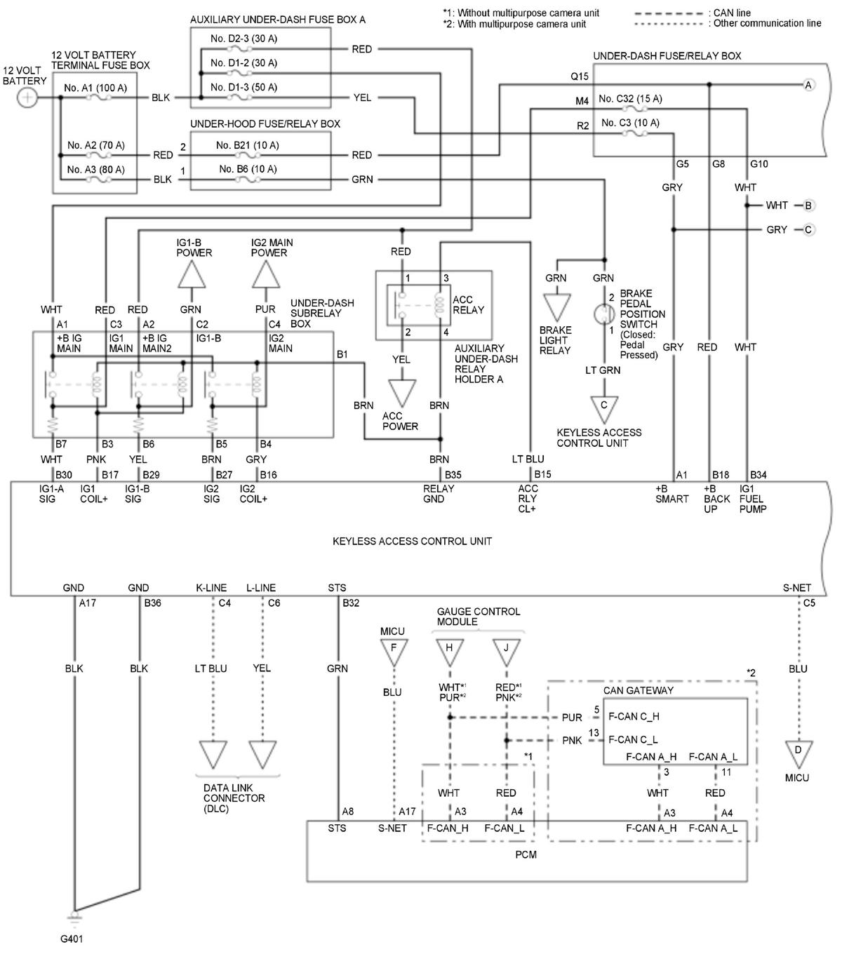
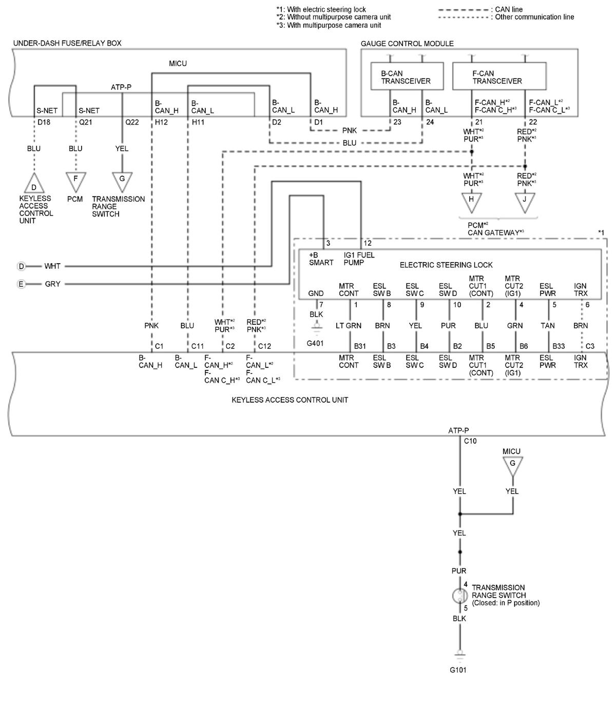
Keyless Access System Circuit Diagram (2019 2020 2021)

GHH438572Courtesy of HONDA, U.S.A., INC.
GHH438573Courtesy of HONDA, U.S.A., INC.
GHH438574Courtesy of HONDA, U.S.A., INC.
GHH438575Courtesy of HONDA, U.S.A., INC.