LEMON Manuals: Even more car manuals for everyone: 1960-2025
Home >> Honda >> 2021 >> HR-V EX, AWD >> Repair and Diagnosis (Single Page) >> Body & Frame >> Door Locks >> Security System Keyless Entry System - Testing & Troubleshooting >> Circuit Diagram >> Keyless/Power Door Locks/Security System Circuit Diagram (2019 2020 2021)
April 5, 2026: LEMON Manuals is launched! Read the announcement.

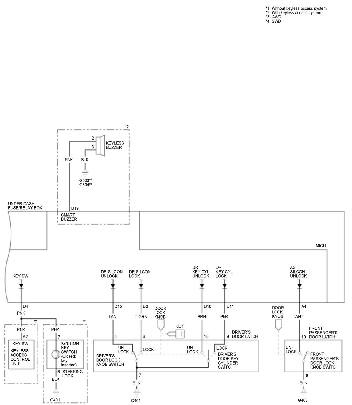
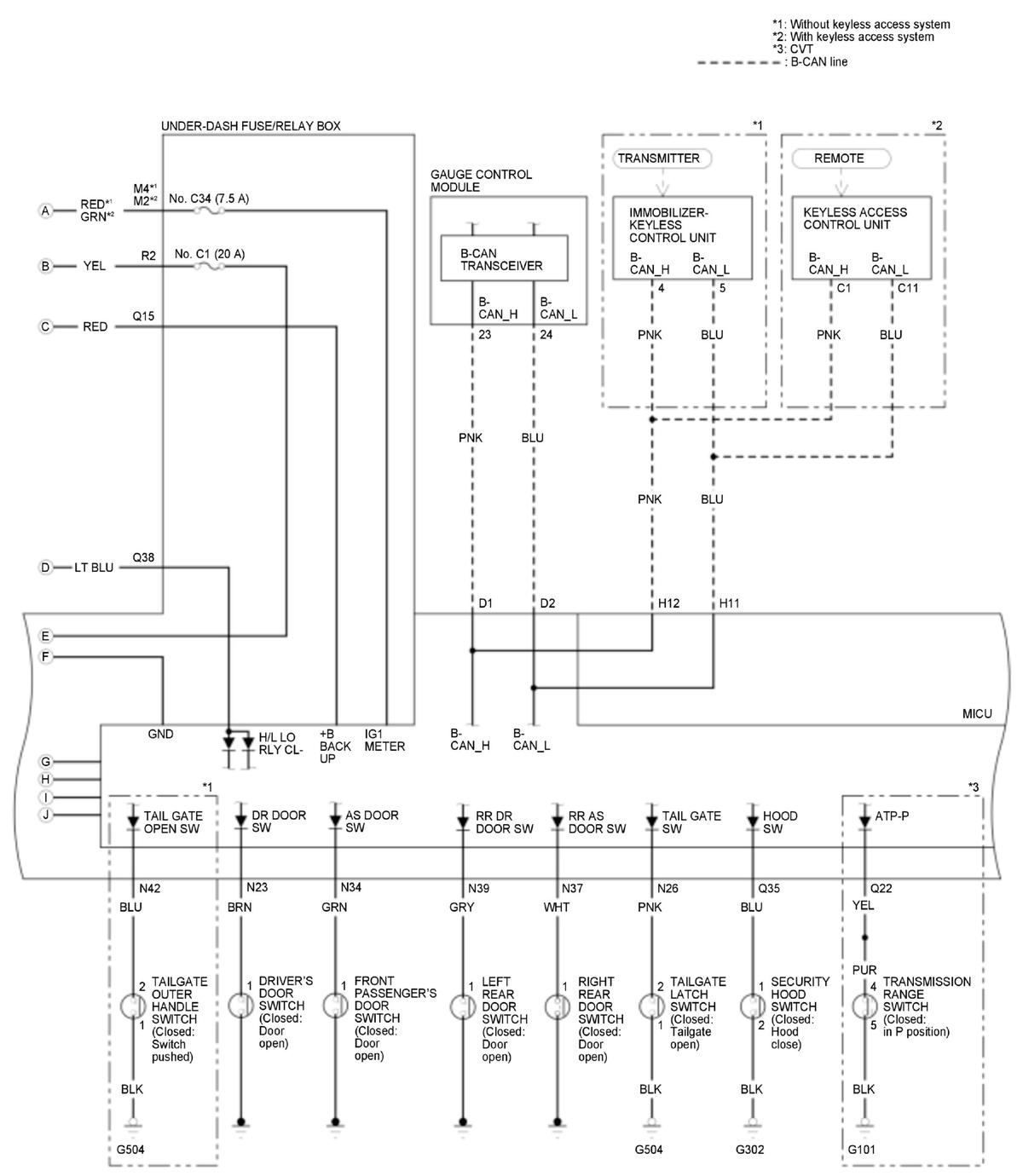
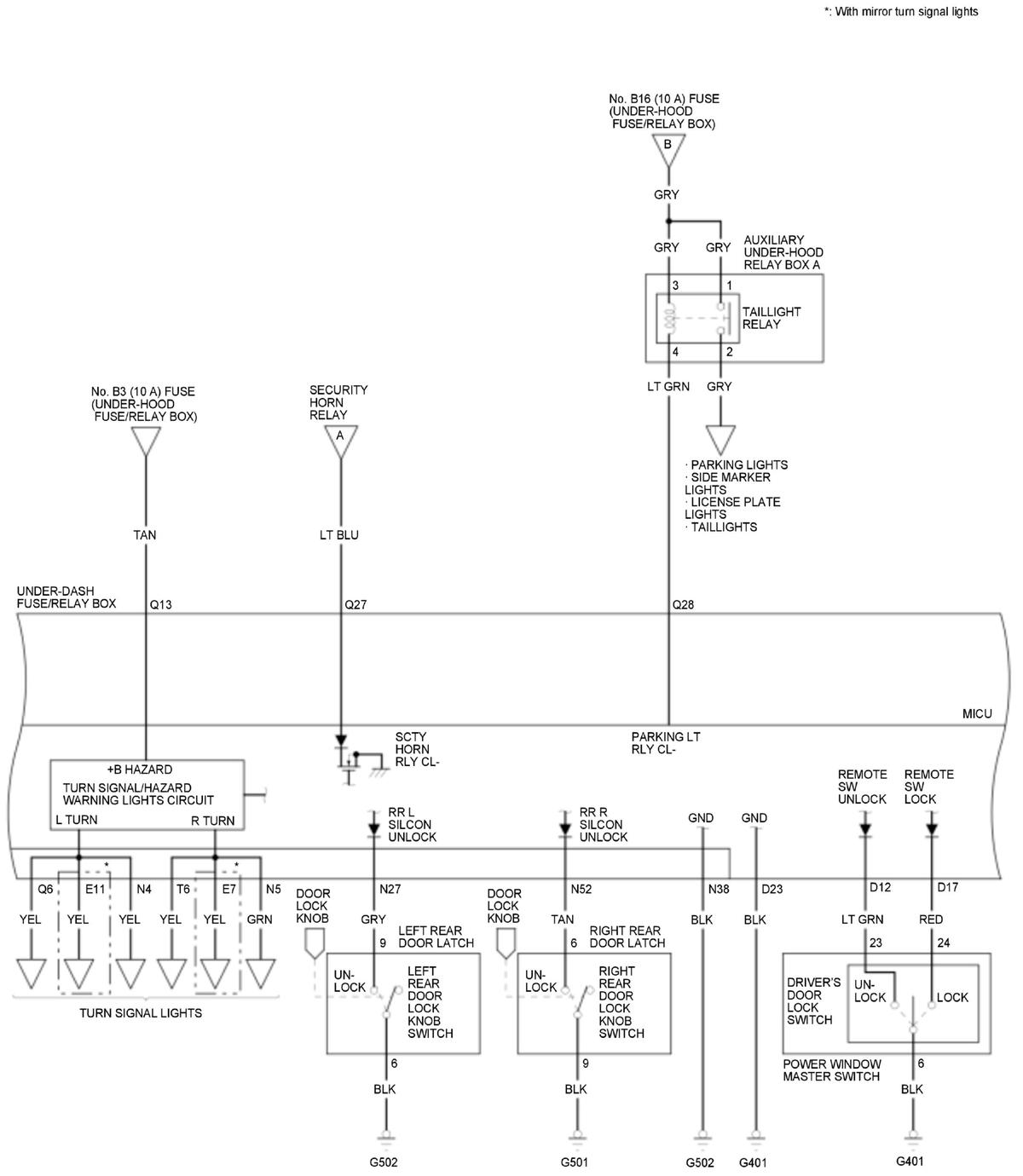
Keyless/Power Door Locks/Security System Circuit Diagram (2019 2020 2021)

GHH438580Courtesy of HONDA, U.S.A., INC.
GHH438581Courtesy of HONDA, U.S.A., INC.
GHH438582Courtesy of HONDA, U.S.A., INC.
GHH438583Courtesy of HONDA, U.S.A., INC.