LEMON Manuals: Even more car manuals for everyone: 1960-2025
Home >> Honda >> 2021 >> Insight EX >> Repair and Diagnosis (Single Page) >> Engine Performance >> System >> Engine Control System - Advanced Diagnostics (2 Of 2) >> Advanced Diagnostics >> DTC P2101 >> General Description
April 5, 2026: LEMON Manuals is launched! Read the announcement.

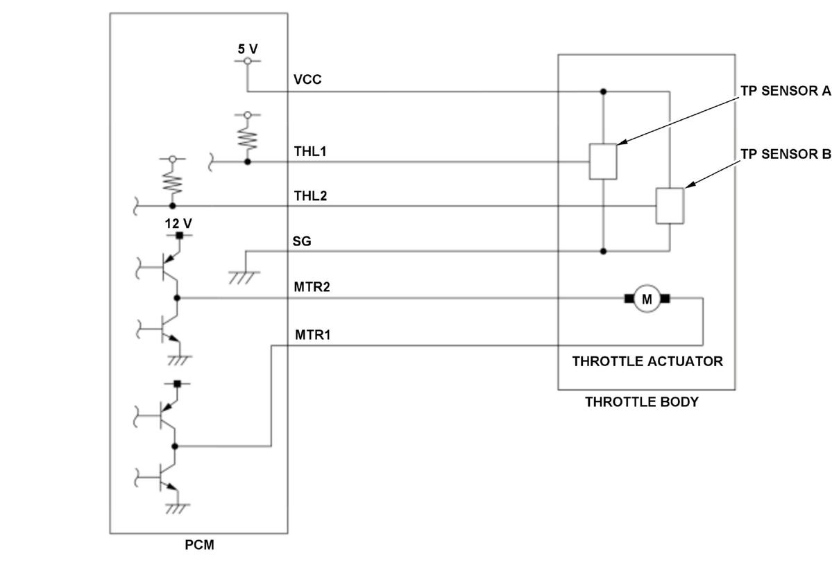
DTC P2101: General Description

GHH384632Courtesy of HONDA, U.S.A., INC.

The electronic throttle control system controls the throttle valve opening. The system includes the throttle actuator, the throttle valve, throttle position (TP) sensors A and B, the PGM-FI subrelay circuit, the accelerator pedal position (APP) sensor A/B, and the powertrain control module (PCM). When the accelerator pedal is pressed, the APP sensor A/B detects the accelerator pedal opening value. The accelerator pedal opening value is converted to a signal in the APP sensor A/B and transmitted to the PCM to compute the target position. The PCM determines the throttle valve target position according to the signal received and operates the throttle actuator to move the throttle valve to the target position. The actual throttle valve position is determined by TP sensor A (installed in the throttle body). The PCM compares the throttle valve target opening angle and the actual throttle valve opening angle from TP sensor A, and when the difference exceeds the specification, the PCM detects the malfunction of the electronic throttle control system and stores a DTC.