LEMON Manuals: Even more car manuals for everyone: 1960-2025
Home >> Honda >> 2021 >> Insight EX >> Repair and Diagnosis (Single Page) >> Transmission >> Automatic Trans >> Automatic Transaxle - Service, Testing & Troubleshooting >> Circuit Diagram >> Gear Unit Control System Circuit Diagram
April 5, 2026: LEMON Manuals is launched! Read the announcement.

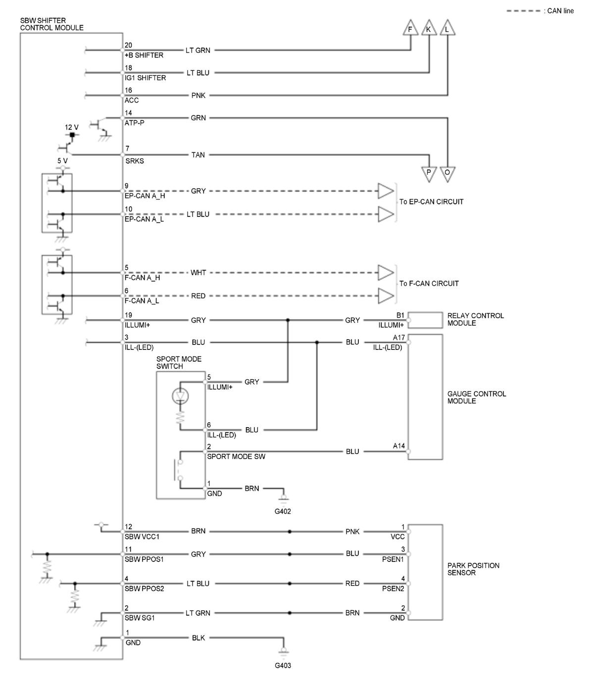
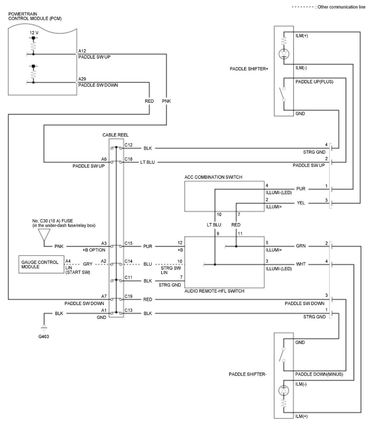
Gear Unit Control System Circuit Diagram

GHH382449Courtesy of HONDA, U.S.A., INC.
GHH382450Courtesy of HONDA, U.S.A., INC.
GHH382451Courtesy of HONDA, U.S.A., INC.
GHH382452Courtesy of HONDA, U.S.A., INC.
GHH382453Courtesy of HONDA, U.S.A., INC.