LEMON Manuals: Even more car manuals for everyone: 1960-2025
Home >> Honda >> 2021 >> Insight EX >> Repair and Diagnosis >> Electrical >> Charging Systems >> Battery Management System - Diagnostics (1 Of 2) >> DTC Advanced Diagnostics >> DTC U12A5 (Battery Condition Monitor Module)
April 5, 2026: LEMON Manuals is launched! Read the announcement.

DTC U12A5 (Battery Condition Monitor Module)

DTC U12A5:  EP-CAN Malfunction (Battery Condition Monitor Module - Generator Motor Control Module)

General Description 

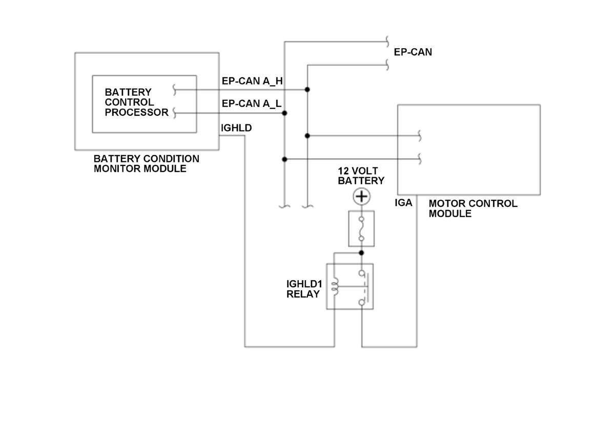
GHH382881Courtesy of HONDA, U.S.A., INC.

The controller area network (CAN) transmits/receives pulsing signals to/from the control modules simultaneously by using two signal lines (H line and L line). When the battery control processor in the battery condition monitor module does not receive the signals from the motor control module via the EP-CAN lines or the received data is abnormal for a specified time, a malfunction is detected and a DTC is stored.

Monitor Execution, Sequence, Duration, DTC Type 

Execution Continuous
Sequence None
Duration 2.0 seconds or more
DTC Type One drive cycle, MIL on, POWER SYSTEM indicator on

Enable Conditions 

Condition Minimum Maximum
Elapsed time since the 12 volt battery voltage reaches to a specified value after the vehicle condition is turned to the ON mode 5.0 seconds -
12 volt battery voltage 10.2 V -

Malfunction Threshold 

One of these conditions is met:

Possible Cause 

NOTE:  The causes shown may not be a complete list of all potential problems, and it is possible that there may be other causes.

Diagnosis Details 

Conditions for setting the DTC 

When a malfunction is detected, the MIL comes on and a Pending DTC, a Confirmed DTC, and the freeze data are stored in the battery condition monitor module memory.

Conditions for clearing the DTC 

The MIL is cleared if the malfunction does not return in three consecutive trips in which the diagnostic runs. The MIL, the Pending DTC, the Confirmed DTC, and the freeze data can be cleared with the scan tool Clear command.