DTC U1604 (Battery Condition Monitor Module)
DTC U1604: F-CAN Malfunction (Battery Condition Monitor Module - Traction Motor Control Module)
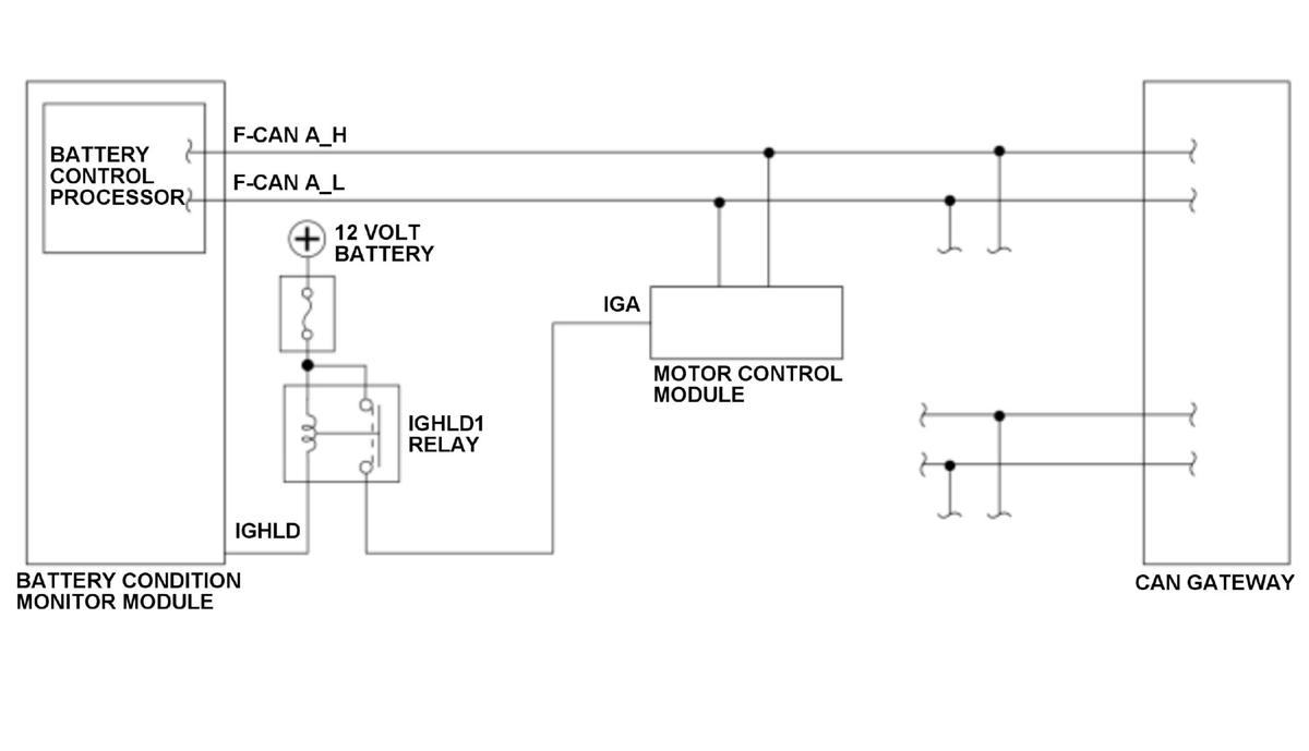
General Description
The controller area network (CAN) transmits/receives pulsing signals to/from the control modules simultaneously by using two signal lines (H line and L line). When the battery control processor in the battery condition monitor module does not receive the signals from the motor control module via the F-CAN lines or the received data is abnormal for a specified time, a malfunction is detected and a DTC is stored.
Monitor Execution, Sequence, Duration, DTC Type
| Execution | Continuous |
| Sequence | None |
| Duration | 2.0 seconds or more |
| DTC Type | Two drive cycles, MIL off, POWER SYSTEM indicator on |
Enable Conditions
| Condition | Minimum | Maximum |
|---|---|---|
| Elapsed time since the 12 volt battery voltage reaches to a specified value after the vehicle condition is turned to the ON mode | 5.0 seconds | - |
| 12 volt battery voltage | 10.2 V | - |
Malfunction Threshold
One of these conditions is met:
- The battery control processor does not receive any signals via the F-CAN lines for at least 2.0 seconds.
- The information sent from the motor control module is abnormal at least 2.0 seconds.
Possible Cause
NOTE: The causes shown may not be a complete list of all potential problems, and it is possible that there may be other causes.
- F-CAN circuit F-CAN A_H line open
- F-CAN circuit F-CAN A_L line open
- F-CAN circuit F-CAN A_H line short
- F-CAN circuit F-CAN A_L line short
- IGHLD1 relay IGHLD line open
- IGHLD1 relay IGA line open
- IGHLD1 relay stuck off
- Motor control module failure
- Battery condition monitor module failure
Diagnosis Details
Conditions for setting the DTC
When a malfunction is detected during the first drive cycle, a Pending DTC is stored is the battery condition monitor module memory. If the malfunction returns in the next (second) drive cycle, the POWER SYSTEM indicator comes on and a Confirmed DTC and the freeze data are stored. The MIL does not come on.
Conditions for clearing the DTC
The POWER SYSTEM indicator is cleared if the malfunction does not return in the next trip in which the diagnostic runs. The POWER SYSTEM indicator, the Pending DTC, the Confirmed DTC, and the freeze data can be cleared with the scan tool Clear command.