LEMON Manuals: Even more car manuals for everyone: 1960-2025
Home >> Honda >> 2021 >> Insight EX >> Repair and Diagnosis >> Engine Performance >> System >> Engine Control System - Advanced Diagnostics (2 Of 2) >> Advanced Diagnostics >> DTC P2135 >> General Description
April 5, 2026: LEMON Manuals is launched! Read the announcement.

DTC P2135: General Description

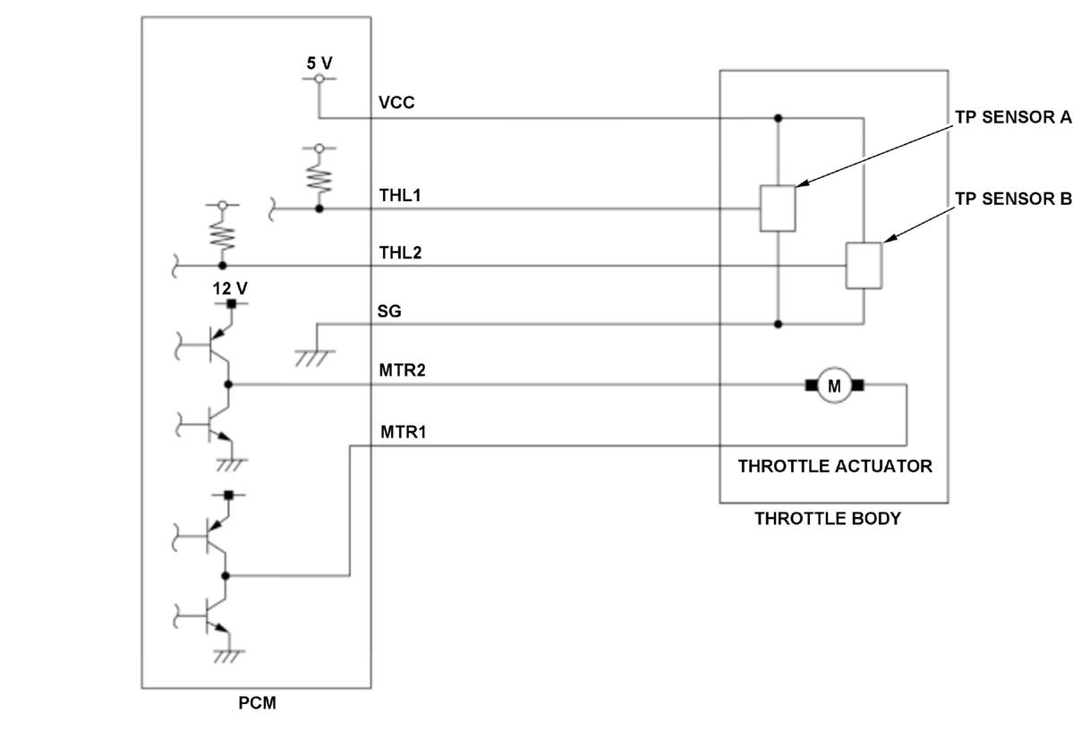
GHH384638Courtesy of HONDA, U.S.A., INC.
GHH384639Courtesy of HONDA, U.S.A., INC.

The electronic throttle control system controls the throttle valve opening. The system includes the throttle actuator, the throttle valve, throttle position (TP) sensors A and B, the PGM-FI subrelay circuit, the accelerator pedal position (APP) sensor A/B, and the powertrain control module (PCM). When the accelerator pedal is pressed, the APP sensor A/B detects the accelerator pedal opening value. The accelerator pedal opening value is converted to a signal in the APP sensor A/B and transmitted to the PCM to compute the target position. The PCM then operates the throttle actuator to move the throttle valve to the target position. The actual throttle valve position is determined by TP sensor A (installed in the throttle body). The PCM adds the TP sensor A and TP sensor B values, and compares the addition value with 5 V. If the deviation exceeds a certain value for a specified time, the PCM detects a malfunction in the relationship between TP sensor A and TP sensor B, and stores a DTC.