LEMON Manuals: Even more car manuals for everyone: 1960-2025
Home >> Honda >> 2021 >> Odyssey EX >> Repair and Diagnosis (Single Page) >> Accessories & Equipment >> Anti-Theft Systems >> Security System / Keyless Entry System - Testing & Troubleshooting >> Circuit Diagram >> Keyless Access System Circuit Diagram
April 5, 2026: LEMON Manuals is launched! Read the announcement.

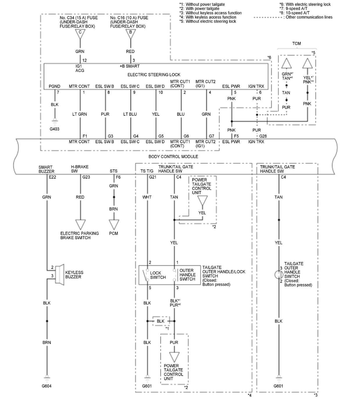
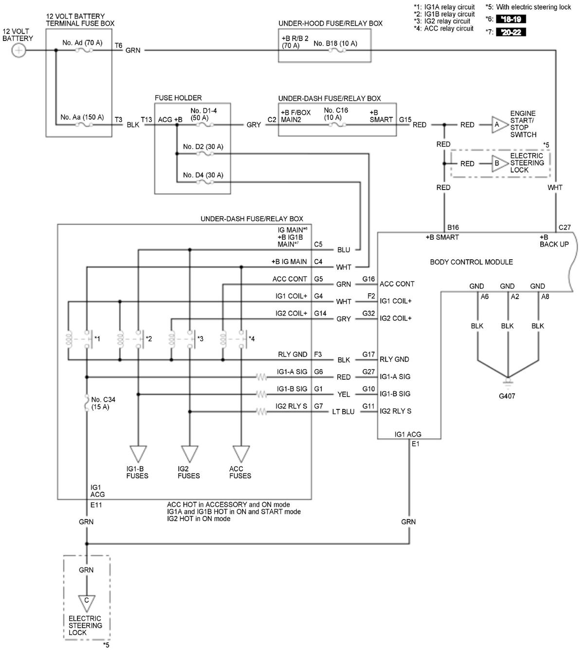
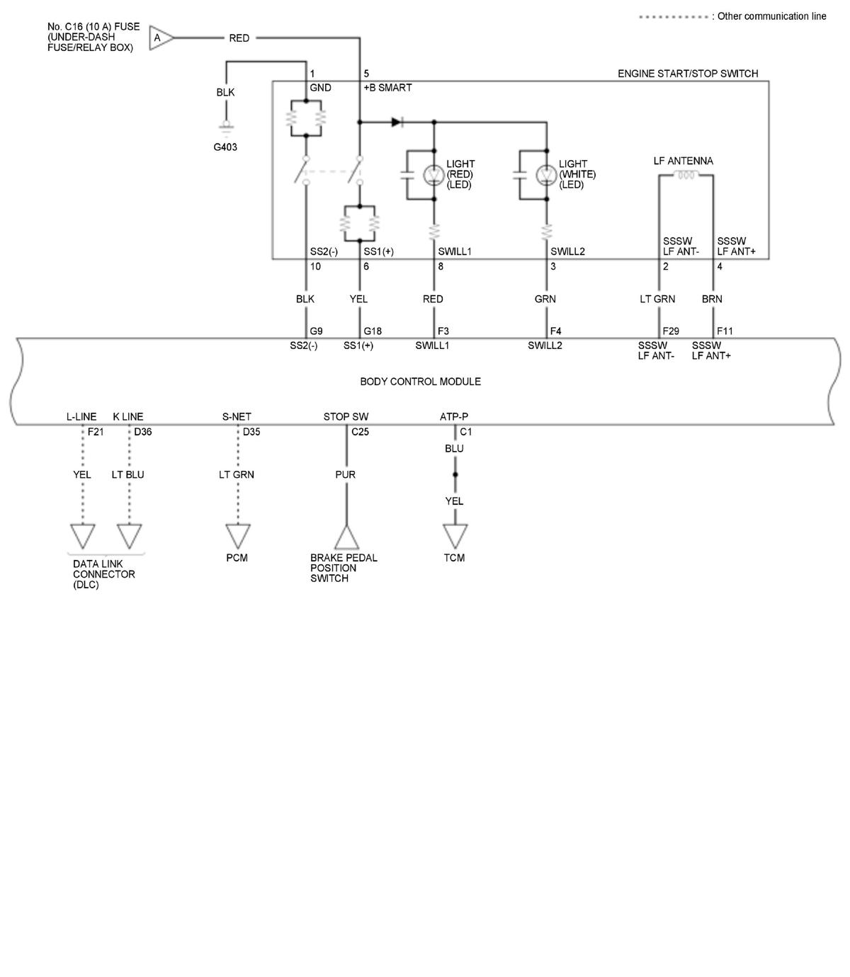
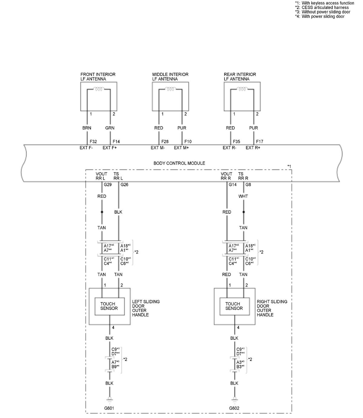
Keyless Access System Circuit Diagram

GHH447339Courtesy of HONDA, U.S.A., INC.
GHH447340Courtesy of HONDA, U.S.A., INC.
GHH447341Courtesy of HONDA, U.S.A., INC.
GHH447342Courtesy of HONDA, U.S.A., INC.
GHH447343Courtesy of HONDA, U.S.A., INC.
GHH447344Courtesy of HONDA, U.S.A., INC.