LEMON Manuals: Even more car manuals for everyone: 1960-2025
Home >> Honda >> 2021 >> Odyssey EX >> Repair and Diagnosis (Single Page) >> Accessories & Equipment >> Communication Devices >> Integrated Control Systems - Testing & Troubleshooting >> Circuit Diagram >> Driving Position Memory System (DPMS) Circuit Diagram
April 5, 2026: LEMON Manuals is launched! Read the announcement.

Driving Position Memory System (DPMS) Circuit Diagram

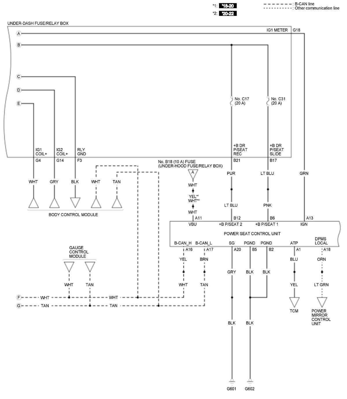
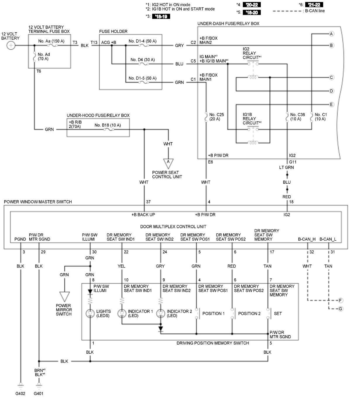
Driver's Power Seat 

GHH445752Courtesy of HONDA, U.S.A., INC.
GHH445753Courtesy of HONDA, U.S.A., INC.
GHH445754Courtesy of HONDA, U.S.A., INC.

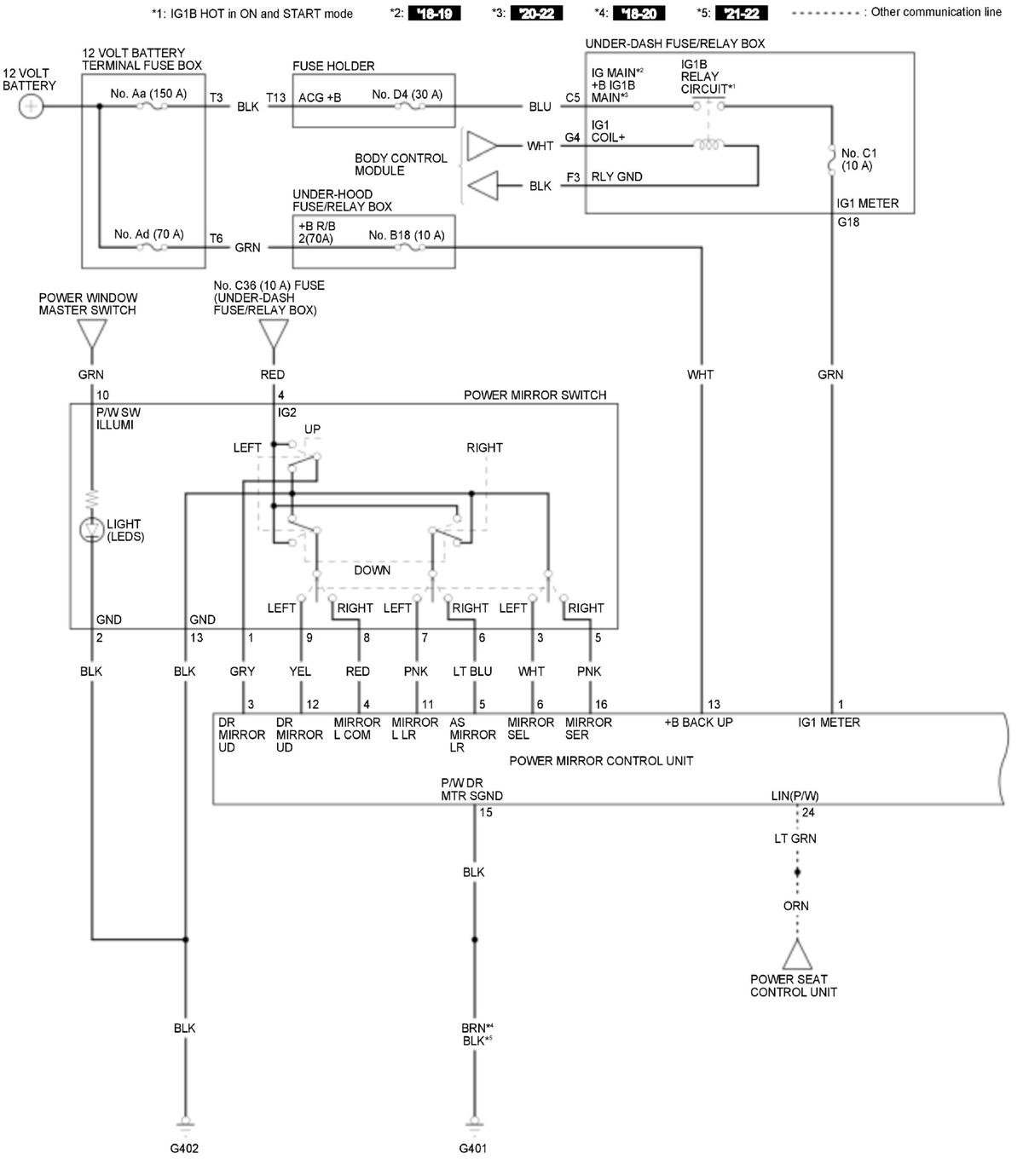
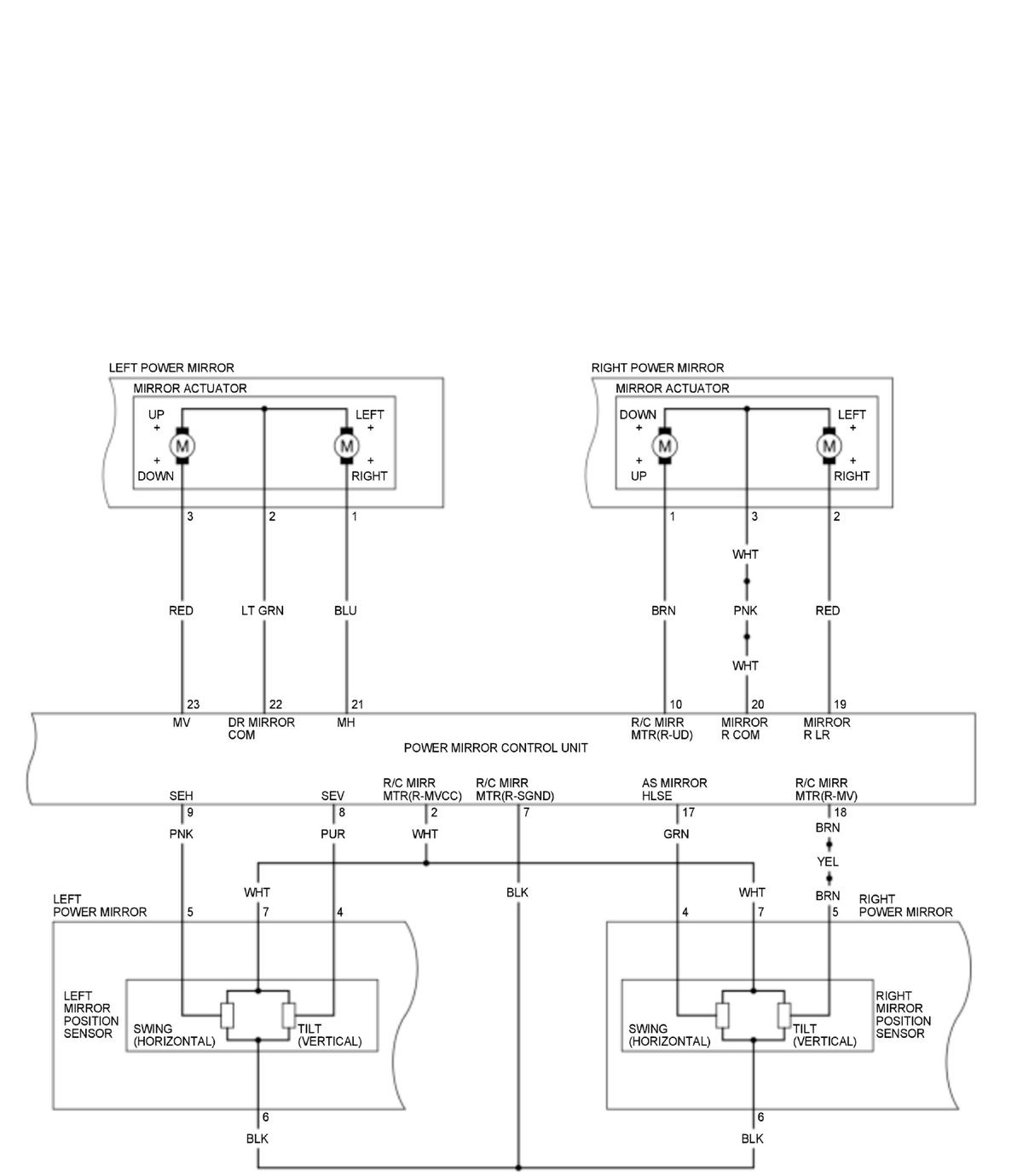
Power Mirror 

GHH445755Courtesy of HONDA, U.S.A., INC.
GHH445756Courtesy of HONDA, U.S.A., INC.