LEMON Manuals: Even more car manuals for everyone: 1960-2025
Home >> Honda >> 2021 >> Odyssey EX >> Repair and Diagnosis (Single Page) >> Body & Frame >> Door Locks >> Security System / Keyless Entry System - Testing & Troubleshooting >> Circuit Diagram >> Keyless/Power Door Locks/Security System Circuit Diagram
April 5, 2026: LEMON Manuals is launched! Read the announcement.

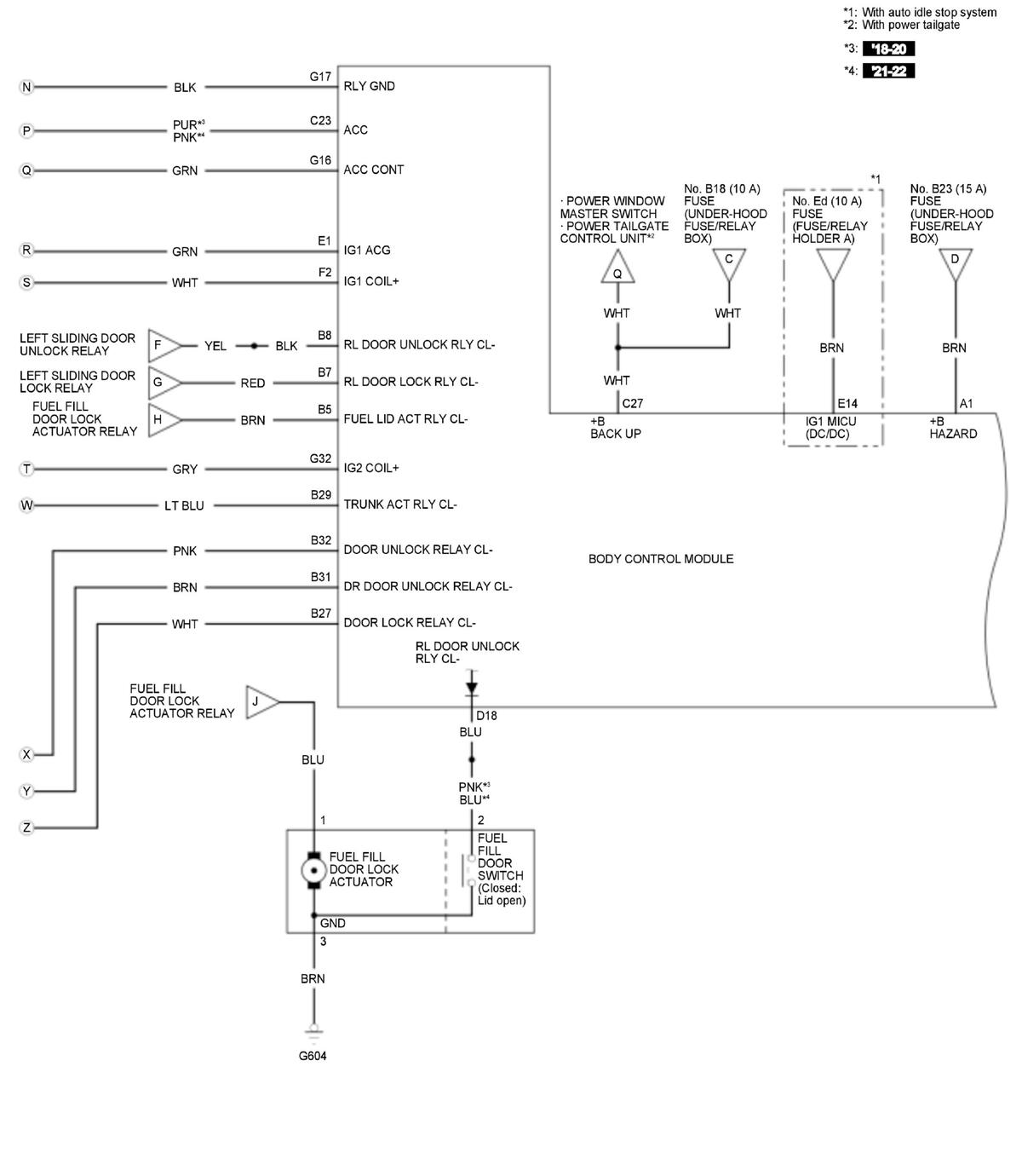
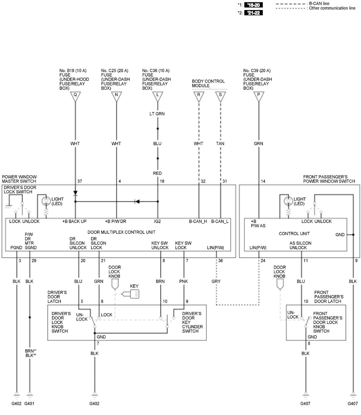
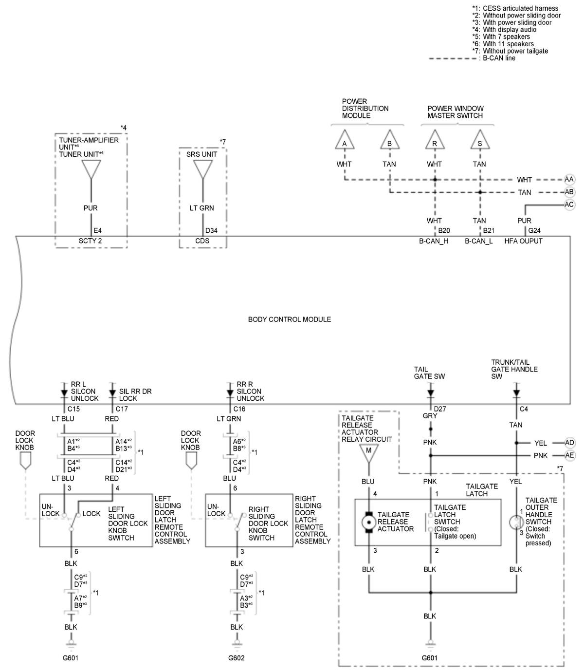
Keyless/Power Door Locks/Security System Circuit Diagram

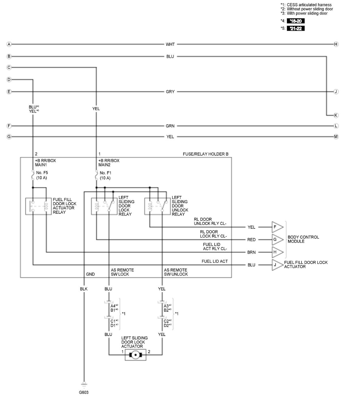
GHH447345Courtesy of HONDA, U.S.A., INC.
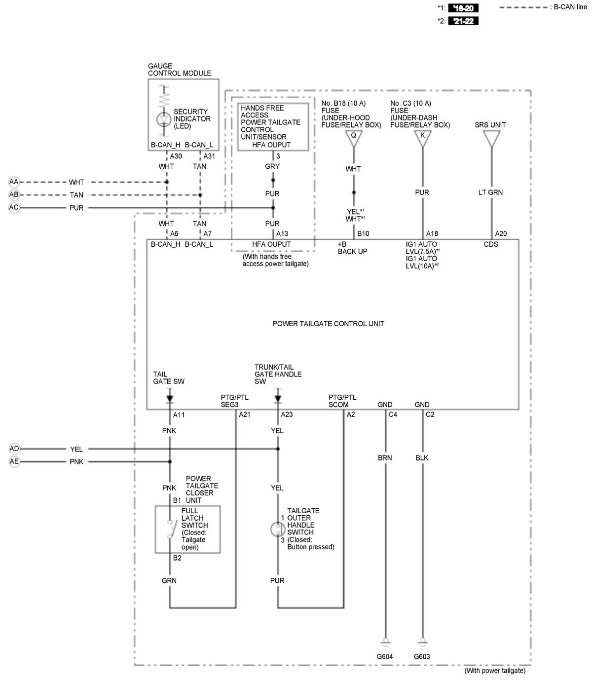
GHH447346Courtesy of HONDA, U.S.A., INC.
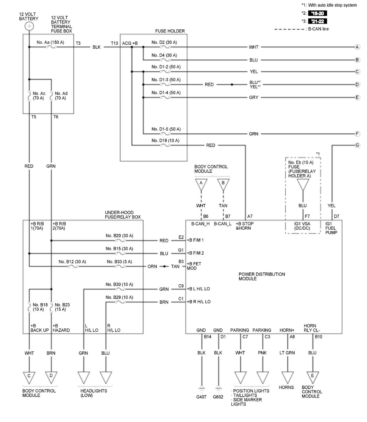
GHH447347Courtesy of HONDA, U.S.A., INC.
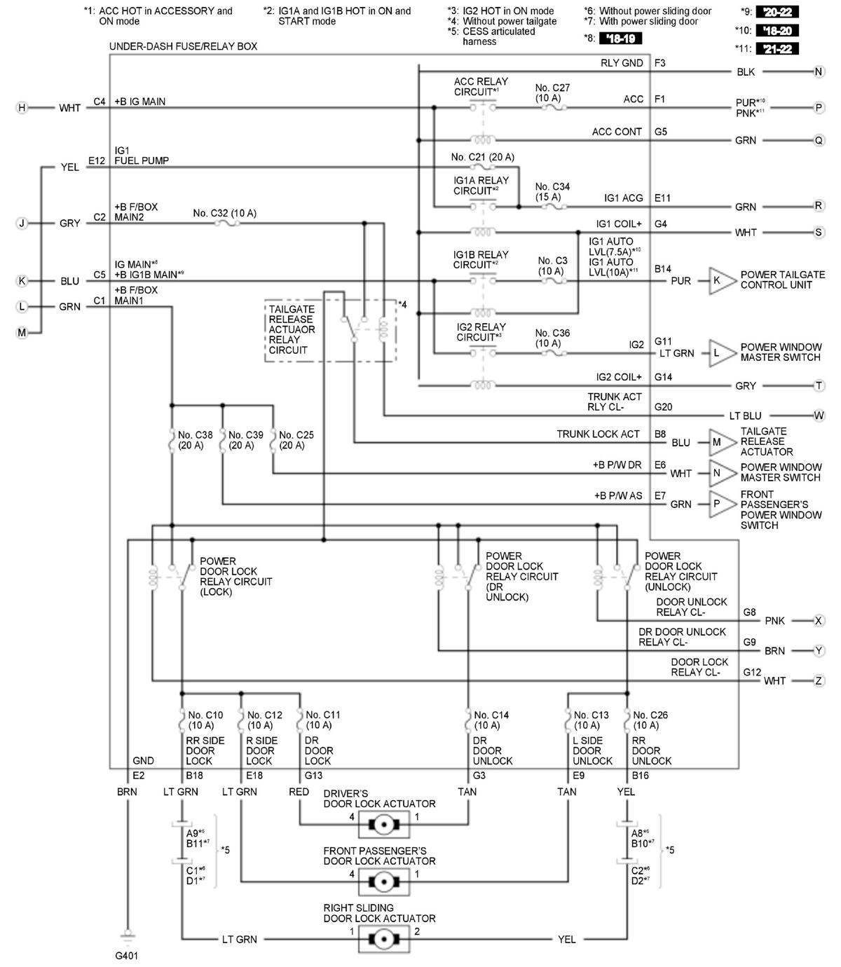
GHH447348Courtesy of HONDA, U.S.A., INC.
GHH447349Courtesy of HONDA, U.S.A., INC.
GHH447350Courtesy of HONDA, U.S.A., INC.
GHH447351Courtesy of HONDA, U.S.A., INC.
GHH447352Courtesy of HONDA, U.S.A., INC.