LEMON Manuals: Even more car manuals for everyone: 1960-2025
Home >> Honda >> 2021 >> Odyssey EX >> Repair and Diagnosis (Single Page) >> Engine Performance >> Engine Control Systems >> Engine Control System / Engine Mechanical - Service, Testing And Troubleshooting >> Description & Operation >> PGM-FI System Description
April 5, 2026: LEMON Manuals is launched! Read the announcement.

PGM-FI System Description

For locations of each component on vehicle, refer to Component Location Index

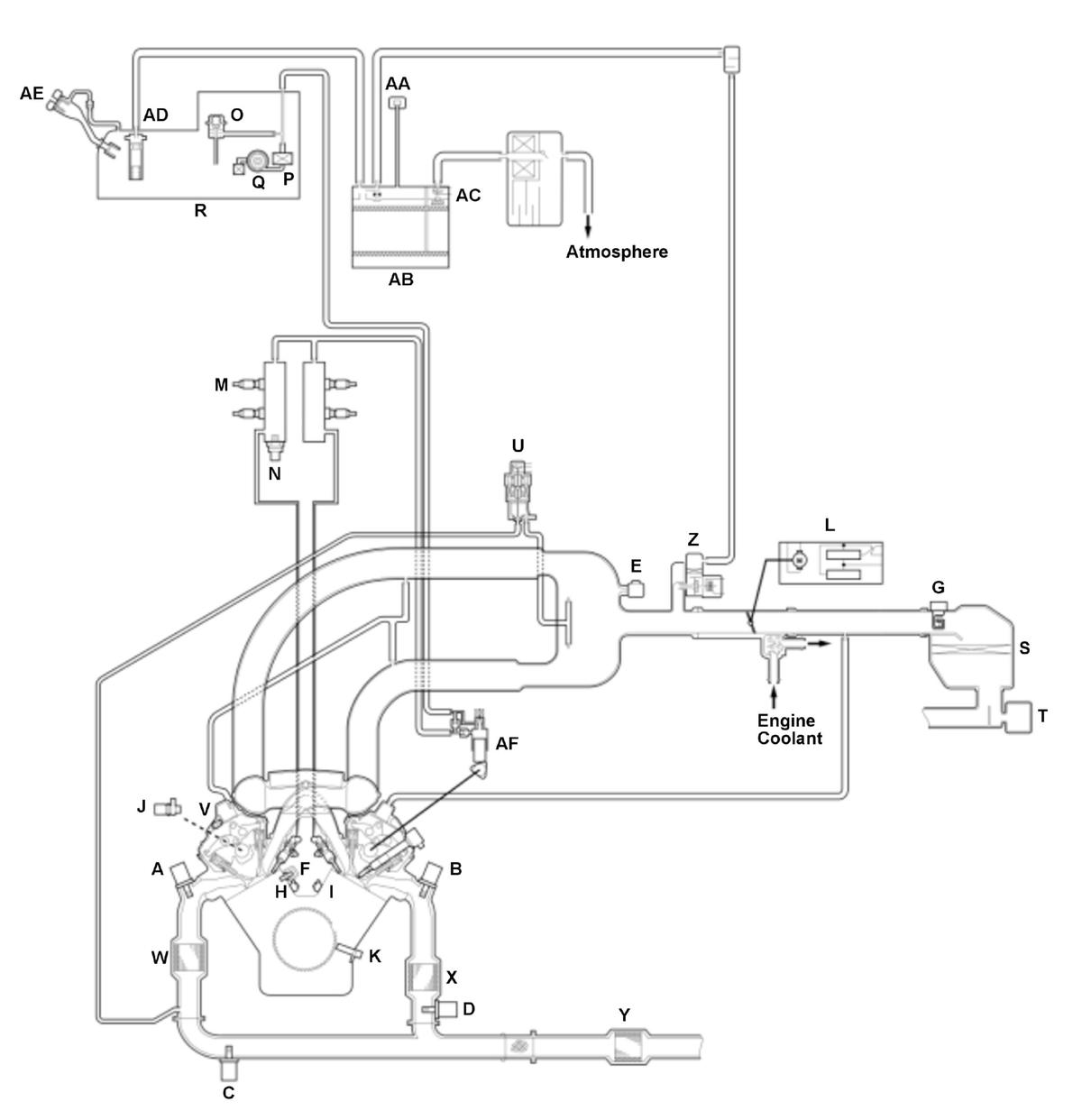
Components (KA, KC) 

GHH444050Courtesy of HONDA, U.S.A., INC.
A FRONT A/F SENSOR (BANK 2, SENSOR 1) Q FUEL PUMP
B REAR A/F SENSOR (BANK 1, SENSOR 1) R FUEL TANK
C FRONT SECONDARY HO2S (BANK 2, SENSOR 2) S AIR CLEANER
D REAR SECONDARY HO2S (BANK 1, SENSOR 2) T INTAKE AIR RESONATOR
E MAP SENSOR U EGR VALVE
F ECT SENSOR 1 V PCV VALVE
G MAF SENSOR/IAT SENSOR W FRONT WU-TWC (BANK 2)
H KNOCK SENSOR 2 (BANK 2) X REAR WU-TWC (BANK 1)
I KNOCK SENSOR 1 (BANK 1) Y UNDER-FLOOR TWC
J CMP SENSOR Z EVAP CANISTER PURGE VALVE
K CKP SENSOR AA FTP SENSOR
L THROTTLE BODY AB EVAP CANISTER
M FUEL INJECTOR AC EVAP CANISTER VENT SHUT VALVE
N FUEL RAIL PRESSURE SENSOR AD FUEL TANK VAPOR CONTROL VALVE
O FUEL PRESSURE REGULATOR AE MIS-FUEL INHIBIT DEVICE/MAIN FLAP UNIT
P FUEL FILTER AF HIGH PRESSURE FUEL PUMP

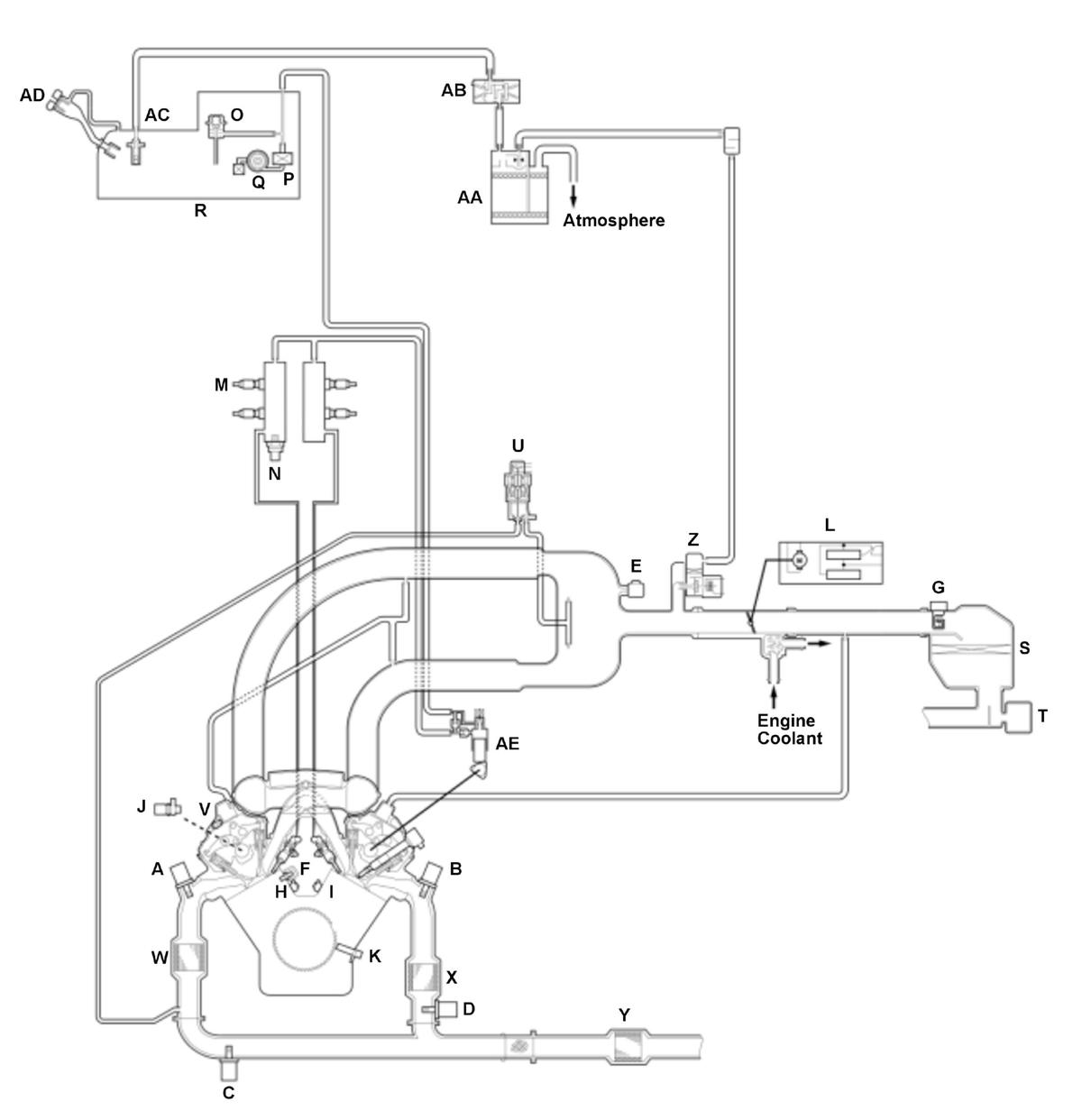
Components (KX) 

GHH444051Courtesy of HONDA, U.S.A., INC.
A FRONT A/F SENSOR (BANK 2, SENSOR 1) Q FUEL PUMP
B REAR A/F SENSOR (BANK 1, SENSOR 1) R FUEL TANK
C FRONT SECONDARY HO2S (BANK 2, SENSOR 2) S AIR CLEANER
D REAR SECONDARY HO2S (BANK 1, SENSOR 2) T INTAKE AIR RESONATOR
E MAP SENSOR U EGR VALVE
F ECT SENSOR 1 V PCV VALVE
G MAF SENSOR/IAT SENSOR W FRONT WU-TWC (BANK 2)
H KNOCK SENSOR 2 (BANK 2) X REAR WU-TWC (BANK 1)
I KNOCK SENSOR 1 (BANK 1) Y UNDER-FLOOR TWC
J CMP SENSOR Z EVAP CANISTER PURGE VALVE
K CKP SENSOR AA EVAP CANISTER
L THROTTLE BODY AB EVAP TWO WAY VALVE
M FUEL INJECTOR AC FUEL TANK VAPOR CONTROL VALVE
N FUEL RAIL PRESSURE SENSOR AD MIS-FUEL INHIBIT DEVICE/MAIN FLAP UNIT
O FUEL PRESSURE REGULATOR AE HIGH PRESSURE FUEL PUMP
P FUEL FILTER    

Electronic Control 

The powertrain control module (PCM) consists of a CPU memory (storage unit) and inputs/outputs that control the fuel injection, injection timing, idling and electronic throttle control system (ETCS).

Fail-Safe Function 

When a malfunction occurs in the signal from a sensor or from another control unit, the PCM ignores that signal and substitutes a pre-programmed value that allows the engine to continue running. This causes a Confirmed DTC to be stored and the MIL to come on.

Updated Function 

The PCM has a rewritable ROM. The ROM can acquire the latest software version.

Self Shut Down (SSD) Mode 

After the vehicle is turned to the OFF (LOCK) mode, the PCM stays on for up to an hour. If a PCM connector is disconnected during this time, the PCM may be damaged. To cancel this mode, disconnect the negative cable from the battery or jump the SCS line with the HDS after the vehicle is turned to the OFF (LOCK) mode.

Two Drive Cycle Detection Method 

The DTCs are detected with the one or two driving cycle method in the PCM. Specific DTCs which are considered as a not intermittent failure apply the two driving cycle method.When a malfunction occurs in the signal from a sensor or from another control unit in the first drive cycle, the PCM stores a pending DTC. The MIL does not come on at this time. If the failure continues in the second drive cycle, the PCM stores a confirmed DTC and turns on the MIL.

Injection Control 

Fuel injection controls include fuel injection amount control, fuel cut control, and fuel pump control. Adaptive PGM-FI (programmed-fuel injection) technology enables accurate fuel controls, which contributes to increasing engine power and decreasing fuel consumption.

For locations of each component on vehicle, refer to Component Location Index

Fuel Injection 

The fuel injection is determined by adding correction values to a basic injection control. The powertrain control module (PCM) controls the amount of fuel injection by the length of time the injector is energized.

GHH444052Courtesy of HONDA, U.S.A., INC.

Fuel Injection Timing 

The fuel injection timing is determined by the PCM, which calculates the injection time for each cylinder based on the signals sent from the crankshaft position (CKP) sensor and the camshaft position (CMP) sensor. The PCM then controls the time to energize the injector.

A/F Sensor/HO2S Feedback Air/Fuel Ratio Control 

Air fuel ratio control is part of fuel injection control and is comprised of the following functions:

Air fuel ratio control stops feedback under the following conditions in order to maintain operational performance and catalytic protection.

For locations of each component on vehicle, refer to Component Location Index

GHH444053Courtesy of HONDA, U.S.A., INC.

Ignition Timing Control 

The powertrain control module (PCM) contains programming for basic ignition timing at various engine speeds and manifold absolute pressures. It also adjusts the ignition timing according to engine coolant temperature and intake air temperature.

For locations of each component on vehicle, refer to Component Location Index

GHH444054Courtesy of HONDA, U.S.A., INC.

Fuel Cut-off Control 

After warming up, during deceleration with the throttle valve slightly opened from the fully closed position, the powertrain control module (PCM) stops the fuel injection when the engine speed is over the specified value to improve fuel efficiency.

Fuel Cut-off Control 

To protect the engine from damage, the PCM stops the fuel injection when the engine speed is in the limited area (red zone). While the vehicle is driven and while at a stop. Fuel cut engine speed is lower when stopped compared to when driven.

  When the vehicle is being driven When the vehicle is stopped
Fuel cut-off at high engine speed 6, 900 rpm 5, 900 rpm

Fuel Cut-off Control 

PCM stops fuel injection when the vehicle speed is at or over than the listed in the following chart.

  High speed driving
Fuel cut-off at high speed driving 110 mph (177 km/h) and over