LEMON Manuals: Even more car manuals for everyone: 1960-2025
Home >> Honda >> 2021 >> Passport EX-L, FWD >> Repair and Diagnosis >> Accessories & Equipment >> Anti-Theft Systems >> Security System / Keyless Entry System - Service, Testing And Troubleshooting >> Circuit Diagram >> HomeLink Remote Control System Circuit Diagram
April 5, 2026: LEMON Manuals is launched! Read the announcement.

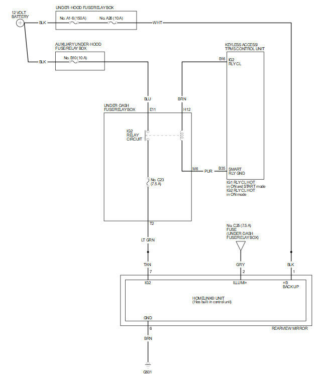
HomeLink Remote Control System Circuit Diagram

GHH373274Courtesy of HONDA, U.S.A., INC.