LEMON Manuals: Even more car manuals for everyone: 1960-2025
Home >> Honda >> 2021 >> Passport EX-L, FWD >> Repair and Diagnosis >> Accessories & Equipment >> Anti-Theft Systems >> Security System / Keyless Entry System - Service, Testing And Troubleshooting >> Circuit Diagram >> Keyless Access System Circuit Diagram
April 5, 2026: LEMON Manuals is launched! Read the announcement.

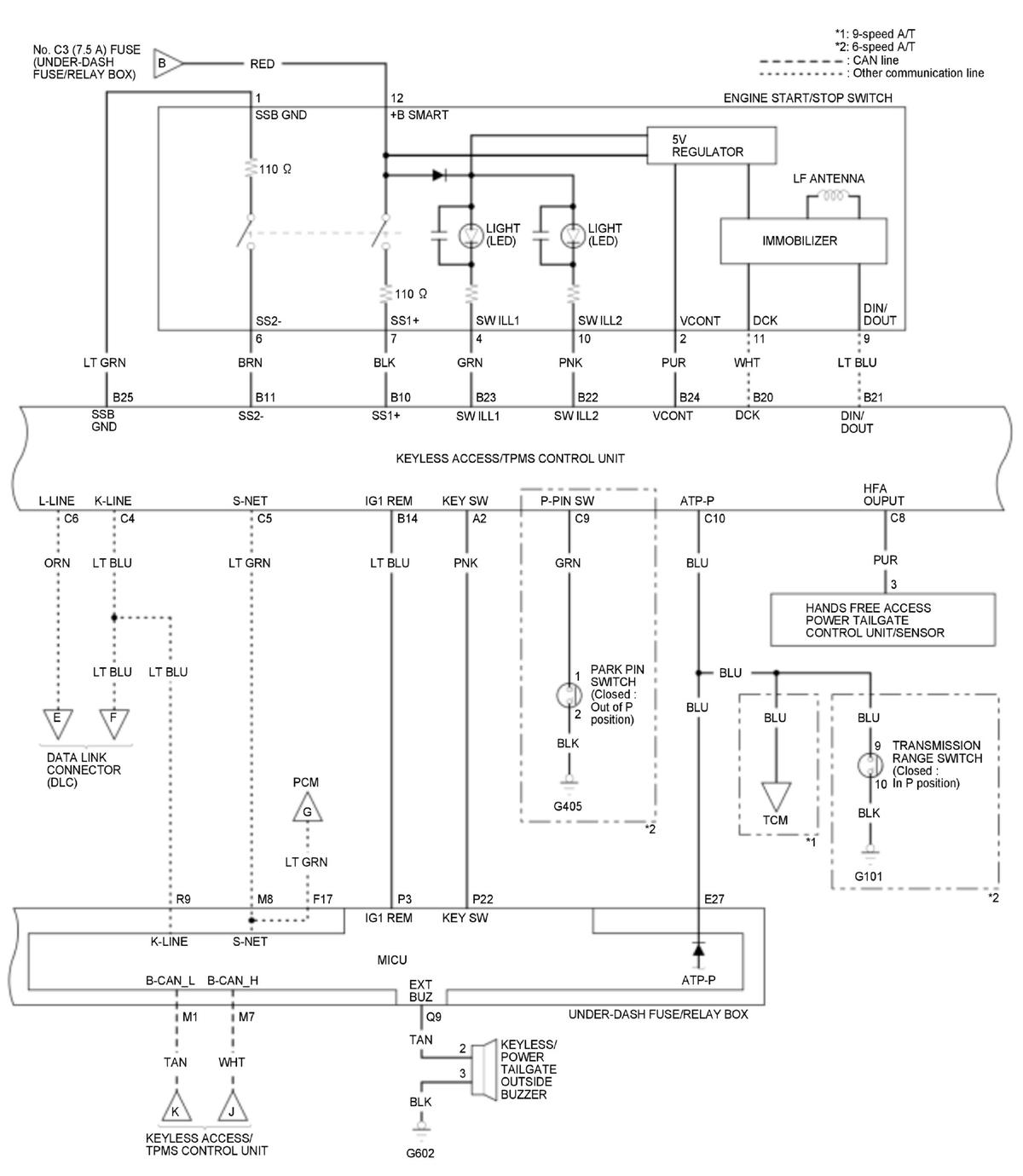
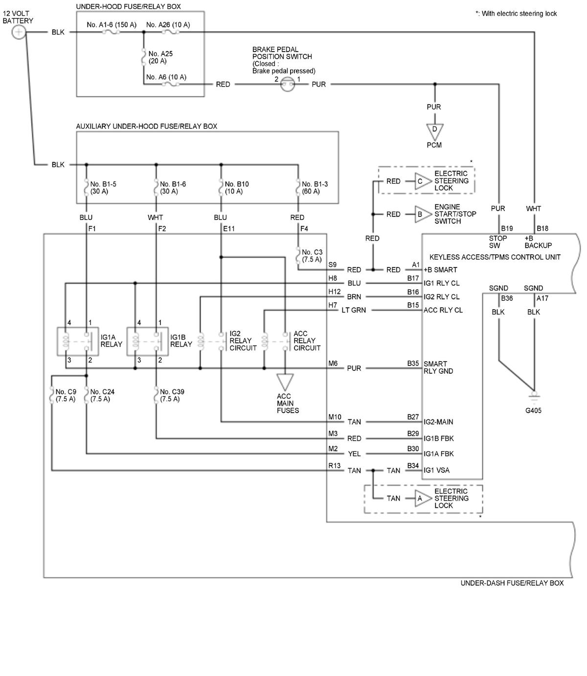
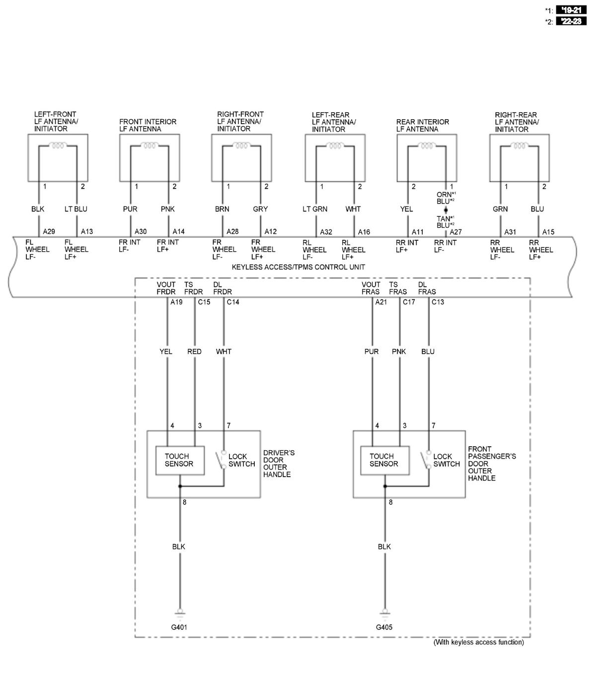
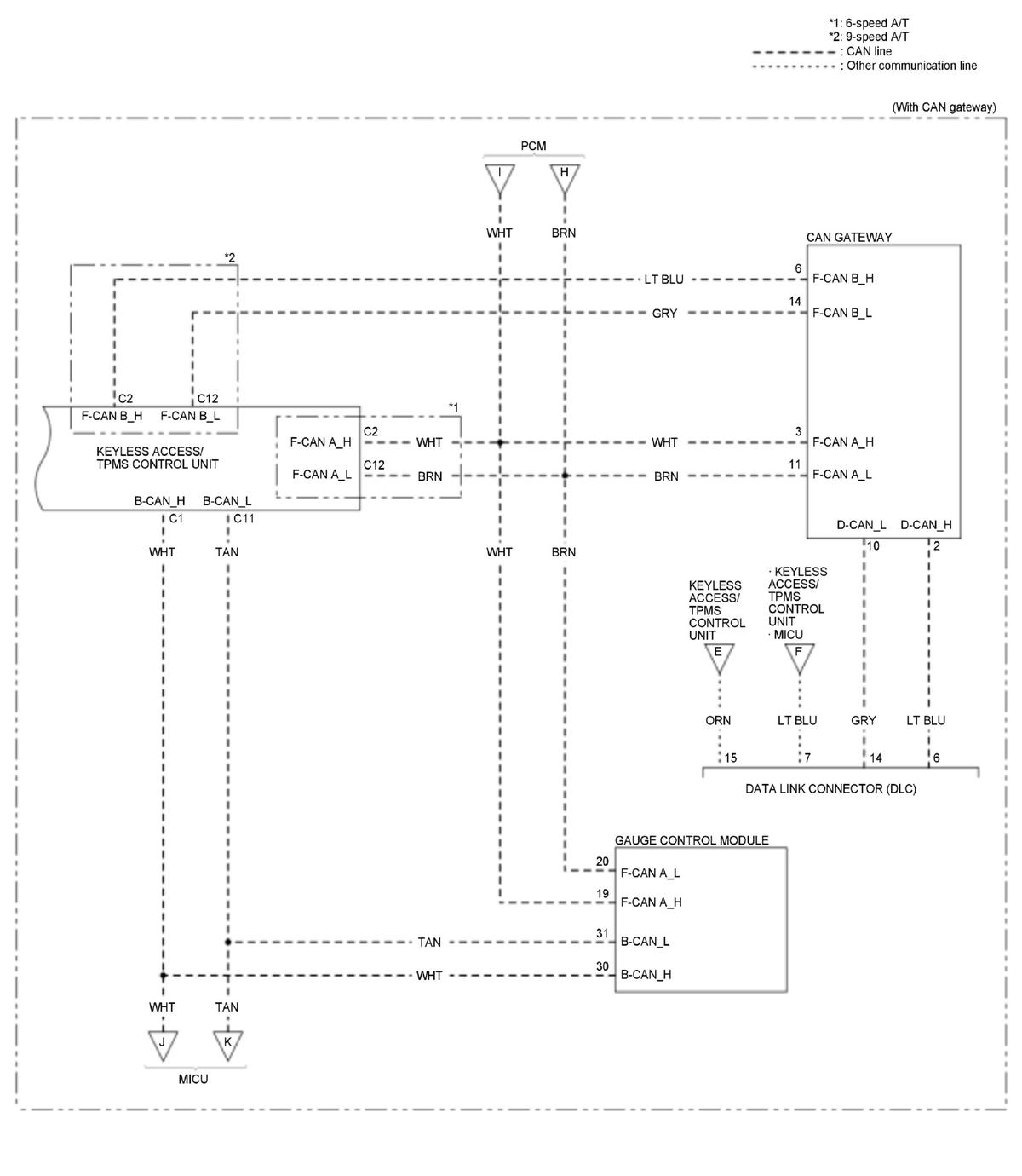
Keyless Access System Circuit Diagram

GHH558712Courtesy of HONDA, U.S.A., INC.
GHH558713Courtesy of HONDA, U.S.A., INC.
GHH558714Courtesy of HONDA, U.S.A., INC.
GHH558715Courtesy of HONDA, U.S.A., INC.
GHH558716Courtesy of HONDA, U.S.A., INC.