LEMON Manuals: Even more car manuals for everyone: 1960-2025
Home >> Honda >> 2021 >> Passport Elite >> Repair and Diagnosis >> Engine Performance >> Engine Control Systems >> Engine Mechanical / Engine Control System - Service, Testing And Troubleshooting >> Description & Operation >> Auto Idle Stop System Description (2024 2025)
April 5, 2026: LEMON Manuals is launched! Read the announcement.

Auto Idle Stop System Description (2024 2025)

Overview 

System Description 

The auto idle stop system is a system that stops and restarts the engine automatically to help maximize fuel economy depending on environmental and vehicle operating conditions.The system can help reduce fuel consumption, idling noise and any emissions.Conditions such as driver's operation, vehicle state, and environment determines if the vehicle can enter auto idle stop.

Basic System Operations 

Auto Idle Stop Indicator 

GHH650963Courtesy of HONDA, U.S.A., INC.

System Determination Pattern 

After the vehicle is turned to the ON mode, the system is activated and starts a constant monitor of various conditions. The system then determines if a auto idle stop or an engine restart (after the engine has stopped) can be executed.

Auto idle stop at full stop (vehicle speed is 0 mph (0 km/h)) 

GHH650964Courtesy of HONDA, U.S.A., INC.

Auto Idle Stop Control Signal 

The PCM monitors signals from control units, sensors and switches to determine if the vehicle can execute/continue an auto idle stop or if it can restart the engine. When the PCM determines that the auto idle stop can executed, it stops the fuel injection and stops the engine. When it determines an engine restart, it operates the starter and resumes fuel injection to start the engine. If the PCM receives a malfunction signal from a control unit or the conditions are not met, the auto idle stop is not executed.

Transmitting and Received Signals to/from the PCM 

Target unit, sensor and switch Transmitting Signal Received Signal Remarks
Related control units System malfunction signal - See detailed information
Idle stop off switch Auto idle stop cancellation signal - -
Target unit, sensor and switch Transmitting Signal Received Signal Remarks
Snow switch Snow mode selected signal - -
Hood latch switch Hood open/close signal - -
Driver's seat belt switch Seat belt latched/unlatched signal - -
EPS control unit
  • Steering torque signal
  • Steering angle information
- -
SBW shifter control module Shift position information - -
TCM (Countershaft speed sensor) Vehicle speed/vehicle speed record information - The signal is sent to the TCM. The TCM sends the determination of the auto idle stop system to the PCM based on the signal.
TCM (ATF temperature sensor) ATF temperature information - The signal is sent to the TCM. The TCM sends the determination of the auto idle stop system to the PCM based on the signal.
TCM Transmission status information
  • Execution/prohibition signal of the auto idle stop
Engine status information
  • Engine speed
-
Brake pedal position switch Brake pedal on/off signal - -
VSA modulator-control unit
  • Hydraulic control operating information
  • Vehicle speed information
  • Master cylinder pressure information
  • Starting Assist Brake Function information
  • Vehicle inclination angle information
Starting Assist Brake request signal See detailed information
SRS unit Vehicle inclination angle information - -
Brake booster pressure sensor Brake booster pressure information - -
Accelerator pedal module (APP sensor) Accelerator pedal on/off signal - -
Engine coolant temperature (ECT) sensor Engine temperature information - -
Barometric pressure (BARO) sensor Atmospheric pressure (altitude) information - -
Climate control unit Auto idle stop permission signal by the climate control system - See Detail Information of the Control or Communication Signal
Starter - Starter operating command signal See Detail Information of the Control or Communication Signal
12 volt battery sensor 12 volt battery status information
  • Internal resistance value
  • Battery fluid temperature
  • Current value
  • Voltage value
- See Detail Information of the Control or Communication Signal
DC-DC converter Unit quality information - See detailed information
Target unit, sensor and switch Transmitting Signal Received Signal Remarks
Gauge control module -
  • Indicator lamps turn on/off signal
  • Indicator lamps blinks signal
During auto idle stop:
  • Auto idle stop system indicator (green) is turned on
  • Engine oil pressure Warning indicator goes off
  • Charging system indicator goes off

When the idle stop system off switch is on:

  • Auto idle stop system indicator (amber) is turned on

When the idle stop system is failure:

  • Auto idle stop system indicator (amber) blinks
Injector - Fuel injection stop/injection command signal -
Alternator - Alternator operating command -

Detail Information of the Control or Communication Signal 

System Malfunction Signal 

If there is a malfunction in the auto idle stop system and related systems, a message is displayed on the multi-information display in addition to the related system warning indicator and the auto idle stop system indicator (amber blinks).

GHH650965Courtesy of HONDA, U.S.A., INC.

Master Cylinder Fluid Pressure Information 

The master cylinder fluid pressure information is transmitted to the PCM via the VSA modulator-control unit. If the brake pedal force by the driver is insufficient, and if the master cylinder fluid pressure is less than specified value, the auto idle stop is prohibited. In this case, a message is displayed in the gauge control module (multi-information display) to inform the driver.

GHH650966Courtesy of HONDA, U.S.A., INC.

Idle Stop Permission Signal from the Climate Control System 

The climate control unit integrates with signals from some sensors and switches for maintaining cabin comfort, and sends determined signal which is the execution/prohibition of auto idle stop or the continuing auto idle stop (retained)/engine restart to the PCM.

Transmitting and received signals to/from climate control unit 

Target unit, sensor and switch Transmitting Signal Received Signal
ECON switch ECON ON/OFF mode selection signal -
Engine coolant temperature (ECT) sensor Engine warm-up information -
Windshield defrost button/switch Windshield defrost on/off signal -
Temperature and fan control button/switch (climate control unit) Cabin temperature and air volume setting information -
Outside air temperature sensor Outside air temperature information -
Rear A/C control panel Cabin temperature and air volume setting information -
Evaporator temperature sensor/in-car temperature sensor Air temperature adjustments made before and after -
Humidity sensor Humidity information in the cabin -
Sunlight sensor Sunlight information -
PCM - Auto idle stop implementation/prohibition determination information from the climate control system.

Starter Operating Command Signal 

The PCM is equipped with a start counter of the starter. The start counter counts up every time the starter is started, and when it reaches the upper limit of the assumed durability of the starting system parts, the PCM sends a warning signal to the gauge control module. After replacing the specified parts of the starting system, the warning signal is canceled by clearing the counter (reset to 0) with the HDS.

12 Volt Battery Status Information 

The PCM counts the number of times that the start operates and if it exceeds a specified number, prohibits auto idle stop operation. In this case, the indicator on the gauge control module blinks (except when the system is turned off by the driver manually). The starter and the starter cut relay operation number are memorized in the PCM.

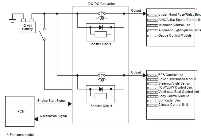
DC-DC Converter Unit Quality Information 

The DC-DC converter supplies stable power to the vehicle when the battery voltage drops during engine restart. If there is a malfunction in the DC-DC converter, a signal is sent to the PCM and either prohibits the auto idle stop operation or engine restart. If the DC-DC converter malfunctions during engine restart, the starter operation continues but the stable power that the vehicle would have received from the DC-DC converter is not supplied.

Simple Circuit Diagram for Description 

GHH650967Courtesy of HONDA, U.S.A., INC.

Pressurization Graphic by the DC-DC converter 

GHH650968Courtesy of HONDA, U.S.A., INC.