LEMON Manuals: Even more car manuals for everyone: 1960-2025
Home >> Honda >> 2021 >> Passport Elite >> Repair and Diagnosis >> Engine Performance >> Engine Control Systems >> Engine Mechanical / Engine Control System - Service, Testing And Troubleshooting >> Description & Operation >> PGM-FI System Description - Components
April 5, 2026: LEMON Manuals is launched! Read the announcement.

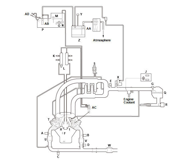
PGM-FI System Description - Components

GHH370103Courtesy of HONDA, U.S.A., INC.
  A FRONT A/F SENSOR (BANK 2, SENSOR1)   P FUEL TANK
  B REAR A/F SENSOR (BANK 1, SENSOR 1)   Q AIR CLEANER
  C FRONT SECONDARY HO2S (BANK 2, SENSOR 2)   R INTAKE AIR RESONATOR
  D REAR SECONDARY HO2S (BANK 1, SENSOR 2)   S EGR VALVE AND EGR VALVE POSITION SENSOR
  E MAP SENSOR   T PCV VALVE
  F ECT SENSOR 1   U FRONT WU-TWC (BANK 2)
  G MAF SENSOR/IAT SENSOR   V REAR WU-TWC (BANK 1)
  H KNOCK SENSOR 2 (BANK 2)   W UNDER-FLOOR TWC
  I KNOCK SENSOR 1 (BANK 1)   X EVAP CANISTER PURGE VALVE
  J THROTTLE BODY   Y FTP SENSOR
  K FUEL INJECTOR   Z EVAP CANISTER
  L FUEL RAIL PRESSURE SENSOR   AA EVAP CANISTER VENT SHUT VALVE
  M FUEL PRESSURE REGULATOR   AB FUEL TANK VAPOR CONTROL VALVE
  N FUEL FILTER   AC HIGH PRESSURE FUEL PUMP
  O FUEL PUMP   AD MIS-FUEL INHIBIT DEVICE