LEMON Manuals: Even more car manuals for everyone: 1960-2025
Home >> Honda >> 2021 >> Passport Touring, FWD >> Repair and Diagnosis >> Accessories & Equipment >> Anti-Theft Systems >> Security System / Keyless Entry System - Service, Testing And Troubleshooting >> Circuit Diagram >> Keyless/Power Door Locks/Security System Circuit Diagram
April 5, 2026: LEMON Manuals is launched! Read the announcement.

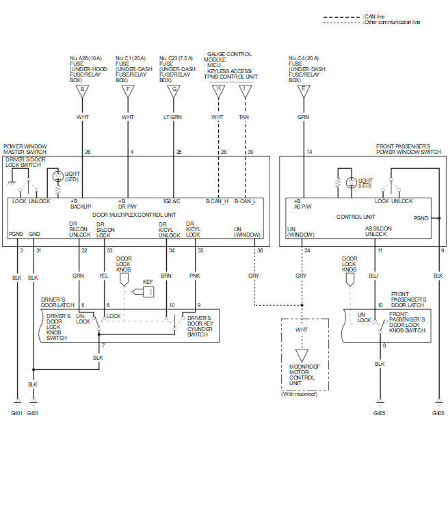
Keyless/Power Door Locks/Security System Circuit Diagram

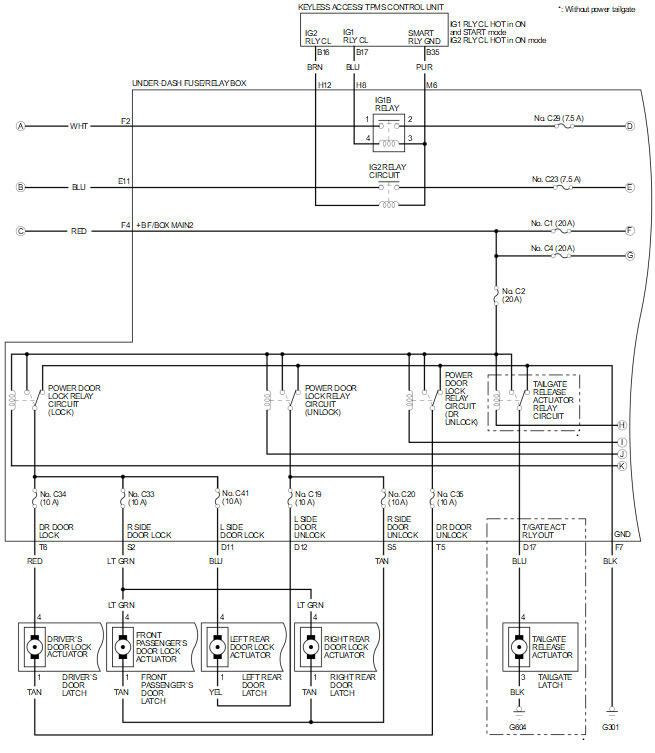
GHH558717Courtesy of HONDA, U.S.A., INC.
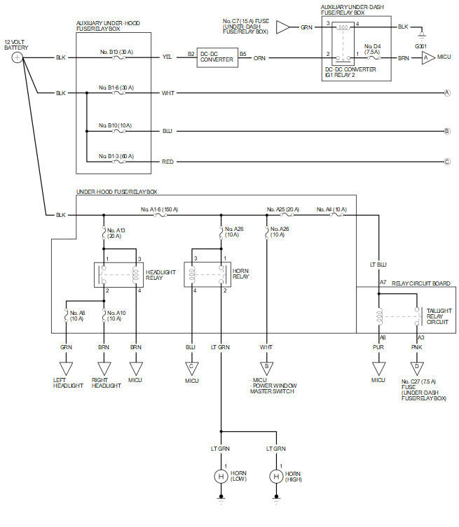
GHH558718Courtesy of HONDA, U.S.A., INC.
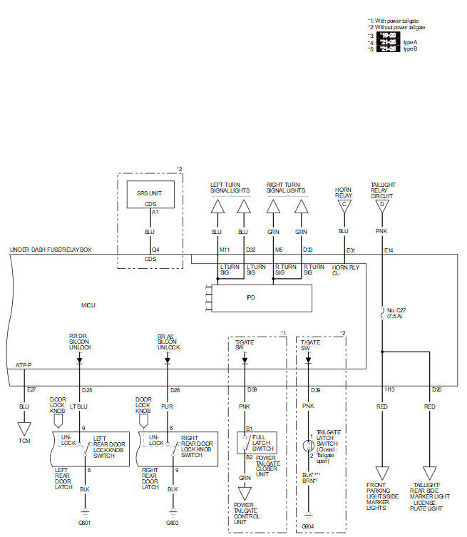
GHH558719Courtesy of HONDA, U.S.A., INC.
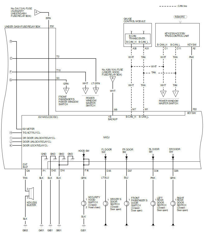
GHH558720Courtesy of HONDA, U.S.A., INC.
GHH558721Courtesy of HONDA, U.S.A., INC.