LEMON Manuals: Even more car manuals for everyone: 1960-2025
Home >> Honda >> 2021 >> Pilot EX-L, FWD >> Repair and Diagnosis (Single Page) >> Accessories & Equipment >> Anti-Theft Systems >> Security System Keyless Entry System - Testing & Troubleshooting (1 Of 2) >> Circuit Diagram >> KEYLESS/POWER DOOR LOCKS/SECURITY SYSTEM (WITH Auto Idle Stop System) (2016 2017 2018)
April 5, 2026: LEMON Manuals is launched! Read the announcement.

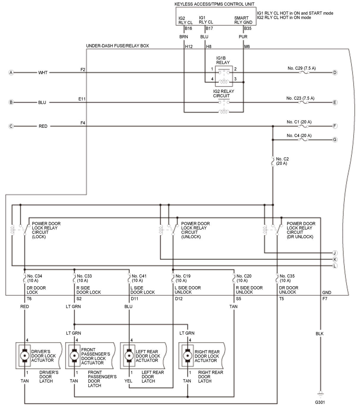
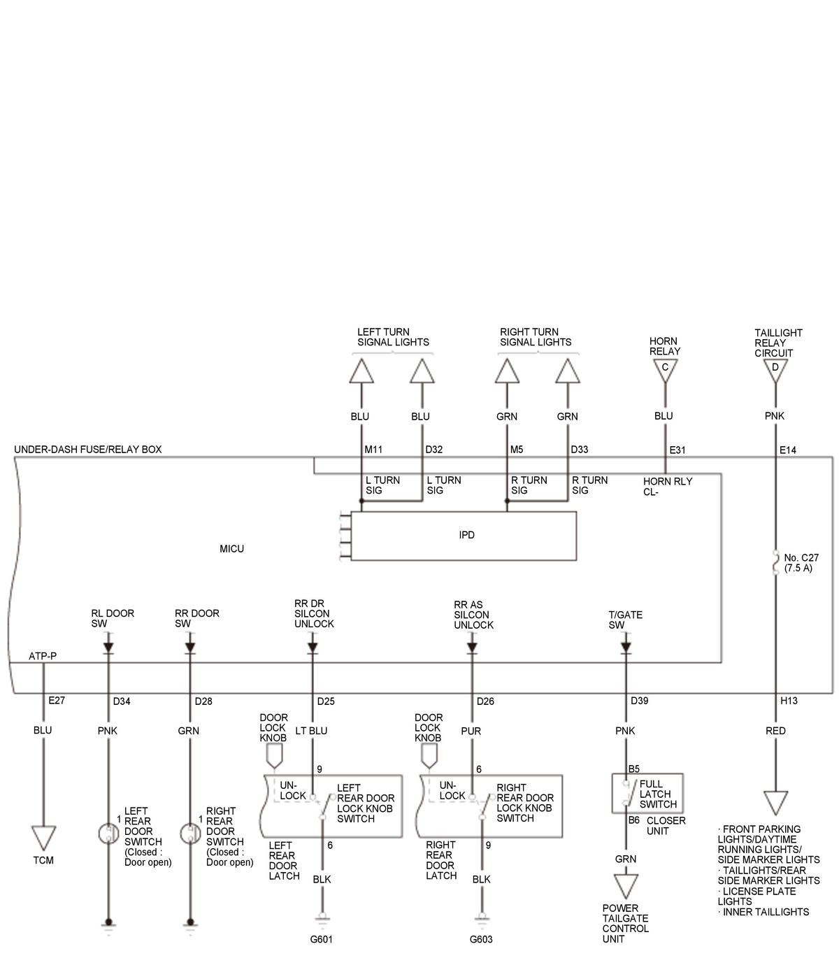
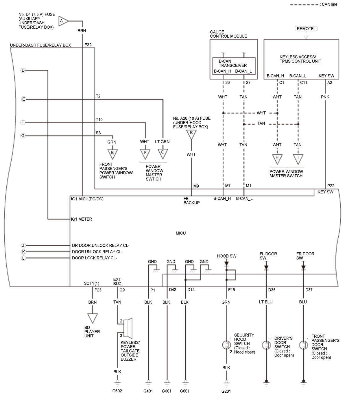
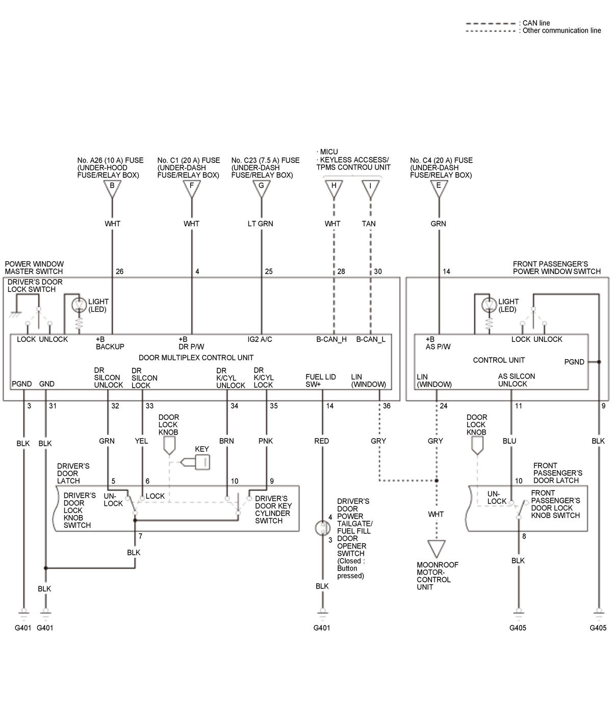
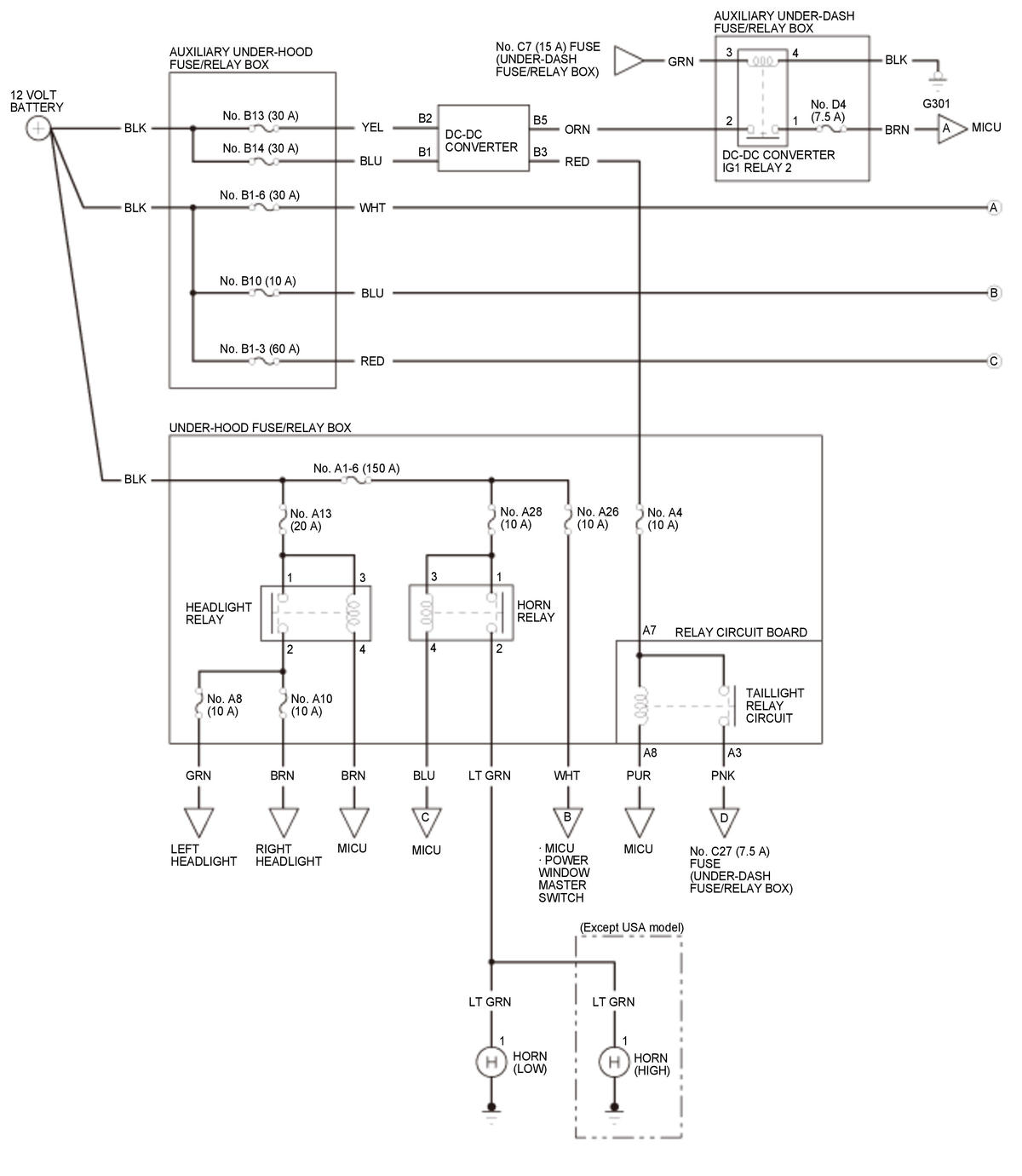
KEYLESS/POWER DOOR LOCKS/SECURITY SYSTEM (WITH Auto Idle Stop System) (2016 2017 2018)

GHH312300Courtesy of HONDA, U.S.A., INC.
GHH312301Courtesy of HONDA, U.S.A., INC.
GHH312302Courtesy of HONDA, U.S.A., INC.
GHH312303Courtesy of HONDA, U.S.A., INC.
GHH312304Courtesy of HONDA, U.S.A., INC.