LEMON Manuals: Even more car manuals for everyone: 1960-2025
Home >> Honda >> 2021 >> Pilot Elite >> Repair and Diagnosis >> Engine Performance >> System >> Engine Control System - Advanced Diagnostics (1 Of 3) >> Advanced Diagnostics >> DTC : P0401 (2016) >> General Description
April 5, 2026: LEMON Manuals is launched! Read the announcement.

DTC : P0401 (2016): General Description

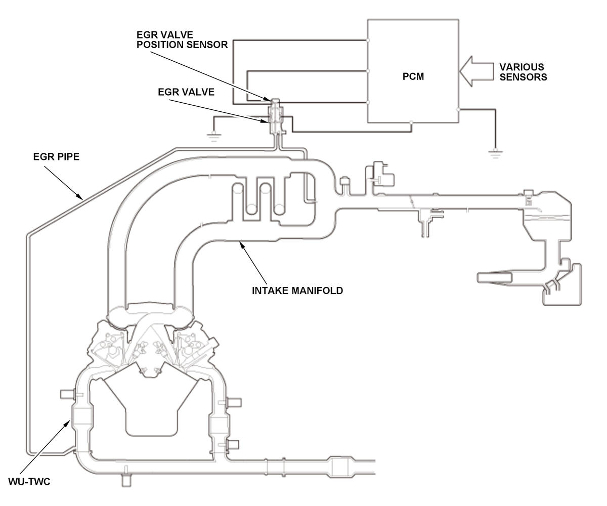
GHH306628Courtesy of HONDA, U.S.A., INC.
GHH306629Courtesy of HONDA, U.S.A., INC.

The exhaust gas recirculation (EGR) valve, which is controlled by the powertrain control module (PCM), is opened and the exhaust gas flows through the EGR valve, the intake manifold, and the EGR passage. The exhaust gas is circulated into the air/fuel mixture to lower combustion temperatures, thus reducing oxides of nitrogen (NOx) emissions. The EGR flow is inspected as follows. The EGR valve is closed during deceleration with the throttle valve fully closed. Then the PCM fully opens the EGR valve. After a set time, the PCM computes the ratio of the present EGR flow to the normal EGR flow by monitoring the fluctuation of the intake manifold pressure between when the EGR valve is fully opened and when it is fully closed. If the EGR flow rate is lower than normal, the PCM detects a malfunction and stores a DTC.