LEMON Manuals: Even more car manuals for everyone: 1960-2025
Home >> Honda >> 2021 >> Pilot LX, FWD >> Repair and Diagnosis (Single Page) >> Accessories & Equipment >> Anti-Theft Systems >> Security System Keyless Entry System - Testing & Troubleshooting (1 Of 2) >> Circuit Diagram >> KEYLESS/POWER DOOR LOCKS/SECURITY SYSTEM (WITHOUT Auto Idle Stop System) (2019 2020 2021)
April 5, 2026: LEMON Manuals is launched! Read the announcement.

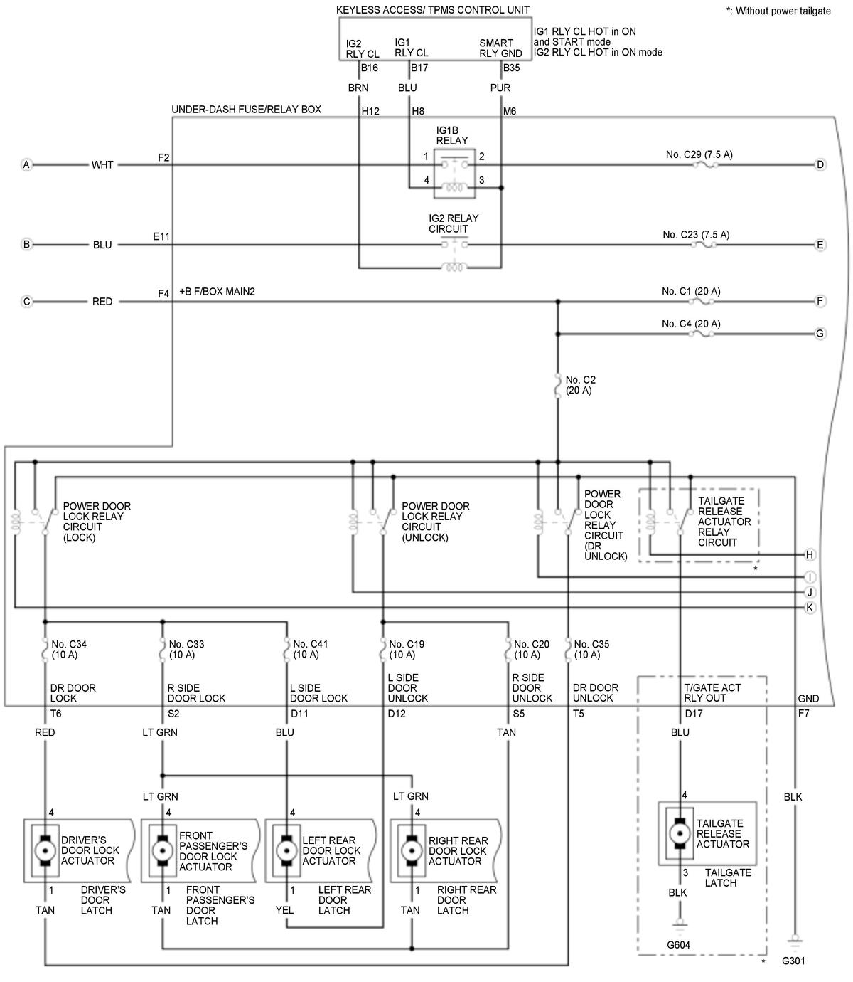
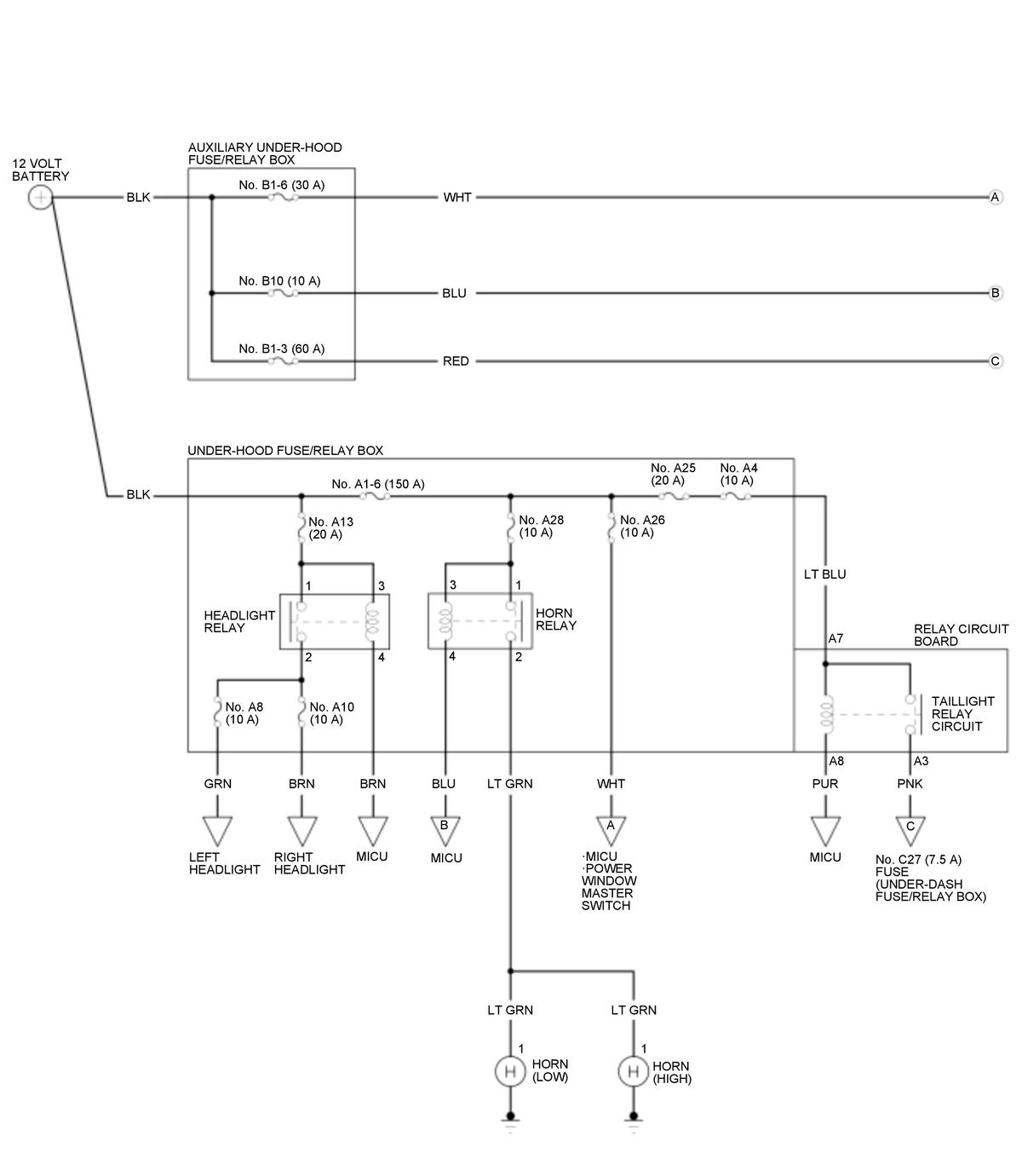
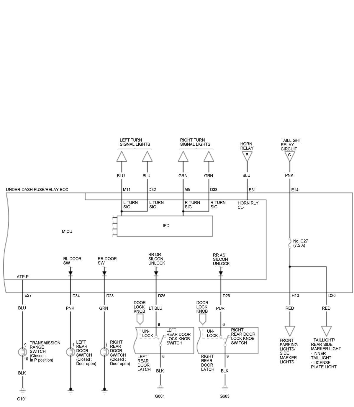
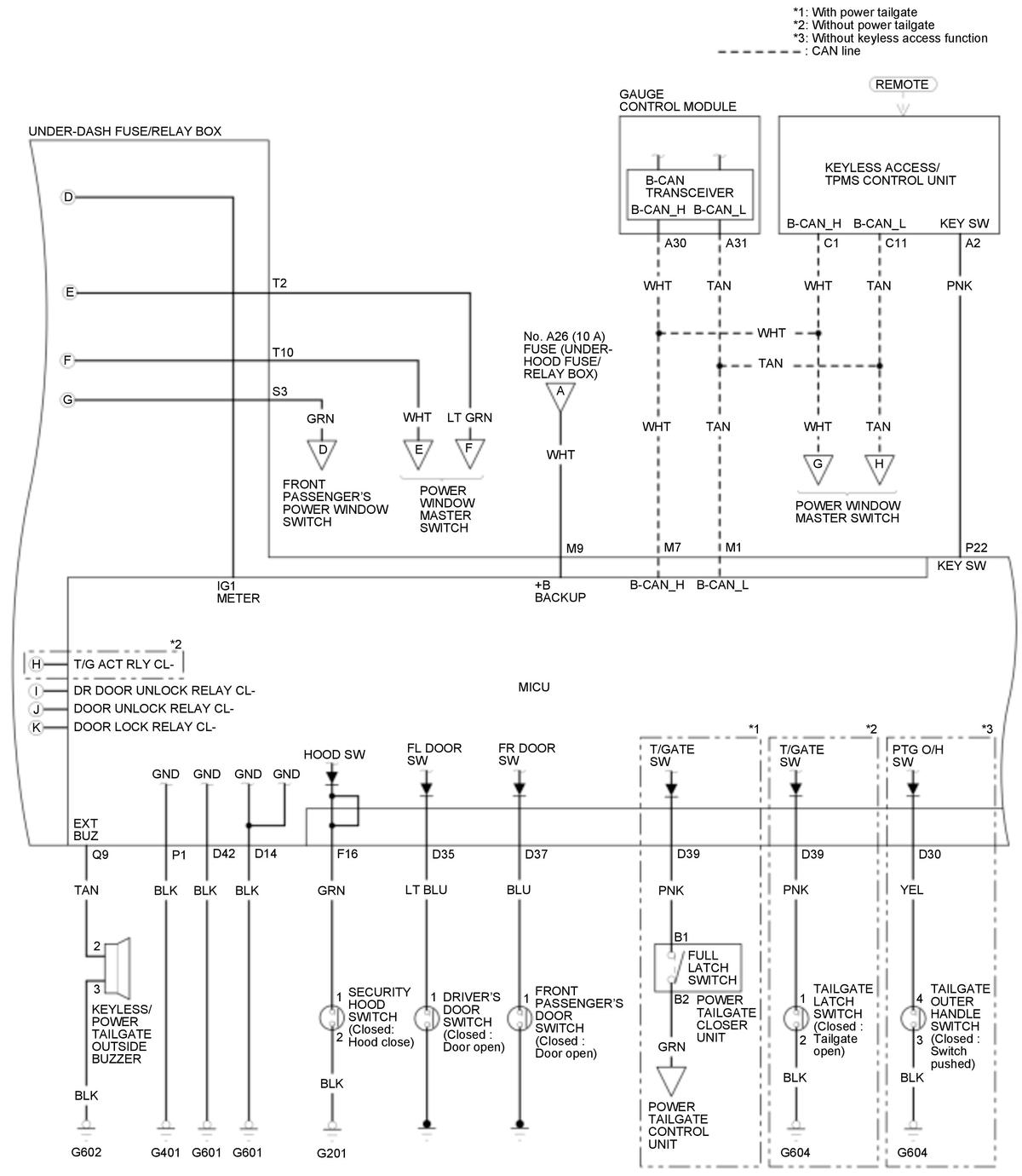
KEYLESS/POWER DOOR LOCKS/SECURITY SYSTEM (WITHOUT Auto Idle Stop System) (2019 2020 2021)

GHH312310Courtesy of HONDA, U.S.A., INC.
GHH312311Courtesy of HONDA, U.S.A., INC.
GHH312312Courtesy of HONDA, U.S.A., INC.
GHH312313Courtesy of HONDA, U.S.A., INC.
GHH312314Courtesy of HONDA, U.S.A., INC.