LEMON Manuals: Even more car manuals for everyone: 1960-2025
Home >> Honda >> 2021 >> Pilot LX, FWD >> Repair and Diagnosis (Single Page) >> Body & Frame >> Door Locks >> Security System Keyless Entry System - Testing & Troubleshooting (1 Of 2) >> Circuit Diagram >> KEYLESS/POWER DOOR LOCKS/SECURITY SYSTEM (WITHOUT Auto Idle Stop System) (2016 2017 2018)
April 5, 2026: LEMON Manuals is launched! Read the announcement.

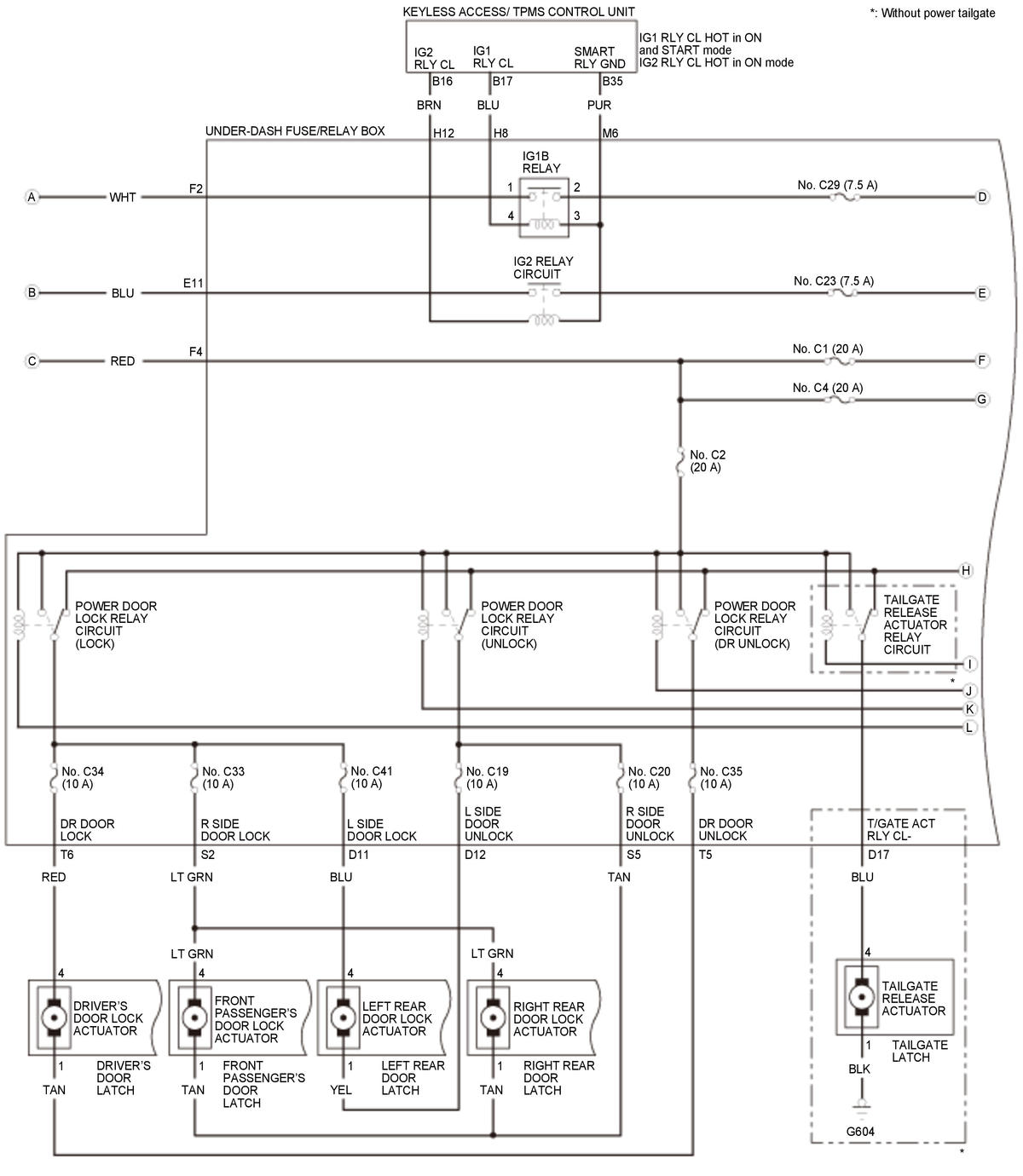
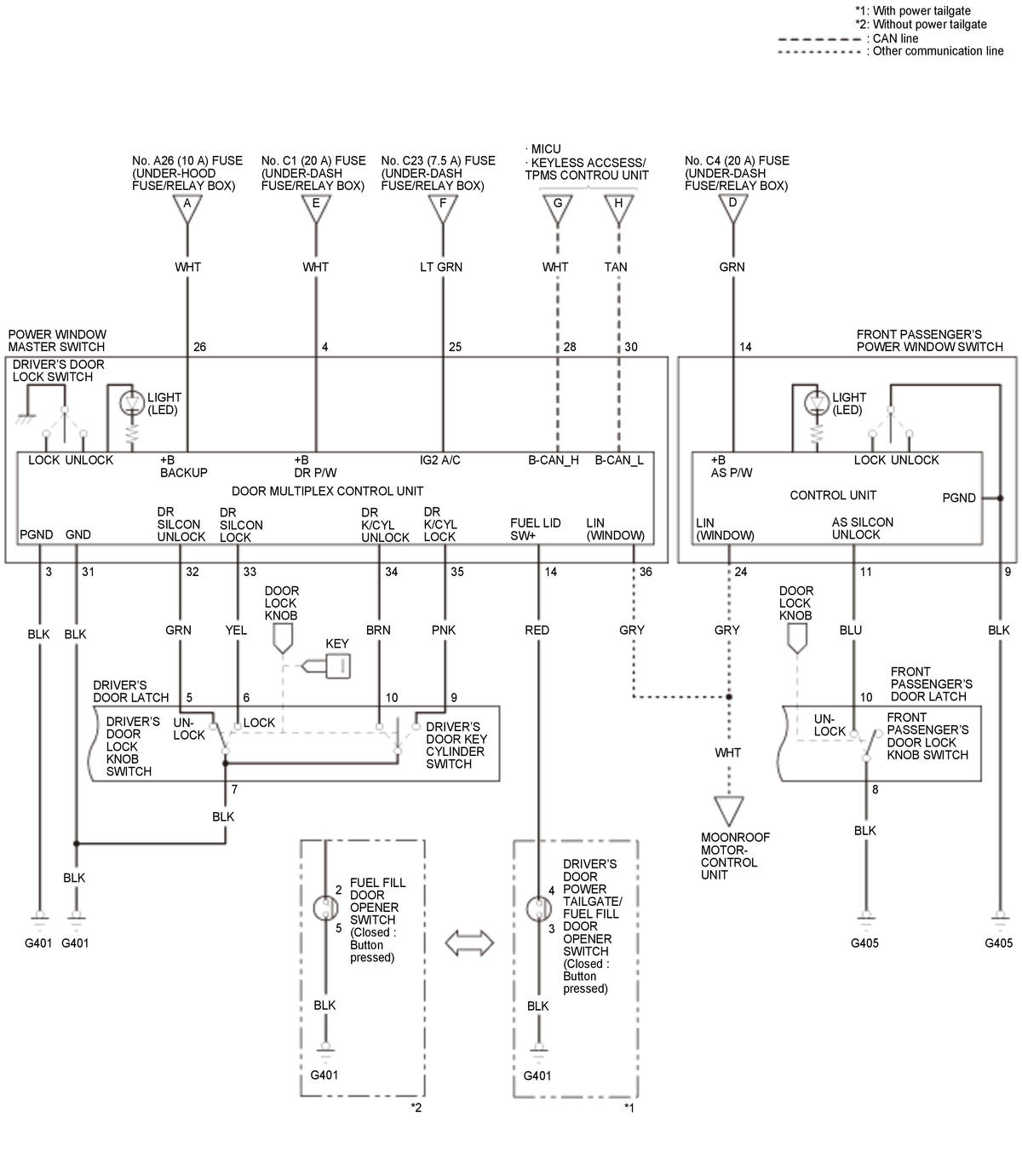
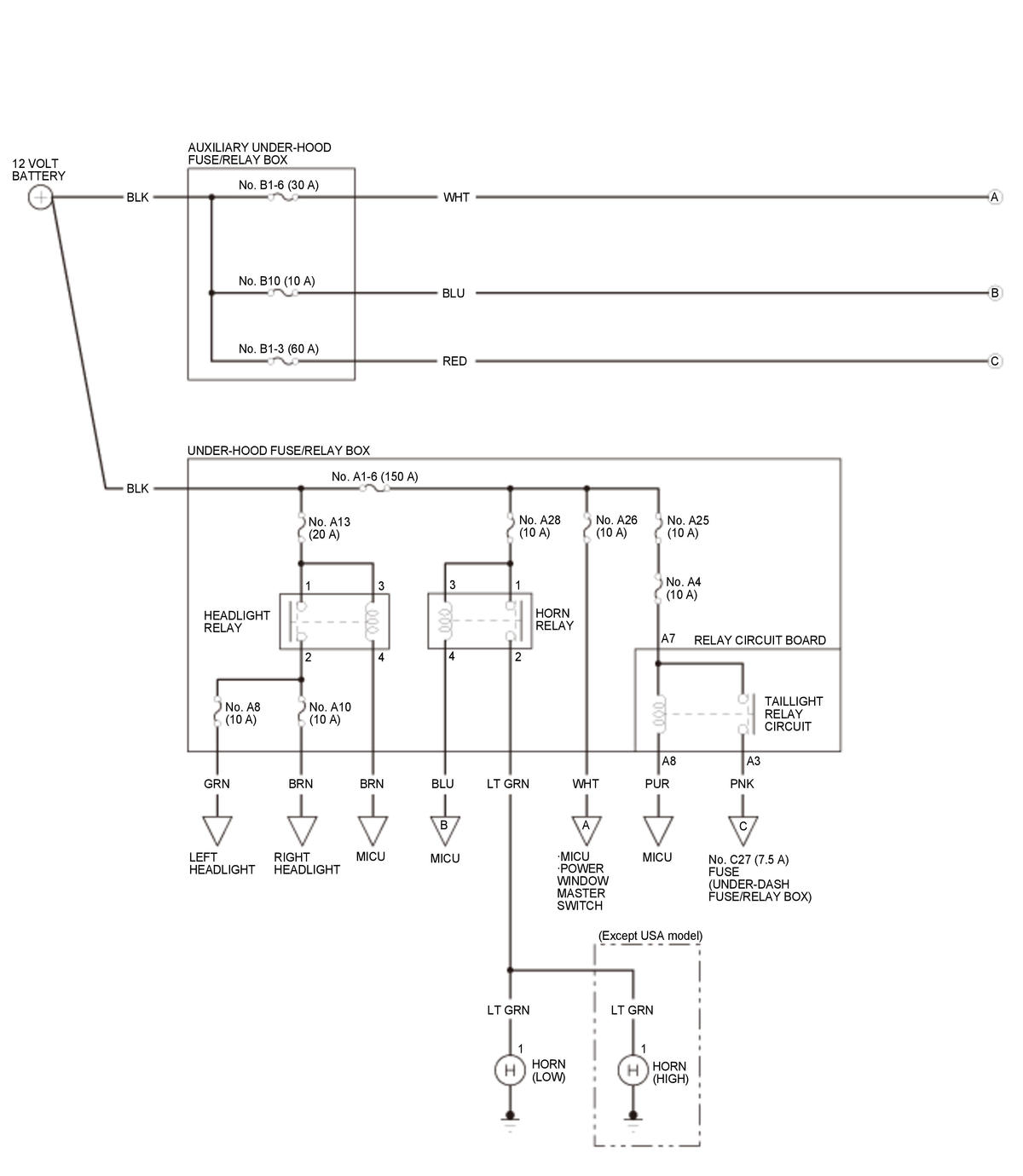
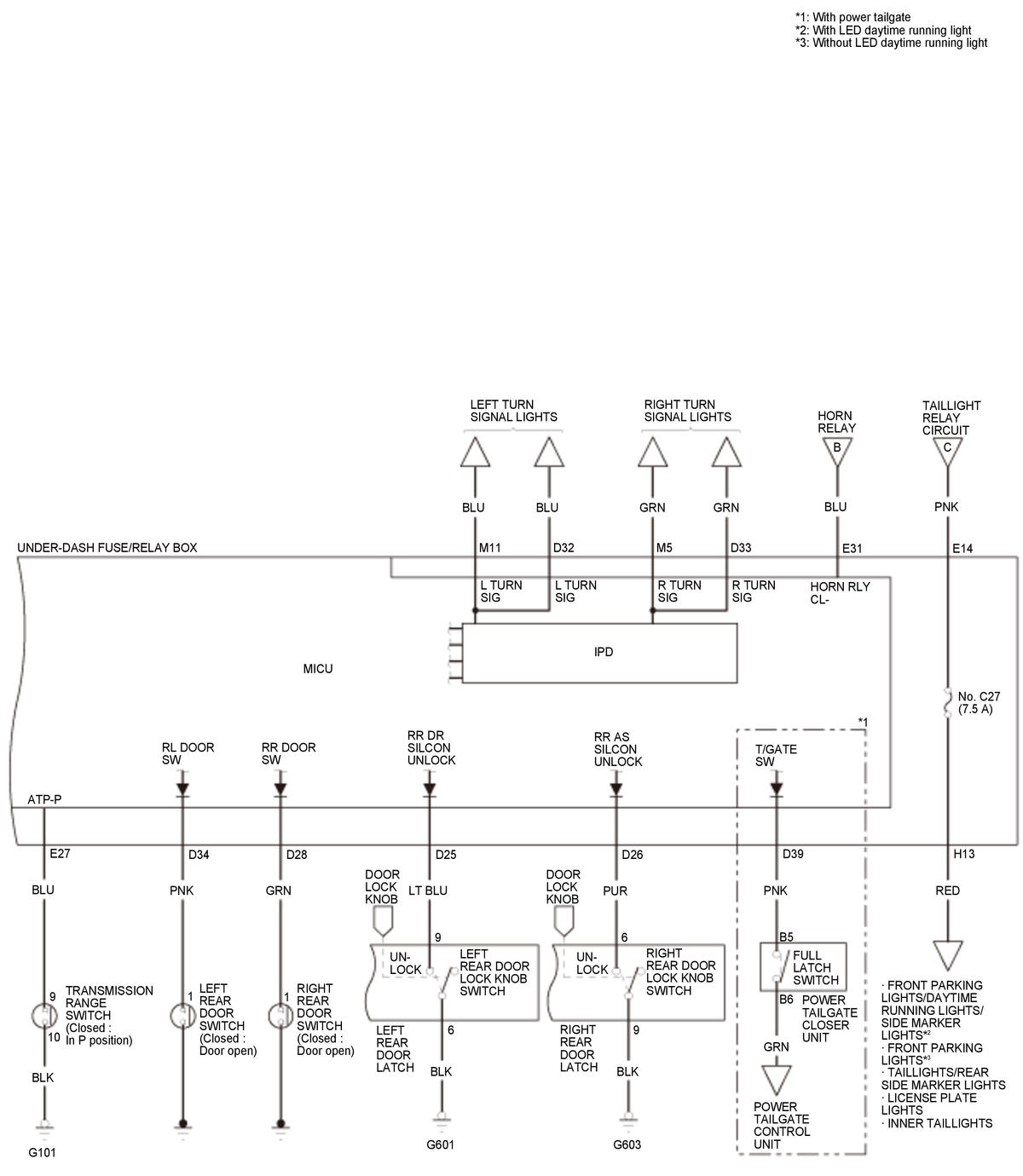
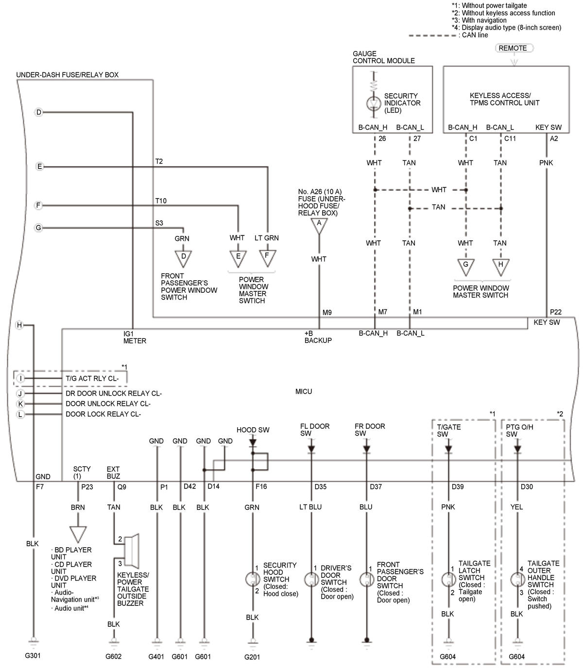
KEYLESS/POWER DOOR LOCKS/SECURITY SYSTEM (WITHOUT Auto Idle Stop System) (2016 2017 2018)

GHH312305Courtesy of HONDA, U.S.A., INC.
GHH312306Courtesy of HONDA, U.S.A., INC.
GHH312307Courtesy of HONDA, U.S.A., INC.
GHH312308Courtesy of HONDA, U.S.A., INC.
GHH312309Courtesy of HONDA, U.S.A., INC.