LEMON Manuals: Even more car manuals for everyone: 1960-2025
Home >> Honda >> 2021 >> Pilot LX, FWD >> Repair and Diagnosis (Single Page) >> Transmission >> Automatic Trans >> Automatic Transaxle - Service, Testing And Troubleshooting >> Circuit Diagram >> A/T System Circuit Diagram (2016 2017 2018: 6-Speed A/T)
April 5, 2026: LEMON Manuals is launched! Read the announcement.

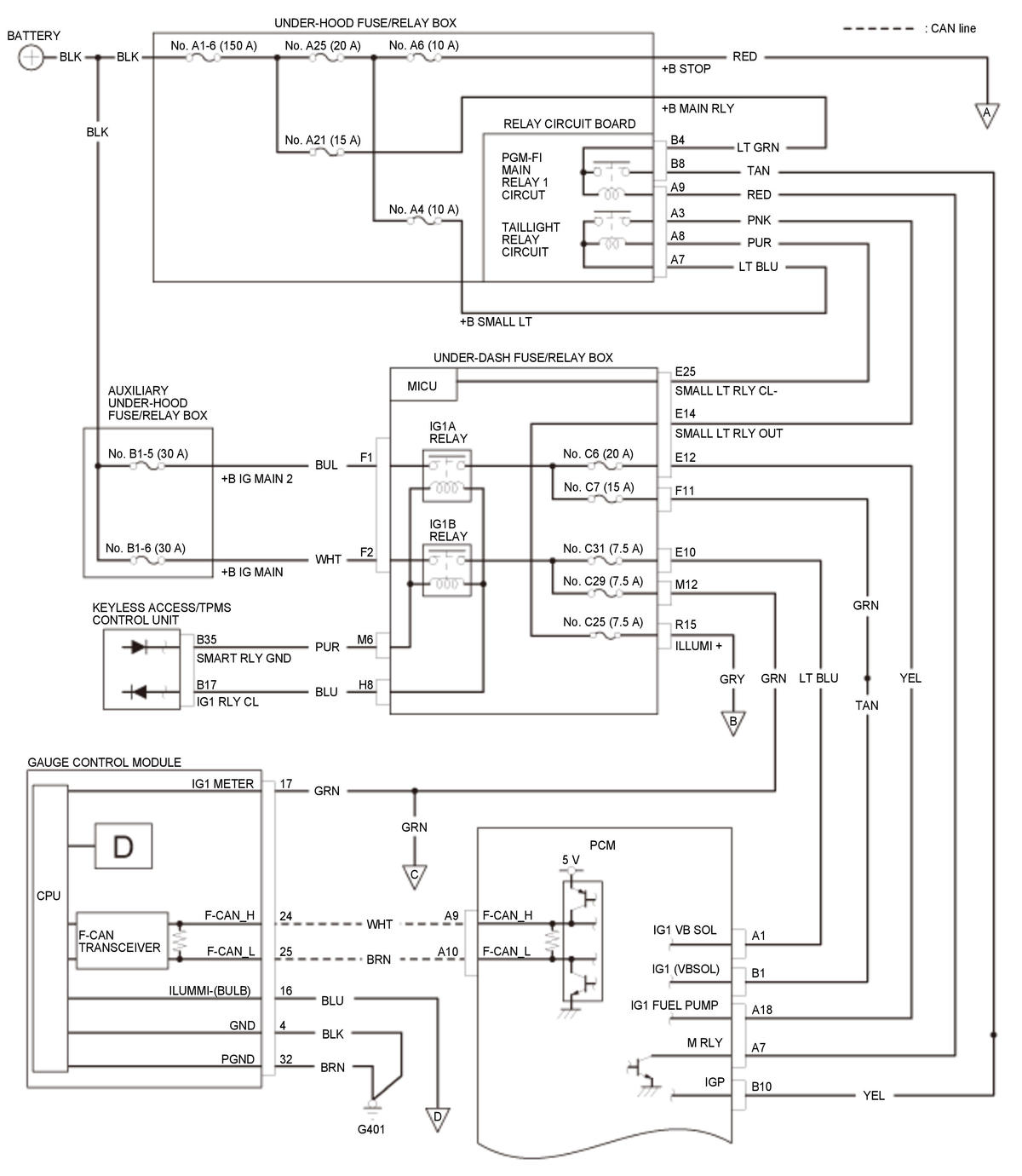
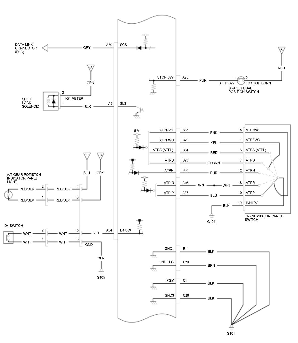
A/T System Circuit Diagram (2016 2017 2018: 6-Speed A/T)

GHH304874Courtesy of HONDA, U.S.A., INC.
GHH304875Courtesy of HONDA, U.S.A., INC.
GHH304876Courtesy of HONDA, U.S.A., INC.