LEMON Manuals: Even more car manuals for everyone: 1960-2025
Home >> Honda >> 2021 >> Pilot Touring, AWD >> Repair and Diagnosis (Single Page) >> Accessories & Equipment >> Communication Devices >> Integrated Control Systems - Testing & Troubleshooting >> Circuit Diagram >> DRIVING POSITION MEMORY SYSTEM (DPMS) (WITH Auto Idle Stop System)
April 5, 2026: LEMON Manuals is launched! Read the announcement.

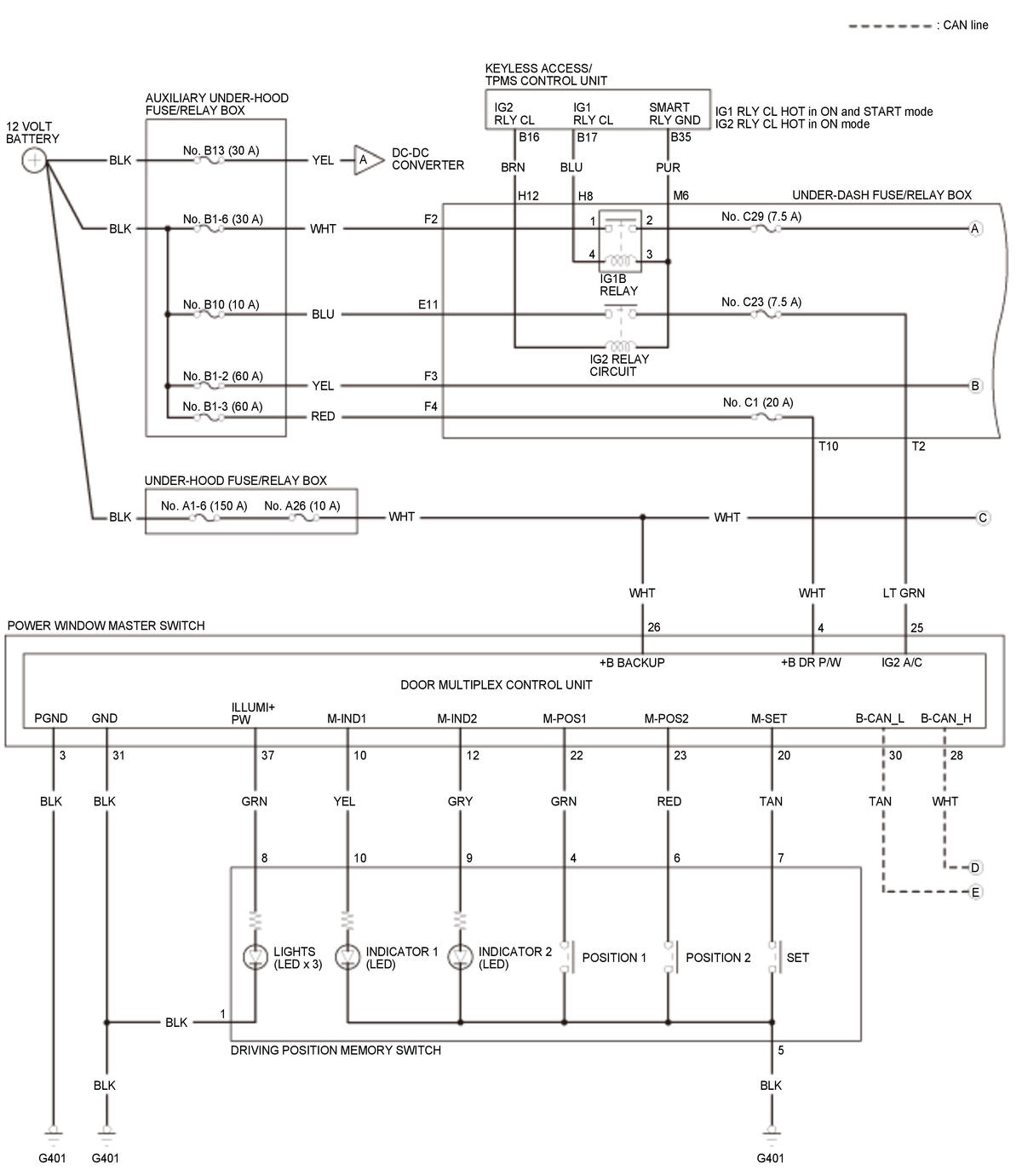
DRIVING POSITION MEMORY SYSTEM (DPMS) (WITH Auto Idle Stop System)

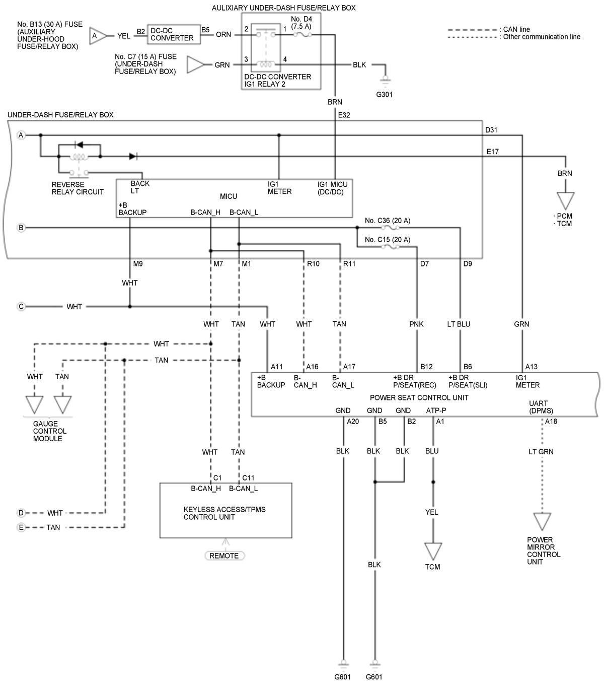
Driver's Power Seat 

GHH310329Courtesy of HONDA, U.S.A., INC.
GHH310330Courtesy of HONDA, U.S.A., INC.
GHH310331Courtesy of HONDA, U.S.A., INC.

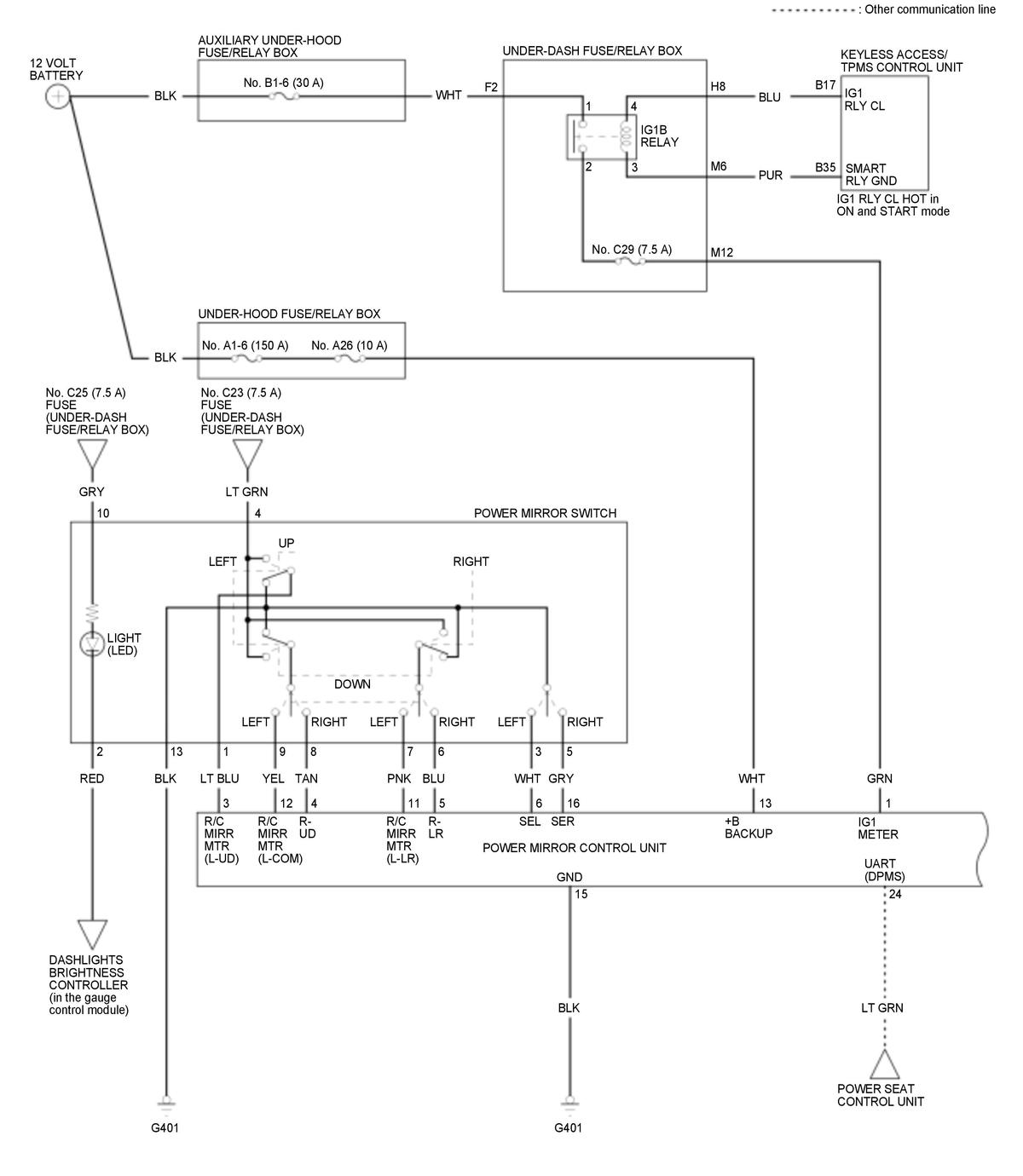
Power Mirror 

GHH310332Courtesy of HONDA, U.S.A., INC.
GHH310333Courtesy of HONDA, U.S.A., INC.