LEMON Manuals: Even more car manuals for everyone: 1960-2025
Home >> Honda >> 2021 >> Pilot Touring, AWD >> Repair and Diagnosis (Single Page) >> Accessories & Equipment >> Communication Devices >> Integrated Control Systems - Testing & Troubleshooting >> Circuit Diagram >> DRIVING POSITION MEMORY SYSTEM (DPMS) (WITHOUT Auto Idle Stop System)
April 5, 2026: LEMON Manuals is launched! Read the announcement.

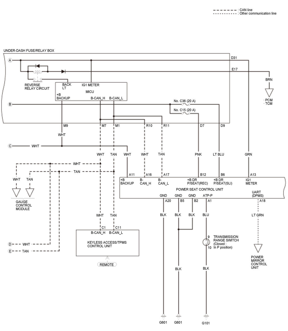
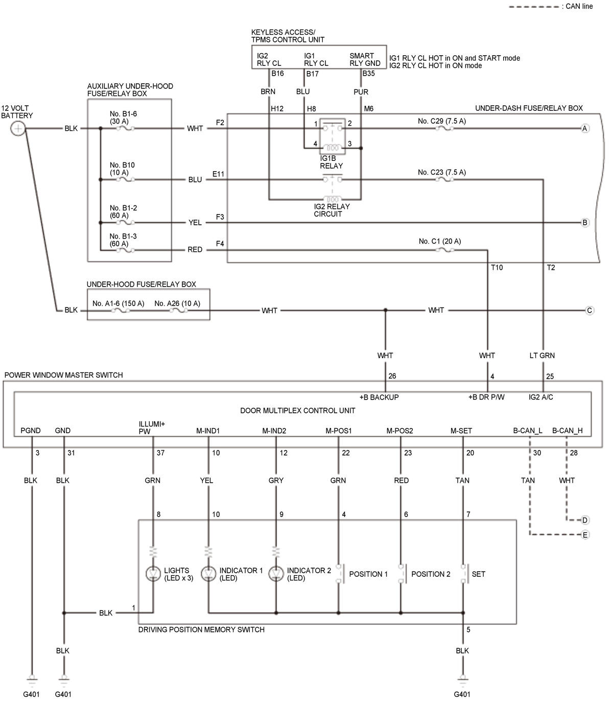
DRIVING POSITION MEMORY SYSTEM (DPMS) (WITHOUT Auto Idle Stop System)

Driver's Power Seat 

GHH310334Courtesy of HONDA, U.S.A., INC.
GHH310335Courtesy of HONDA, U.S.A., INC.
GHH310336Courtesy of HONDA, U.S.A., INC.

Power Mirror 

GHH310337Courtesy of HONDA, U.S.A., INC.
GHH310338Courtesy of HONDA, U.S.A., INC.