LEMON Manuals: Even more car manuals for everyone: 1960-2025
Home >> Honda >> 2021 >> Pilot Touring, AWD >> Repair and Diagnosis (Single Page) >> Engine Performance >> System >> Engine Control System - Advanced Diagnostics (1 Of 3) >> Advanced Diagnostics >> DTC : P0365 >> General Description
April 5, 2026: LEMON Manuals is launched! Read the announcement.

DTC : P0365: General Description

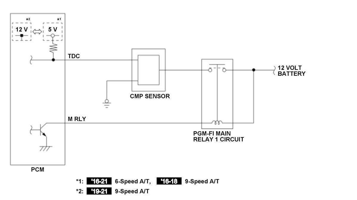
GHH306622Courtesy of HONDA, U.S.A., INC.

The camshaft position (CMP) sensor consists of a rotor and a semiconductor that detects rotor position. When the rotor turns after starting the engine, the changes of magnetic flux in the semiconductor are converted into pulsing signals to the powertrain control module (PCM). The CMP sensor detects the top dead center of each cylinder for fuel injection timing. If no CMP sensor pulsing signals are detected, the PCM detects a malfunction and stores a DTC.