LEMON Manuals: Even more car manuals for everyone: 1960-2025
Home >> Honda >> 2021 >> Pilot Touring, AWD >> Repair and Diagnosis (Single Page) >> Engine Performance >> System >> Engine Control System - Advanced Diagnostics (3 Of 3) >> DTC Advanced Diagnostics >> DTC P16E2
April 5, 2026: LEMON Manuals is launched! Read the announcement.

DTC P16E2

DTC P16E2:  PGM-FI-ACG LIN Communication Error

General Description 

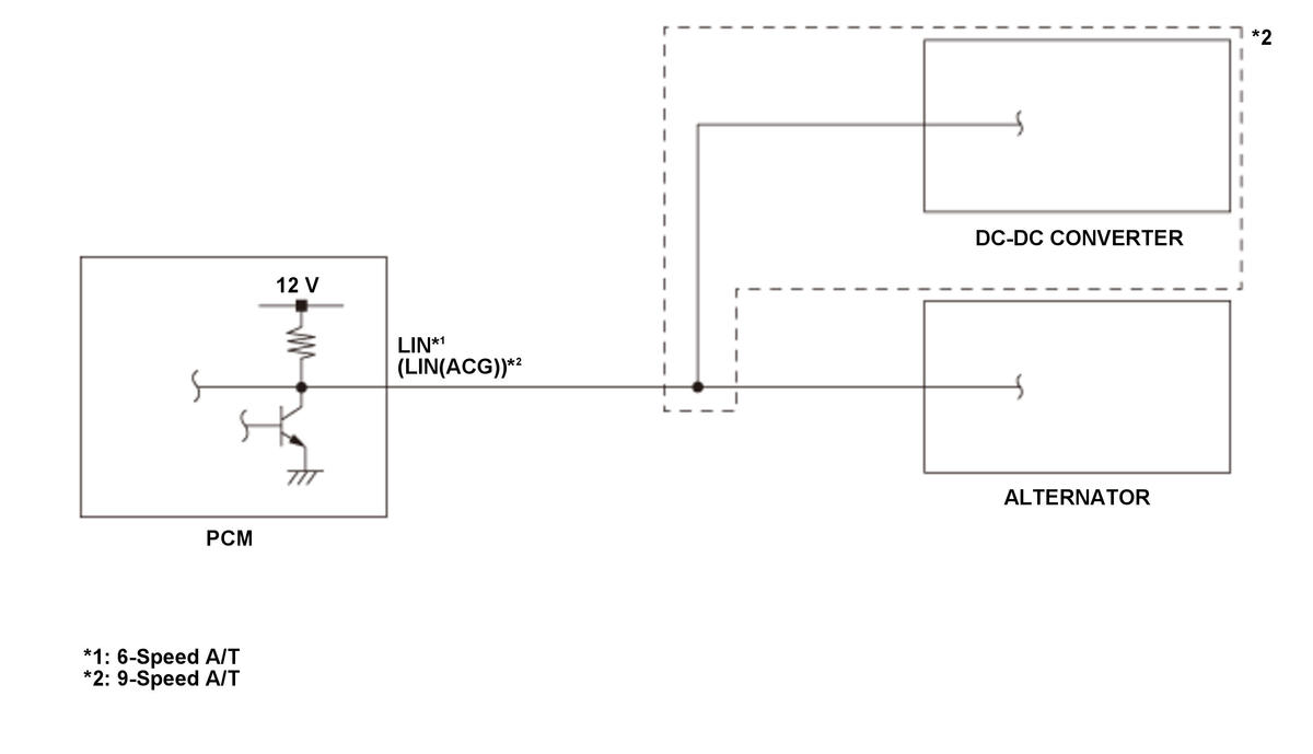
GHH306863Courtesy of HONDA, U.S.A., INC.

The local interconnect network (LIN) line connects the alternator and the powertrain control module (PCM). The LIN uses a master/slave protocol to send and receive data to the different components on the line. The PCM is the master unit, which controls the engine electrical system. The alternator is the slave. (The alternator and the DC-DC converter are the slaves.)* 2 The alternator receives data from the PCM and provides feedback to the PCM, which allows the PCM to operate the engine electrical system efficiently. When the PCM does not receive signals from the alternator within its specified amount of time, the PCM detects a malfunction and stores a DTC.

*2: 9-Speed A/T

Monitor Execution, Sequence, Duration, DTC Type 

Execution Continuous
Sequence None
Duration 5 seconds or more
DTC Type One drive cycle, MIL off

Enable Conditions 

Condition Minimum Maximum
Elapsed time after the vehicle condition is turned to the ON mode 3 seconds -
12 volt battery voltage [BATTERY] 10.0 V -

[ ]: HDS Parameter

Malfunction Threshold 

Either one of the conditions is met for at least 5 seconds:

Possible Cause 

NOTE:  The causes shown may not be a complete list of all potential problems, and it is possible that there may be other causes.

*1: 6-Speed A/T

Diagnosis Details 

Conditions for setting the DTC 

When a malfunction is detected, a Pending DTC, a Confirmed DTC, and the freeze data are stored in the PCM memory. The MIL does not come on.

Conditions for clearing the DTC 

The Pending DTC, the Confirmed DTC, and the freeze data can be cleared with the scan tool Clear command or by disconnecting the 12 volt battery.