LEMON Manuals: Even more car manuals for everyone: 1960-2025
Home >> Honda >> 2021 >> Ridgeline RTL, AWD >> Repair and Diagnosis >> Engine Performance >> System >> Engine Control System - Advanced Diagnostics (P1684 - U129E) >> Advanced Diagnostics >> DTC P2135 (2017 2018 2019) >> General Description
April 5, 2026: LEMON Manuals is launched! Read the announcement.

DTC P2135 (2017 2018 2019): General Description

GHH452408Courtesy of HONDA, U.S.A., INC.
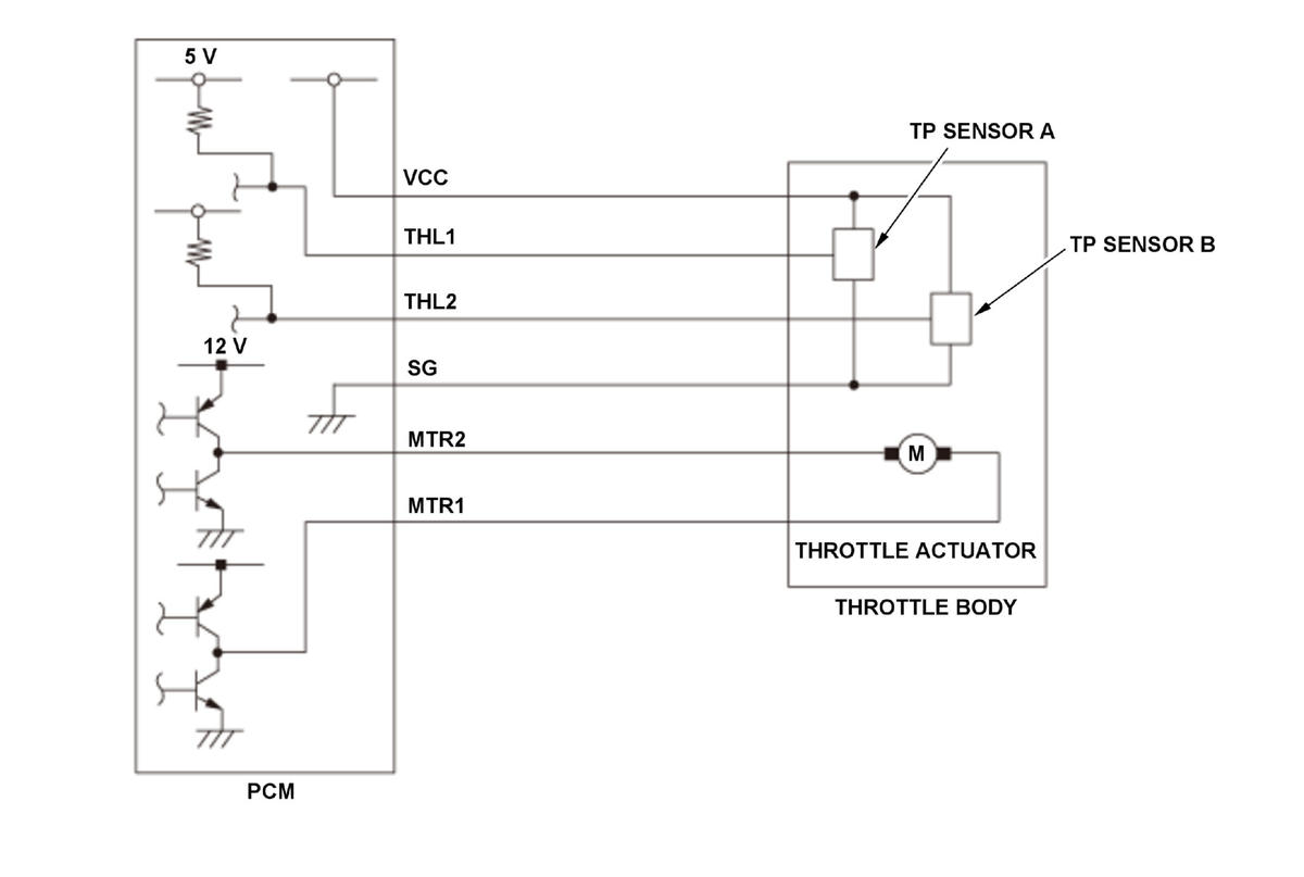
GHH452409Courtesy of HONDA, U.S.A., INC.

The electronic throttle control system controls the throttle valve opening. The system includes the throttle actuator, the throttle valve, throttle position (TP) sensors A and B, the electronic throttle control system (ETCS) control relay, the accelerator pedal position (APP) sensor, and the powertrain control module (PCM). When the accelerator pedal is pressed, the APP sensor detects the accelerator pedal opening value. The accelerator pedal opening value is converted to a signal in the APP sensor and transmitted to the PCM to compute the target position. The PCM then operates the throttle actuator to move the throttle valve to the target position. The actual throttle valve position is determined by TP sensor A (installed in the throttle body). The PCM compares the voltages and the throttle valve positions of TP sensor A and TP sensor B. If the difference of the throttle valve positions is a certain value for a set time, the PCM detects a malfunction in the relationship between TP sensor A and TP sensor B, and stores a DTC