LEMON Manuals: Even more car manuals for everyone: 1960-2025
Home >> Honda >> 2021 >> Ridgeline RTL-E >> Repair and Diagnosis (Single Page) >> Accessories & Equipment >> Communication Devices >> Integrated Control Systems - Testing & Troubleshooting >> Circuit Diagram >> Driving Position Memory System (DPMS) Circuit Diagram (2017 2018 2019)
April 5, 2026: LEMON Manuals is launched! Read the announcement.

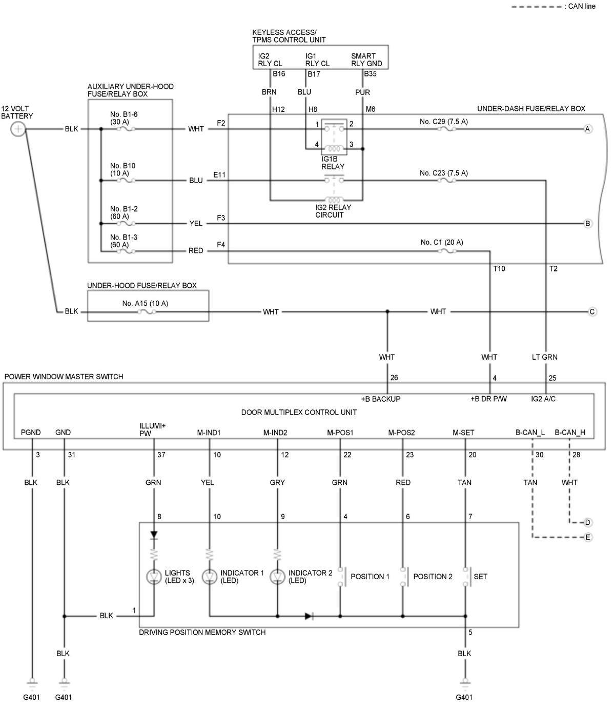
Driving Position Memory System (DPMS) Circuit Diagram (2017 2018 2019)

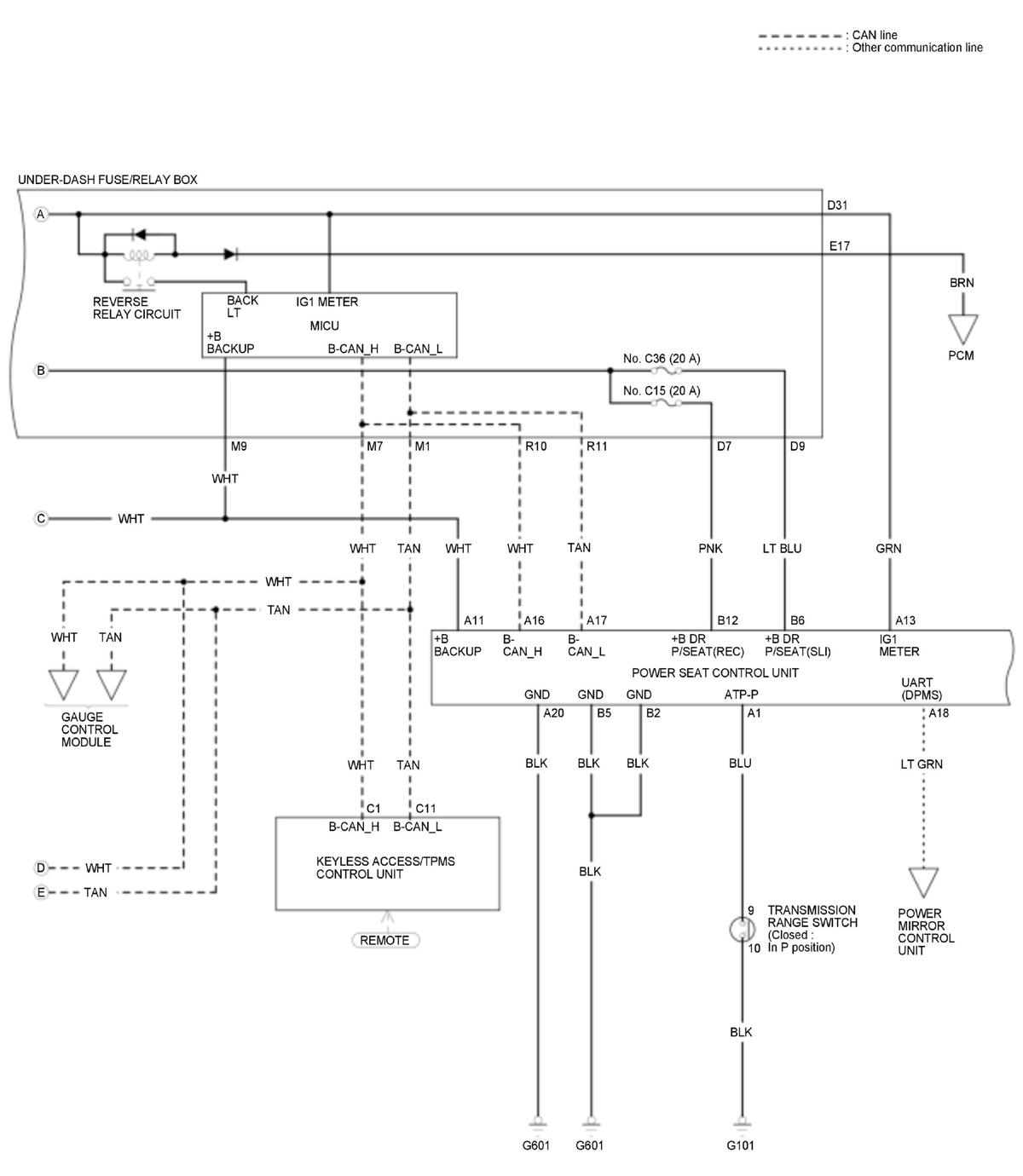
Driver's Power Seat 

GHH457351Courtesy of HONDA, U.S.A., INC.
GHH457352Courtesy of HONDA, U.S.A., INC.
GHH457353Courtesy of HONDA, U.S.A., INC.

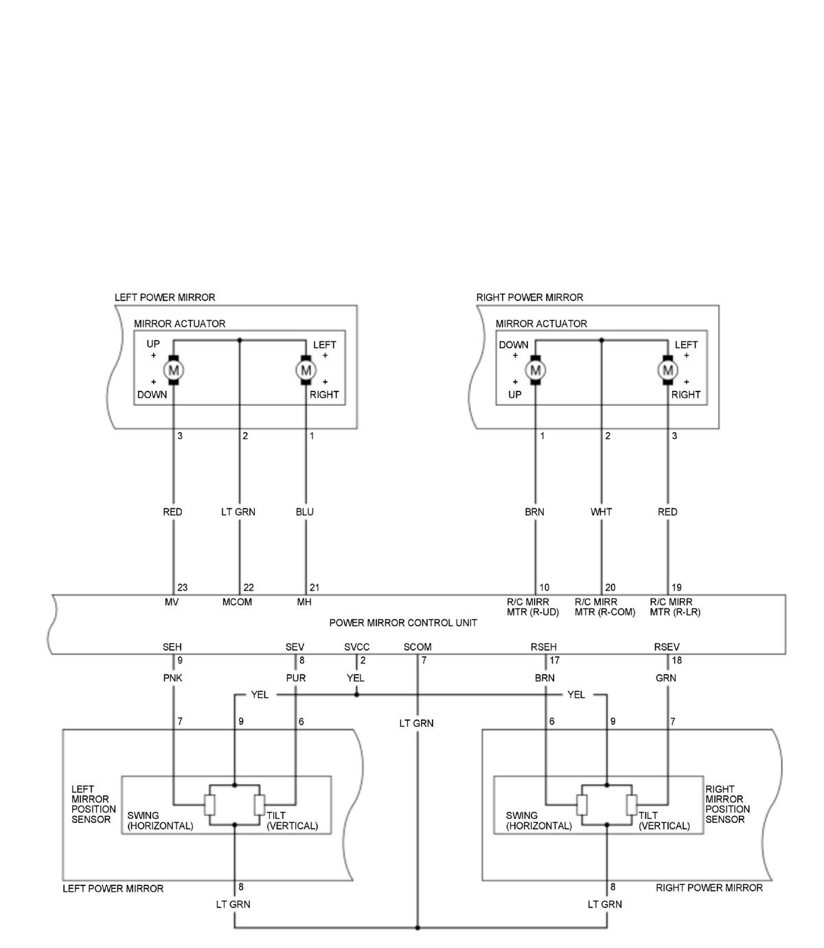
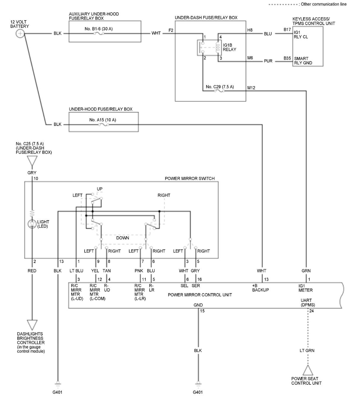
Power Mirror 

GHH457354Courtesy of HONDA, U.S.A., INC.
GHH457355Courtesy of HONDA, U.S.A., INC.