LEMON Manuals: Even more car manuals for everyone: 1960-2025
Home >> Honda >> 2021 >> Ridgeline RTL-E >> Repair and Diagnosis (Single Page) >> Accessories & Equipment >> Communication Devices >> Integrated Control Systems - Testing & Troubleshooting >> Circuit Diagram >> Driving Position Memory System (DPMS) Circuit Diagram (2020)
April 5, 2026: LEMON Manuals is launched! Read the announcement.

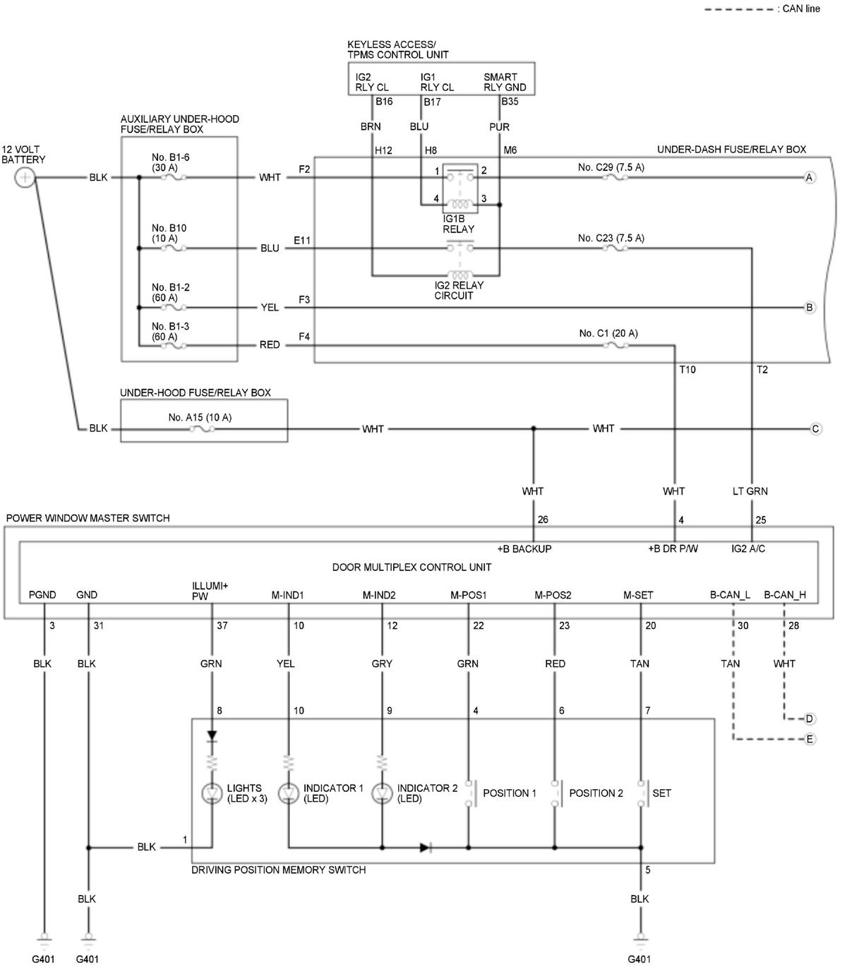
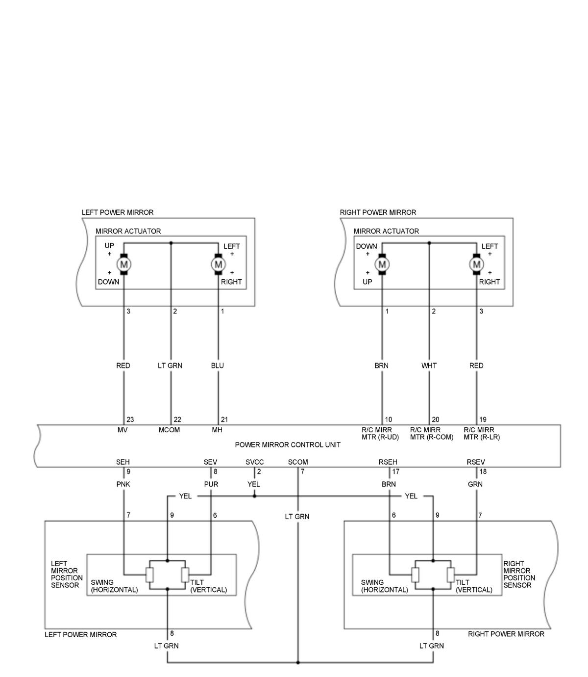
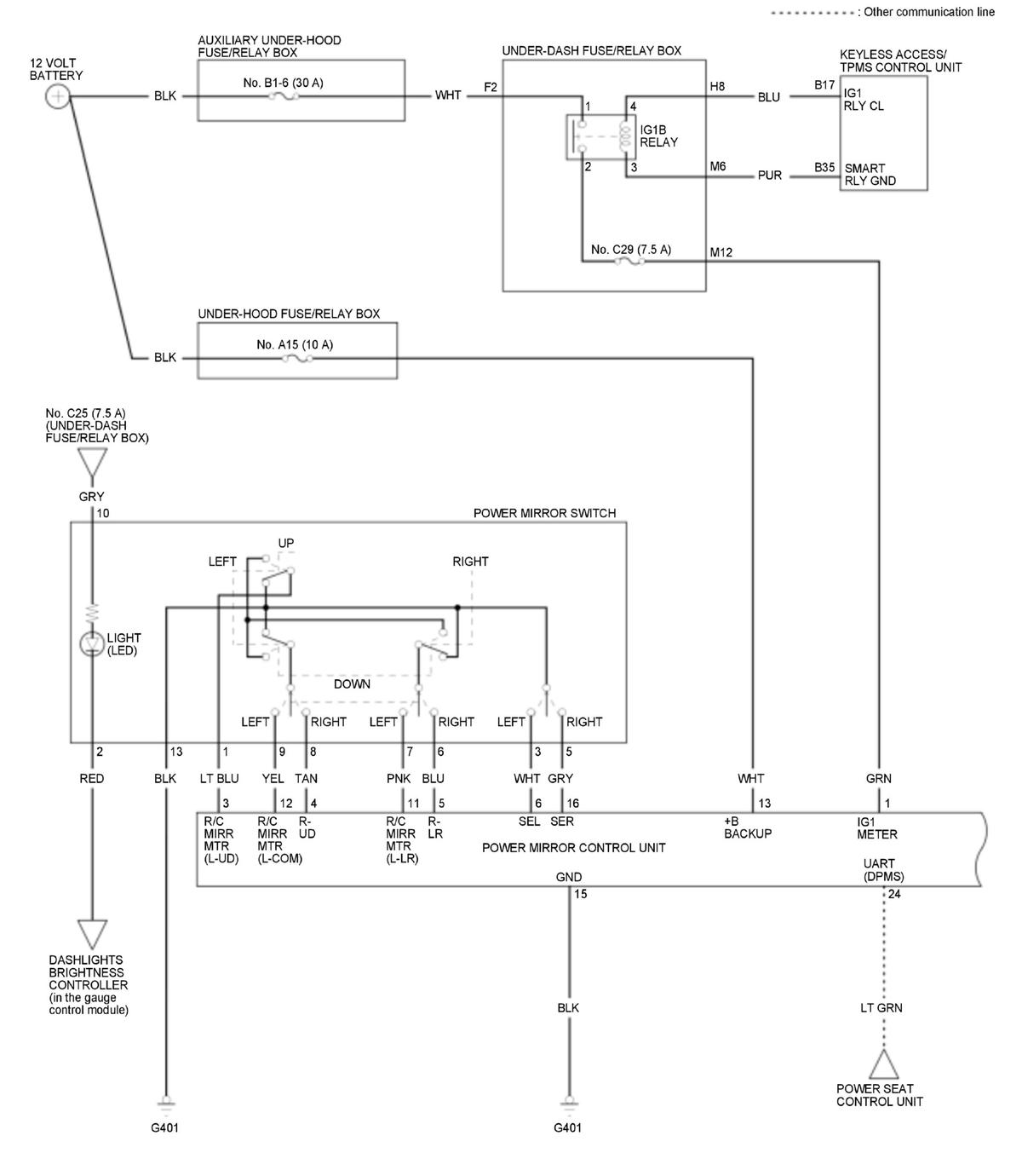
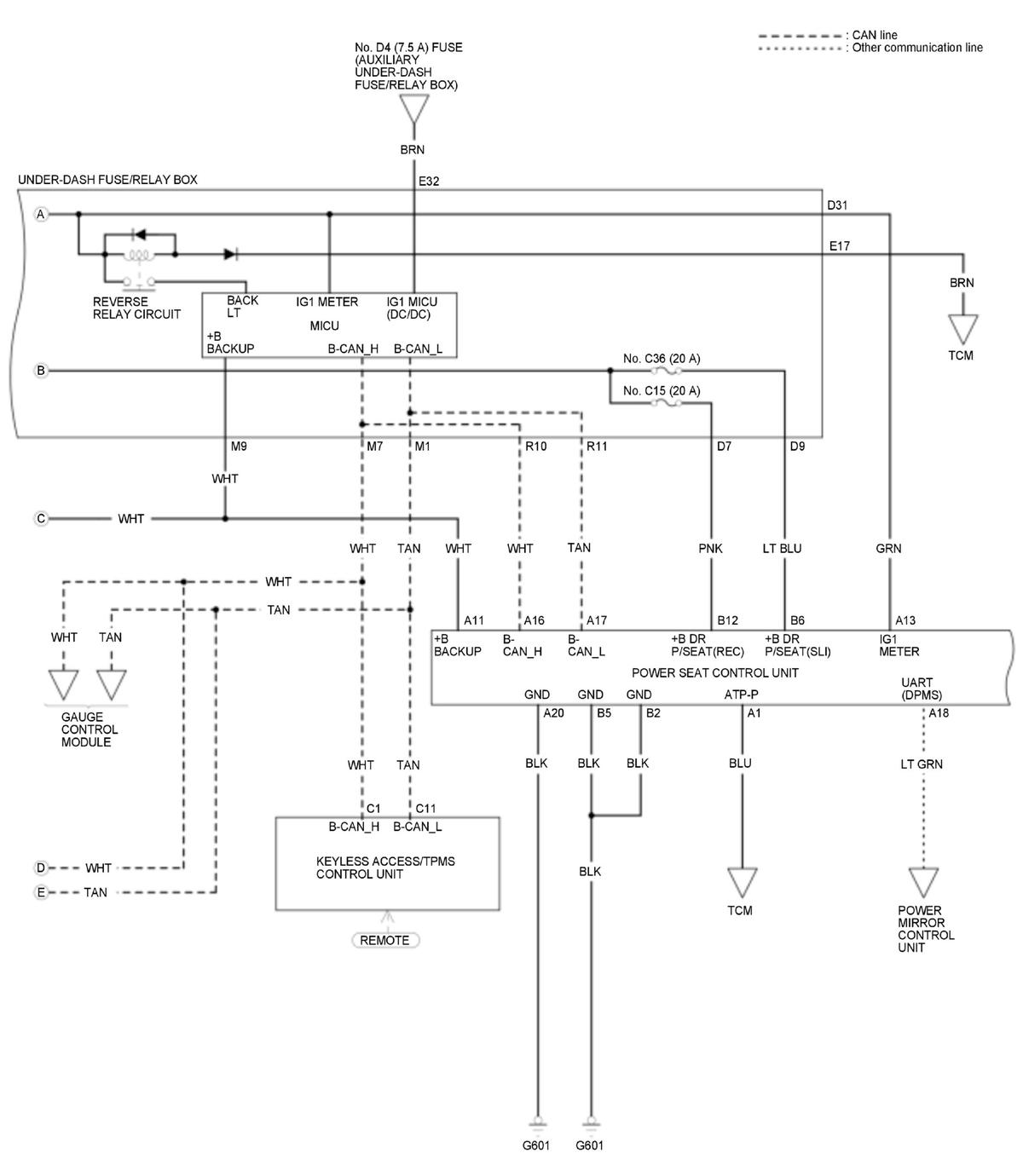
Driving Position Memory System (DPMS) Circuit Diagram (2020)

Driver's Power Seat 

GHH457356Courtesy of HONDA, U.S.A., INC.
GHH457357Courtesy of HONDA, U.S.A., INC.
GHH457358Courtesy of HONDA, U.S.A., INC.

Power Mirror 

GHH457359Courtesy of HONDA, U.S.A., INC.
GHH457360Courtesy of HONDA, U.S.A., INC.