DTC Advanced Diagnostics: P0201, P0202, P0203, P0204
DTC P0201: No. 1 Cylinder Injector Circuit MalfunctionDTC P0202: No. 2 Cylinder Injector Circuit MalfunctionDTC P0203: No. 3 Cylinder Injector Circuit MalfunctionDTC P0204: No. 4 Cylinder Injector Circuit Malfunction
General Description
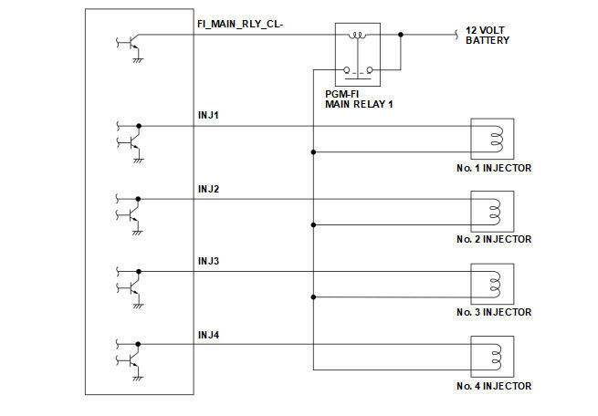
The injector supplies fuel to the engine and is controlled by the powertrain control module (PCM) ON/OFF command. In the PCM, the injector driver receives a drive commands from the CPU and drives the injector. The CPU monitors a terminal voltage of PCM by the return signal circuit. If the return signal from the injector does not change for a specified time, the PCM detects a malfunction and stores a DTC.
Monitor Execution, Sequence, Duration, DTC Type
| Execution | Continuous |
| Sequence | None |
| Duration | 5 seconds or more (at idle) |
| DTC Type | One drive cycle, MIL on |
Enable Conditions
| Condition | Minimum | Maximum |
|---|---|---|
| 12 volt battery voltage [Battery] | 10.0 V | - |
| State of the engine | Running | |
| Other | Other than during fuel cut-off operation | |
[ ]: HDS Parameter
Malfunction Threshold
The return signal from the injector does not change at least 30 times (counts once per engine cycle).
Possible Cause
The causes shown may not be a complete list of all potential problems, and it is possible that there may be other causes.
DTC: P0201
- No. 1 injector failure
- No. 1 injector INJ1 line open
- No. 1 injector INJ1 line short to ground
- No. 1 injector INJ1 line short to power
- No. 1 injector power supply line open
DTC: P0202
- No. 2 injector failure
- No. 2 injector INJ2 line open
- No. 2 injector INJ2 line short to ground
- No. 2 injector INJ2 line short to power
- No. 2 injector power supply line open
DTC: P0203
- No. 3 injector failure
- No. 3 injector INJ3 line open
- No. 3 injector INJ3 line short to ground
- No. 3 injector INJ3 line short to power
- No. 3 injector power supply line open
DTC: P0204
- No. 4 injector failure
- No. 4 injector INJ4 line open
- No. 4 injector INJ4 line short to ground
- No. 4 injector INJ4 line short to power
- No. 4 injector power supply line open
Common
- PCM internal circuit failure
Diagnosis Details
Conditions for setting the DTC
When a malfunction is detected, the MIL comes on and a Pending DTC, a Confirmed DTC, the freeze data, and the on-board snapshot are stored in the PCM memory.
Conditions for clearing the DTC
The MIL is cleared if the malfunction does not return in three consecutive trips in which the diagnostic runs. The MIL, the Pending DTC, the Confirmed DTC, the freeze data, and the on-board snapshot can be cleared with the scan tool clear command.