LEMON Manuals: Even more car manuals for everyone: 1960-2025
Home >> Honda >> 2023 >> Pilot EX-L, AWD >> Repair and Diagnosis (Single Page) >> Engine Performance >> System >> Engine Control System - Advanced Diagnostics (P0571 - U129E) >> Advanced Diagnostics >> DTC Advanced Diagnostics: P2073 >> General Description
April 5, 2026: LEMON Manuals is launched! Read the announcement.

DTC Advanced Diagnostics: P2073: General Description

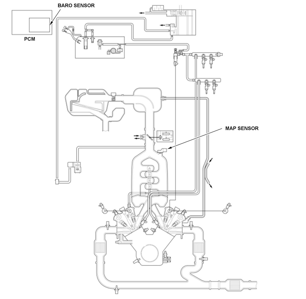
GHH576552Courtesy of HONDA, U.S.A., INC.
GHH576553Courtesy of HONDA, U.S.A., INC.

The powertrain control module (PCM) detects a characteristic abnormality of the manifold absolute pressure (MAP) sensor during the fuel cut-off. If the MAP sensor value during the fuel-cut off is high, the PCM detects a malfunction and stores a DTC.

Monitor Execution, Sequence, Duration, DTC Type 

Execution Once per driving cycle
Sequence None
Duration 2.5 seconds or more
DTC Type Two drive cycles, MIL on