LEMON Manuals: Even more car manuals for everyone: 1960-2025
Home >> Honda >> 2023 >> Pilot EX-L, AWD >> Repair and Diagnosis (Single Page) >> Engine Performance >> System >> Engine Control System - Advanced Diagnostics (P0571 - U129E) >> Advanced Diagnostics >> DTC Advanced Diagnostics: P2135 >> General Description
April 5, 2026: LEMON Manuals is launched! Read the announcement.

DTC Advanced Diagnostics: P2135: General Description

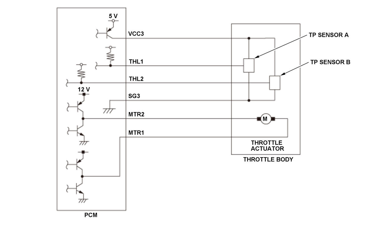
GHH576574Courtesy of HONDA, U.S.A., INC.
GHH576575Courtesy of HONDA, U.S.A., INC.
GHH576576Courtesy of HONDA, U.S.A., INC.

The diagnosis related to the electric throttle control system is done during the vehicle ON mode and OFF (LOCK) mode. The powertrain control module (PCM) opens and closes the throttle actuator to monitor the performance of the throttle body. If the difference between the throttle position (TP) sensor A output value and the TP sensor B output value is large, the PCM detects a malfunction and stores a DTC.

Monitor Execution, Sequence, Duration, DTC Type 

Execution Continuous
Sequence None
Duration 25 milliseconds or more
DTC Type One drive cycle, MIL on