LEMON Manuals: Even more car manuals for everyone: 1960-2025
Home >> Honda >> 2023 >> Pilot EX-L, AWD >> Repair and Diagnosis (Single Page) >> Engine Performance >> System >> Engine Control System - Advanced Diagnostics (P0571 - U129E) >> Advanced Diagnostics >> DTC Advanced Diagnostics: P2148 >> General Description
April 5, 2026: LEMON Manuals is launched! Read the announcement.

DTC Advanced Diagnostics: P2148: General Description

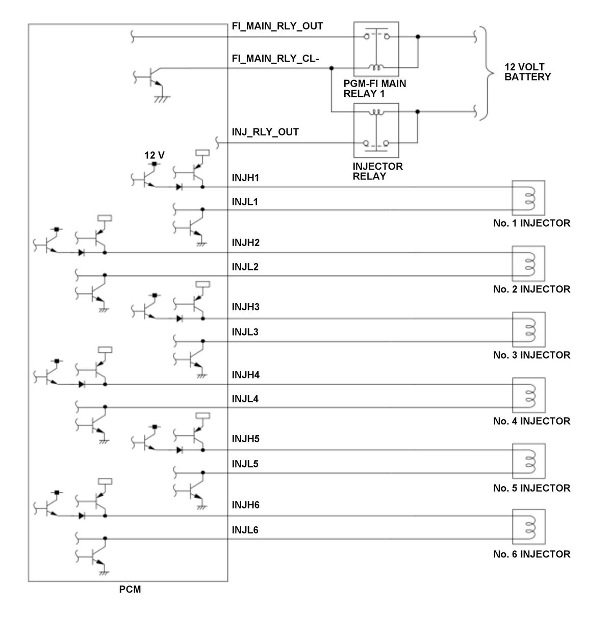
GHH576580Courtesy of HONDA, U.S.A., INC.

The injector supplies fuel to the engine and is controlled by the powertrain control module (PCM) ON/OFF command. The injector driver IC equipped in the PCM controls the DC-DC converter to boost the voltage and supplies to the injector. The injector driver IC monitors the voltage that is generated in the DC-DC converter. If the monitored voltage is determined as over charged, the PCM detects a malfunction and stores a DTC.

Monitor Execution, Sequence, Duration, DTC Type 

Execution Continuous
Sequence None
Duration 0.5 second or more
DTC Type Two drive cycles, MIL on