LEMON Manuals: Even more car manuals for everyone: 1960-2025
Home >> Honda >> 2025 >> Pilot EX-L, AWD >> Repair and Diagnosis >> Transmission >> Automatic Trans >> Automatic Transaxle - Advanced Diagnostics >> Advanced Diagnostics >> DTC Advanced Diagnostics: P2814 >> General Description
April 5, 2026: LEMON Manuals is launched! Read the announcement.

DTC Advanced Diagnostics: P2814: General Description

GHH574676Courtesy of HONDA, U.S.A., INC.

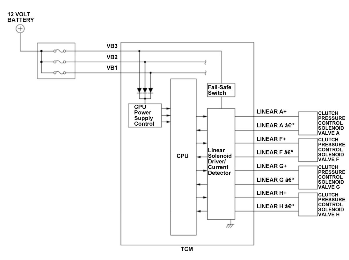
Clutch pressure control solenoid valve G is controlled by duty output. A spool in clutch pressure control solenoid valve G moves the valve according to the current, and produces hydraulic pressure in proportion to the current. The transmission control module (TCM) measures the current that passes through clutch pressure control solenoid valve G and uses feedback control to compensate for the difference between the measured current and the commanded one. If the current value of clutch pressure control solenoid valve G is less than a specified value (regardless of the duty output), or the current value of clutch pressure control solenoid valve G is less than a specified value when the duty output is 100 %, the TCM detects a malfunction and stores a DTC.

Monitor Execution, Sequence, Duration, DTC Type 

Execution Continuous
Sequence None
Duration 0.12 second or more
DTC Type One drive cycle, MIL on, shift position indicator blinks