LEMON Manuals: Even more car manuals for everyone: 1960-2025
Home >> Hummer >> 2003 >> H2 V8-6.0L >> Repair and Diagnosis >> Diagrams >> Electrical Diagrams >> Accessory Delay Module
April 5, 2026: LEMON Manuals is launched! Read the announcement.

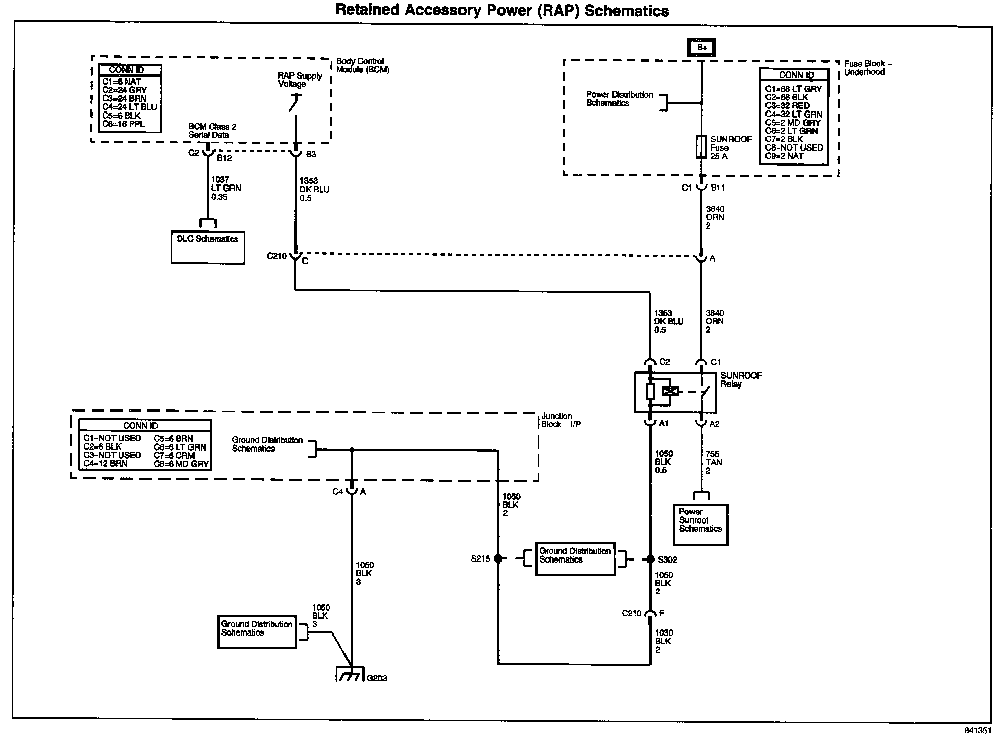
Accessory Delay Module

Retained Accessory Power (RAP) Diagram: