LEMON Manuals: Even more car manuals for everyone: 1960-2025
Home >> Hummer >> 2003 >> H2 >> Repair and Diagnosis >> Transmission >> Automatic Trans >> Shift Lock Control >> Schematic & Routing Diagrams >> Automatic Transmission Shift Lock Control Schematics
April 5, 2026: LEMON Manuals is launched! Read the announcement.

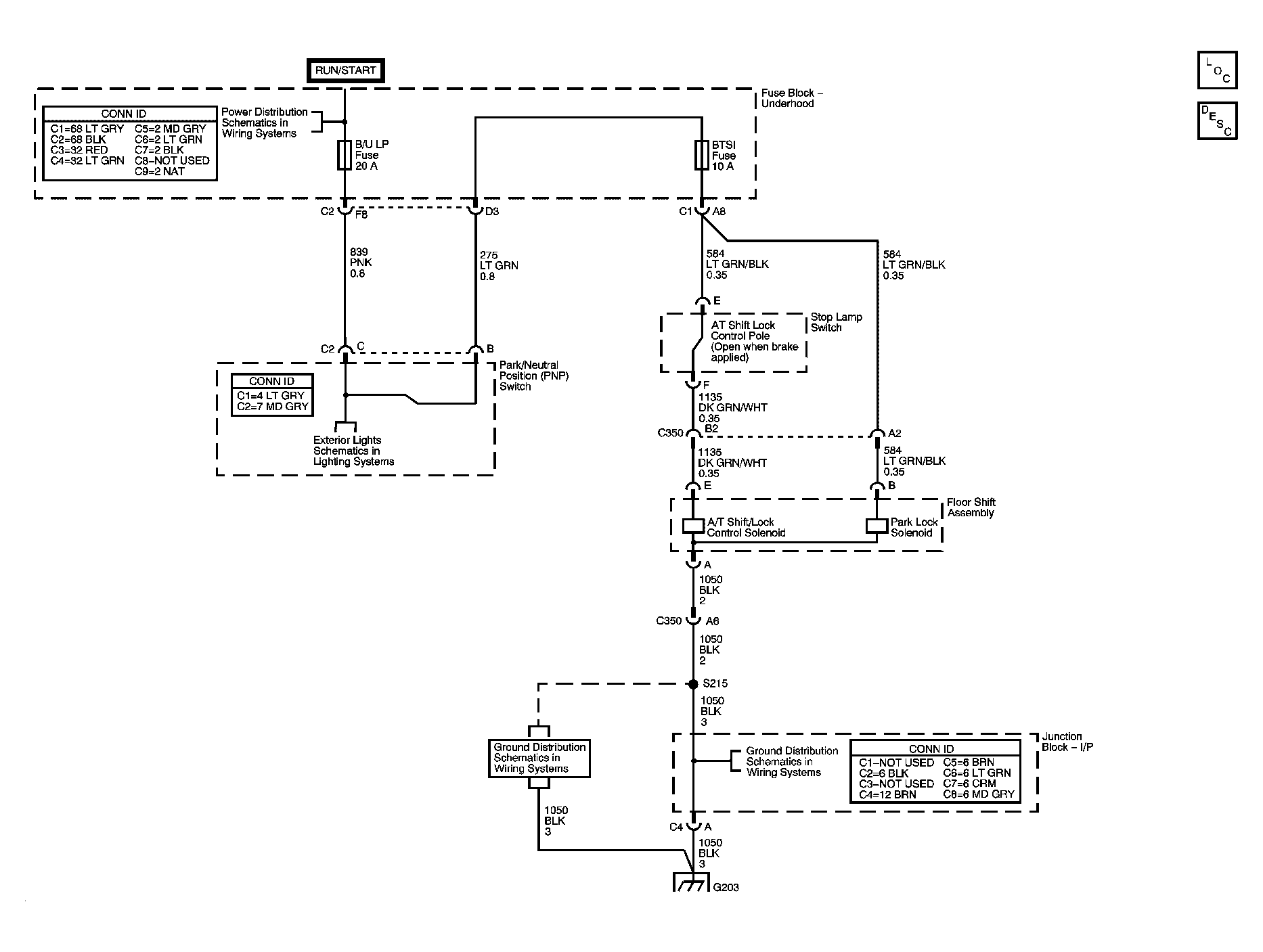
Automatic Transmission Shift Lock Control Schematics

Fig 1: Automatic Transmission Shift Lock Control Schematic
GM833055Courtesy of GENERAL MOTORS CORP.