LEMON Manuals: Even more car manuals for everyone: 1960-2025
Home >> Hummer >> 2004 >> H2 4D Utility Pickup >> Repair and Diagnosis (Single Page) >> Transmission >> Automatic Trans >> Shift Lock Control System >> Schematic and Routing Diagrams >> Automatic Transmission Shift Lock Control Schematics
April 5, 2026: LEMON Manuals is launched! Read the announcement.

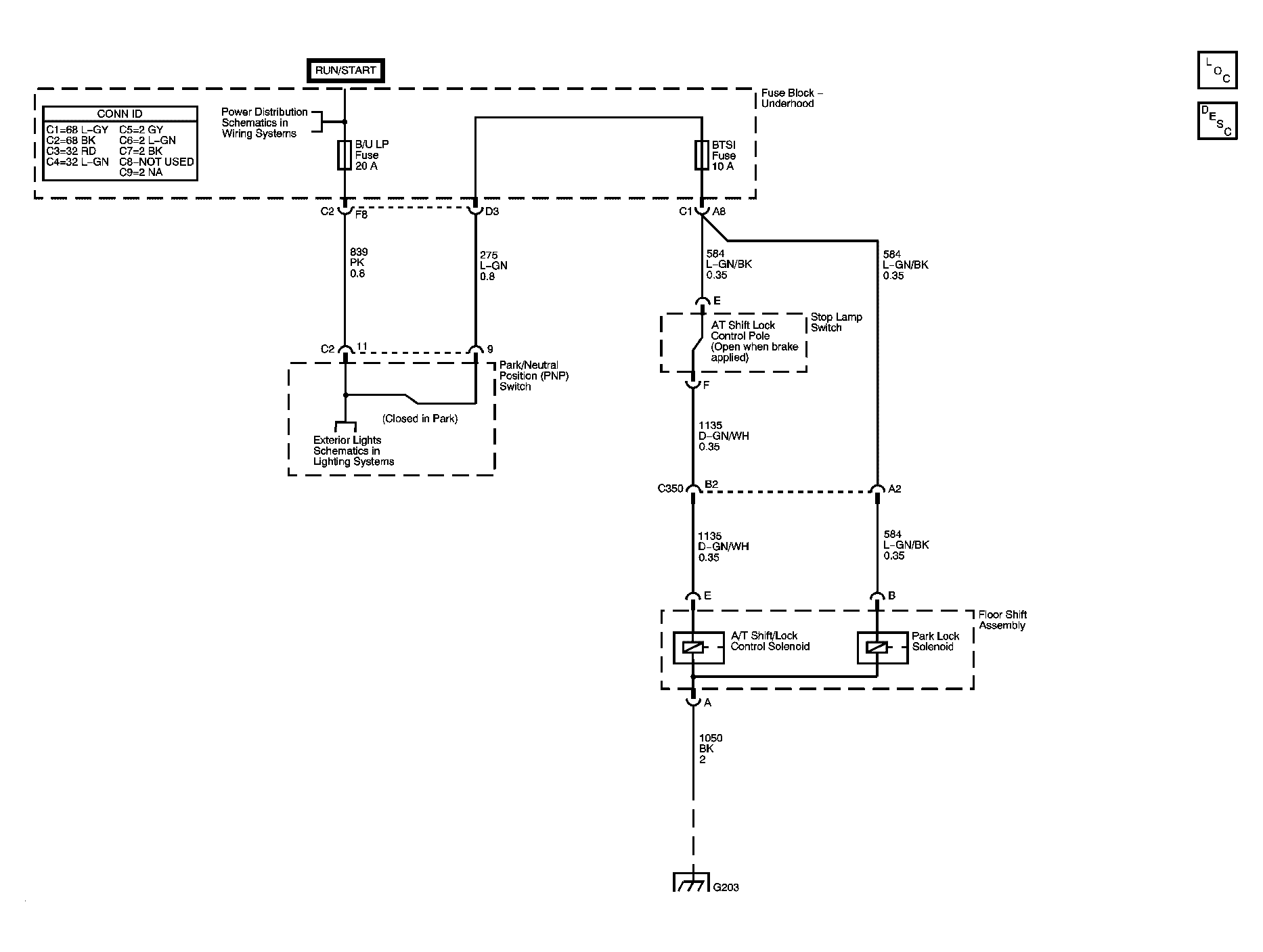
Automatic Transmission Shift Lock Control Schematics

Fig 1: Automatic Transmission Shift Lock Control
GM1177399Courtesy of GENERAL MOTORS CORP.