LEMON Manuals: Even more car manuals for everyone: 1960-2025
Home >> Hummer >> 2006 >> H2 4D Utility Pickup >> Repair and Diagnosis (Single Page) >> Transmission >> Automatic Trans >> Shift Lock Control >> Schematic and Routing Diagrams >> Shift Lock Control Schematics
April 5, 2026: LEMON Manuals is launched! Read the announcement.

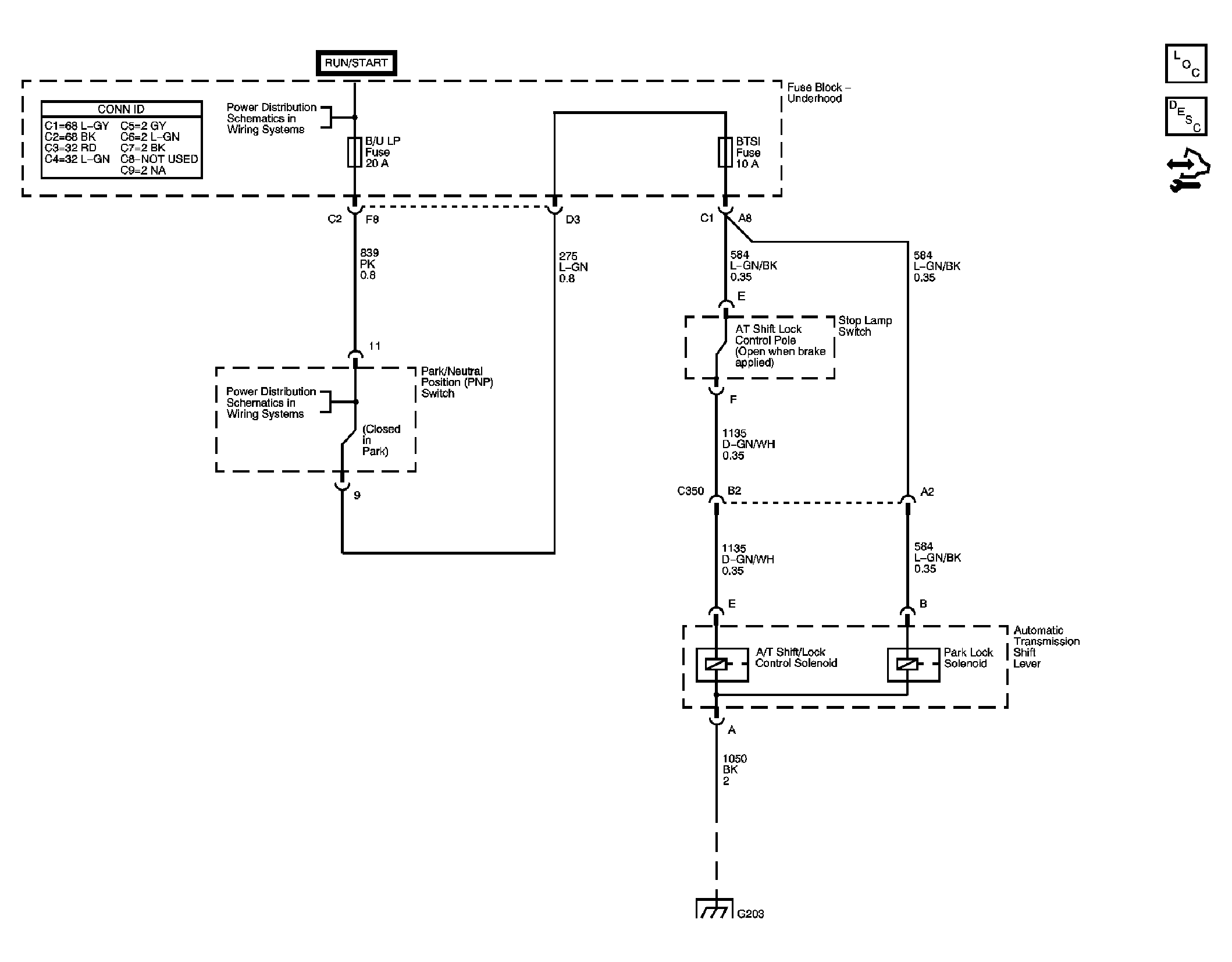
Shift Lock Control Schematics

Fig 1: Shift Lock Control Schematics
GM1566986Courtesy of GENERAL MOTORS CORP.