LEMON Manuals: Even more car manuals for everyone: 1960-2025
Home >> Hummer >> 2007 >> H2 4D Utility Wagon >> Repair and Diagnosis >> Transmission >> Automatic Trans >> Shift Lock Control >> Schematic and Routing Diagrams >> Shift Lock Control Schematics
April 5, 2026: LEMON Manuals is launched! Read the announcement.

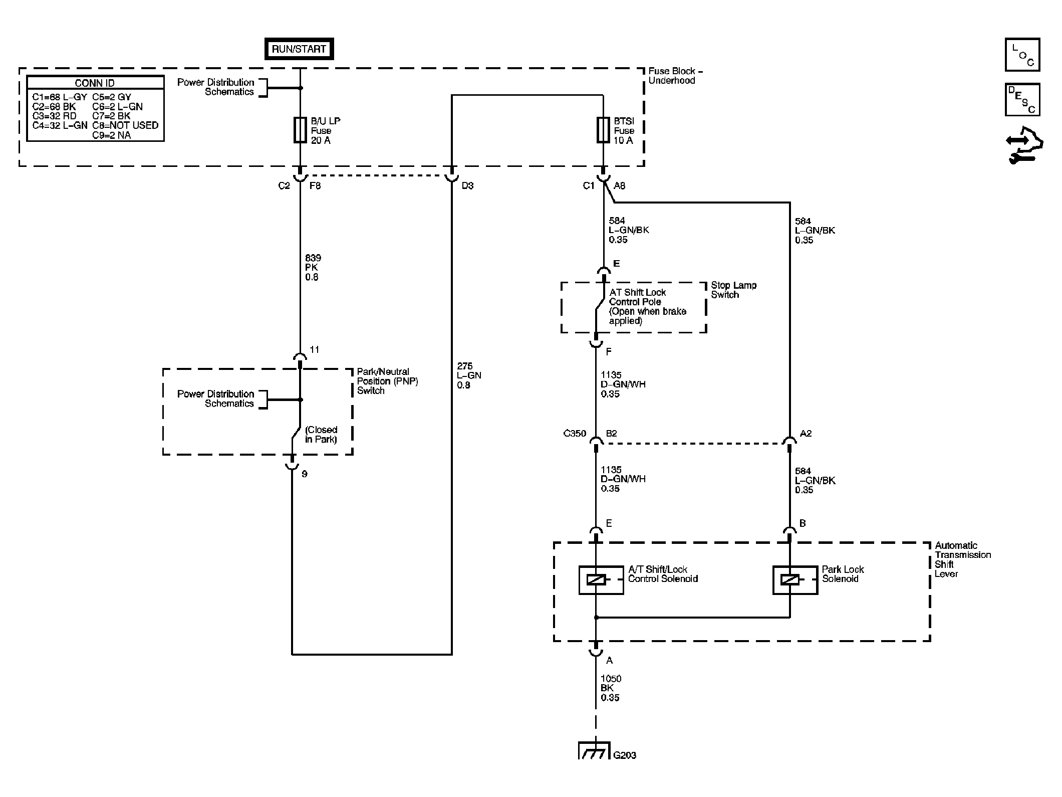
Shift Lock Control Schematics

Fig 1: Shift Lock Control Schematic
GM1805238Courtesy of GENERAL MOTORS CORP.