LEMON Manuals: Even more car manuals for everyone: 1960-2025
Home >> Hummer >> 2008 >> H2 4D Utility Pickup >> Repair and Diagnosis (Single Page) >> Body & Frame >> Ignition Switch/Steering Lock >> Wiring Systems And Power Management - Introduction >> Schematic and Routing Diagrams >> Power Moding Schematics
April 5, 2026: LEMON Manuals is launched! Read the announcement.

Power Moding Schematics

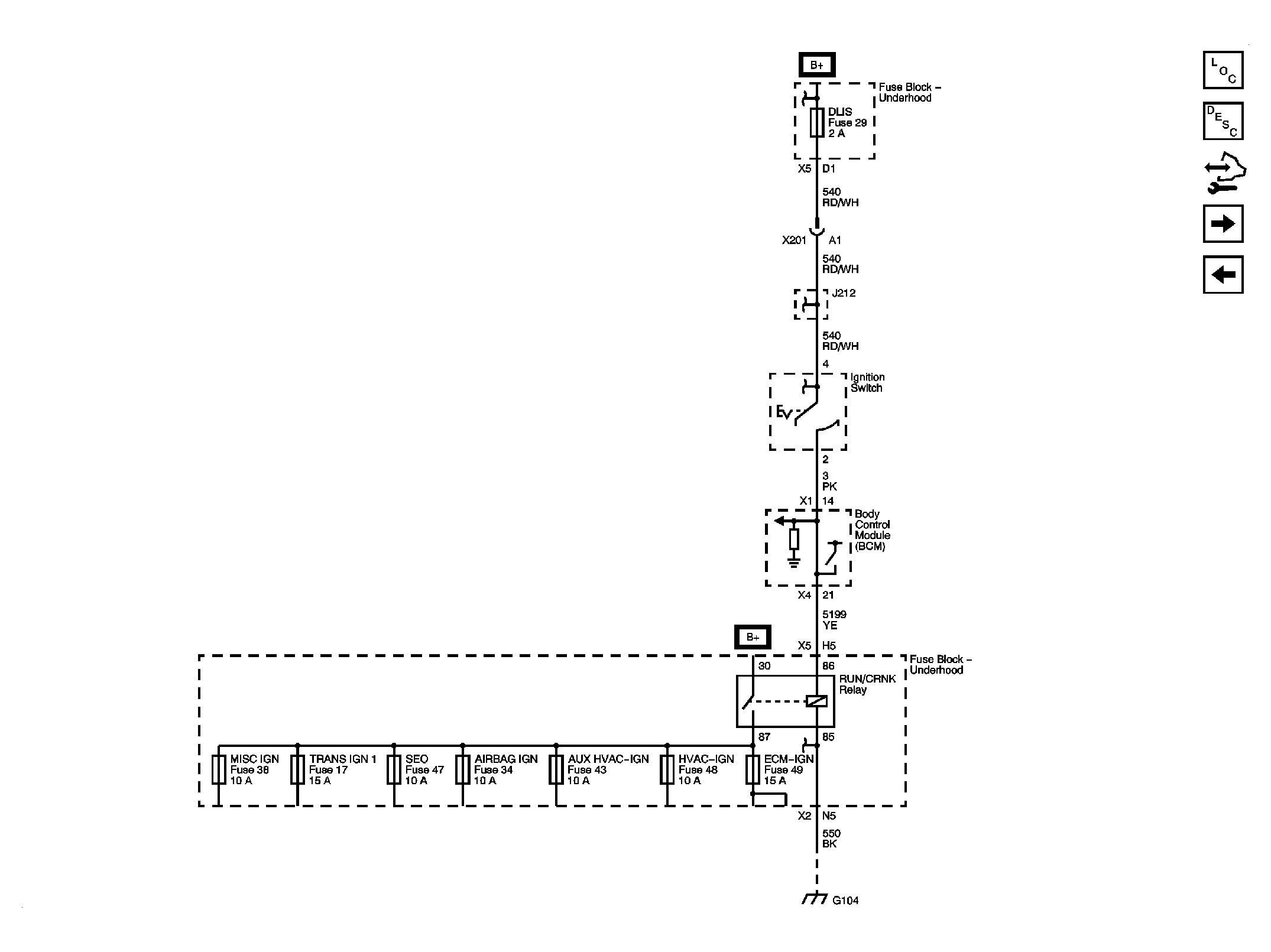
Fig 1: Ignition II/III Voltage
GM1961654Courtesy of GENERAL MOTORS CORP.
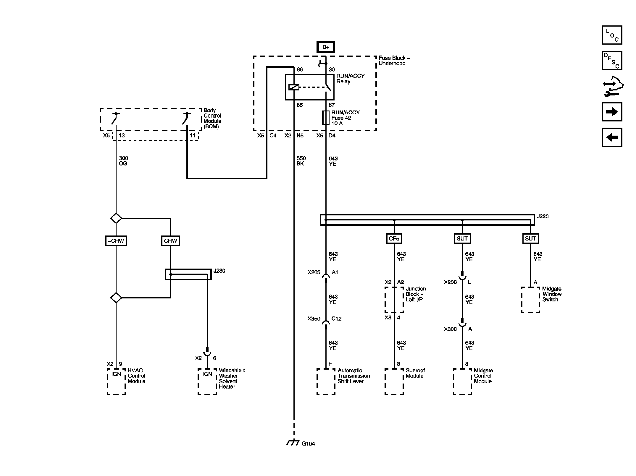
Fig 2: Accessory Voltage
GM1961657Courtesy of GENERAL MOTORS CORP.
Fig 3: Ignition III Voltage
GM1961660Courtesy of GENERAL MOTORS CORP.