LEMON Manuals: Even more car manuals for everyone: 1960-2025
Home >> Hummer >> 2008 >> H2 V8-6.2L >> Repair and Diagnosis >> Transmission and Drivetrain >> Transfer Case >> Control Module >> Service and Repair >> Removal and Replacement
April 5, 2026: LEMON Manuals is launched! Read the announcement.

Removal and Replacement



Transfer Case Shift Control Module Replacement

Removal Procedure

1. Remove the knee bolster. Refer to Driver Knee Bolster Replacement (Driver Knee Bolster Replacement) .




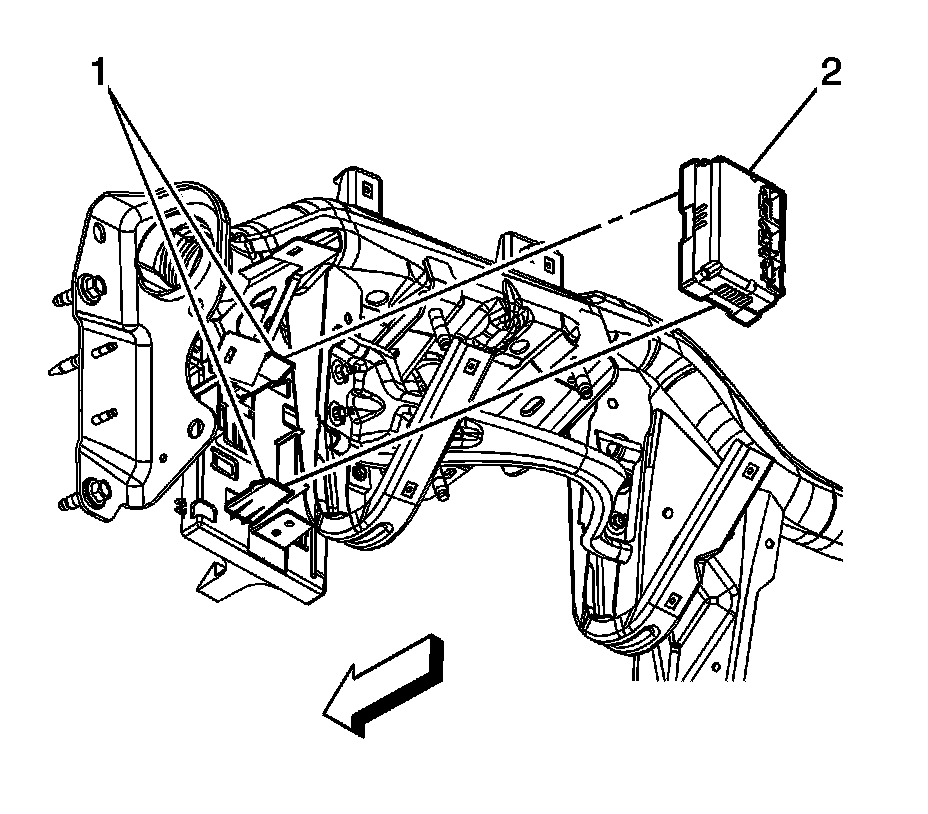
2. Remove the electrical connectors (1) from the transfer case control module (2).




3. Release the transfer case control module from the bracket (1).
4. Remove the transfer case control module (2).



Installation Procedure





1. Install the transfer case control module (2) to the bracket.
2. Ensure the transfer case control module bracket clips (1) are securely retaining the module.




3. Install the electrical connectors (1) to the transfer case control module (2).
4. Install the knee bolster. Refer to Driver Knee Bolster Replacement (Driver Knee Bolster Replacement) .
5. Program the module. Refer to Transfer Case Control Module Reprogramming (Procedures) .
6. Start the engine and test the automatic transfer case system for proper shift operation.