LEMON Manuals: Even more car manuals for everyone: 1960-2025
Home >> Hummer >> 2008 >> H3 Adventure, Standard >> Repair and Diagnosis (Single Page) >> Accessories & Equipment >> Collision/Avoidance >> Object Detection >> Schematic and Routing Diagrams >> Object Detection Schematics
April 5, 2026: LEMON Manuals is launched! Read the announcement.

Object Detection Schematics

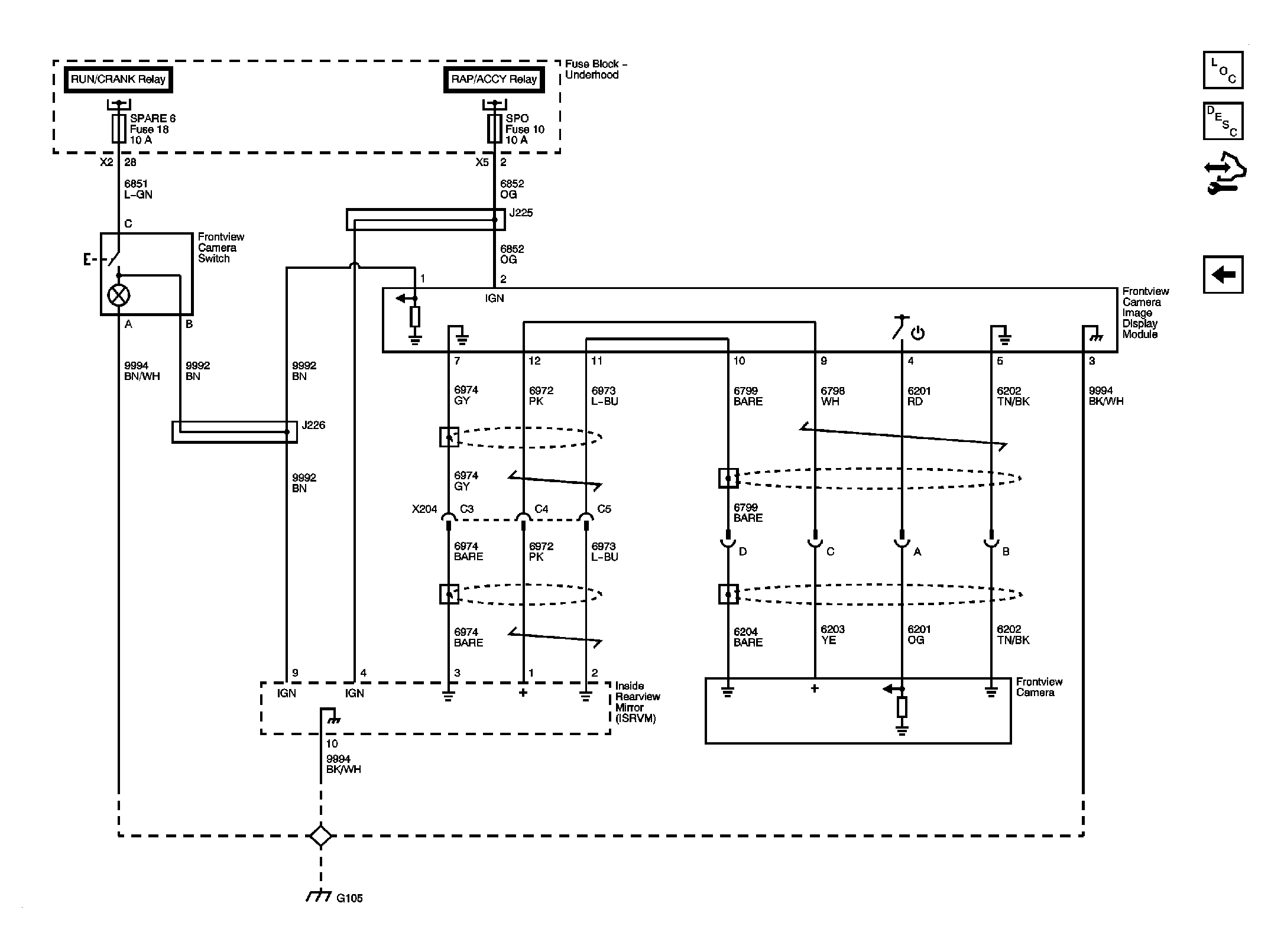
Fig 1: Rearview Camera (UVC)
GM1911819Courtesy of GENERAL MOTORS CORP.
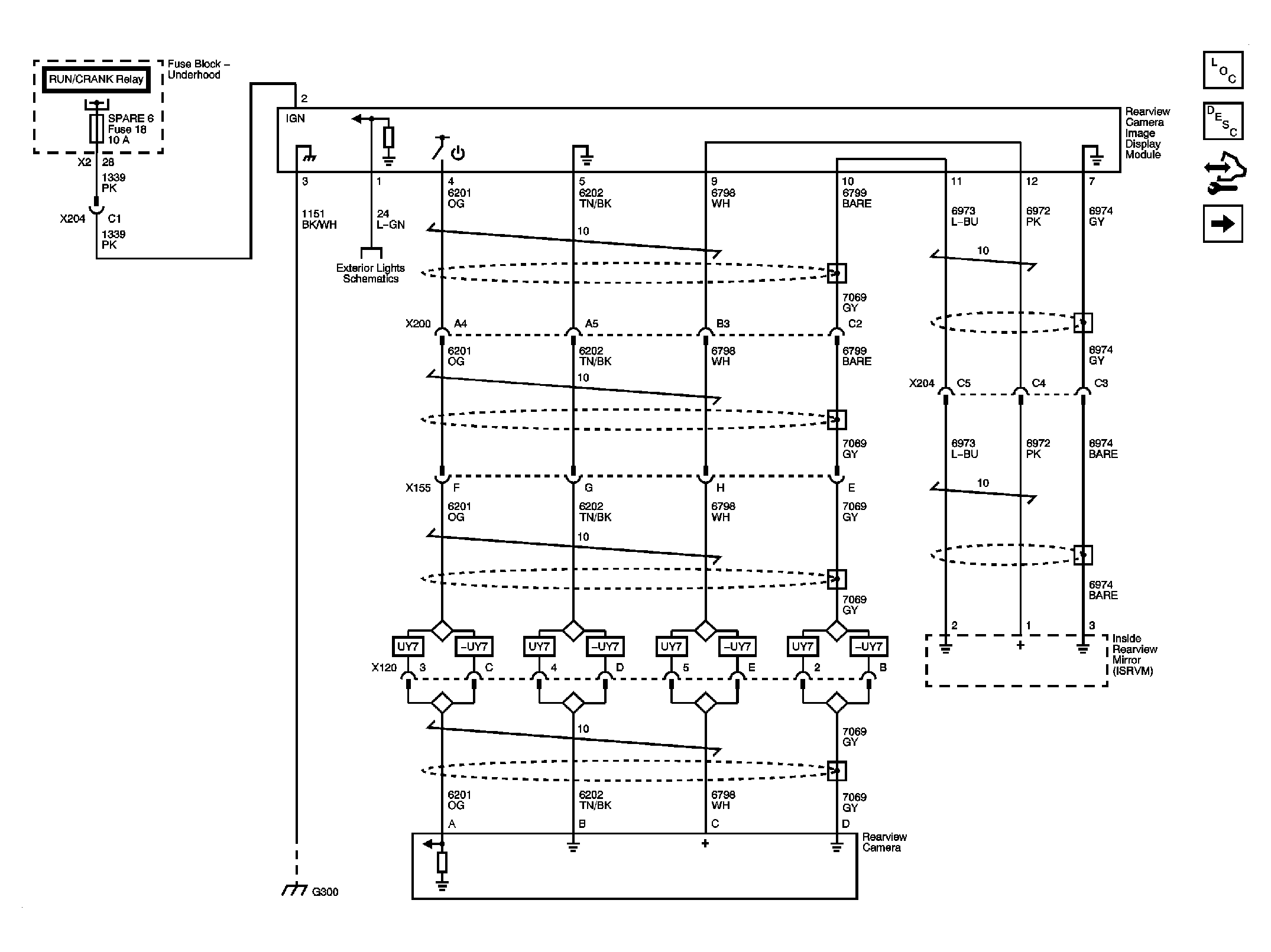
Fig 2: Frontview Camera (CV5)
GM2047672Courtesy of GENERAL MOTORS CORP.